所屬科目:國中技藝-工業電子組
1. 如圖1-1 所示電路,R G = 1.2 M Ω, R D = 2.2 k Ω, RS = 1.2 k Ω, RL = 10 k Ω,汲極交流電阻 r d忽略不計,若電晶體操作於飽和區,此 MOSFET於工作點之轉移電導 g m = 2.4 mA / V,則電壓增益 v o / v i約為何?
(A) 4.33 (B) 5.28 (C) -4.33 (D) -5.28。
2. 有關 BJT 與場效電晶體(FET)元件之比較,下列敘述何者正確?(A) BJT 為電流控制型, FET 為電壓控制型 (B) BJT 的輸入阻抗較 FET 高 (C) BJT 的熱穩定度較 FET 高 (D) BJT 與 FET 皆屬於雙載子元件。
3. 圖 1-2 所示, 為共陽極的七段顯示器,當輸出數字為 2 時,則顯示器 接腳 ABCDEFG 的輸入電位依序列出,下列何者正確?(註:1 代表高 電位,0 代表低電位)
(A) 0100100 (B) 0010010 (C) 1101101 (D) 1011011
4. 布林代數表示式,使用第摩根定理簡化後的x輸出為何?(A) ABCD (B) AB+CD (C) (D)。
5. 布林代數式F(A, B, C, D) = ∑ ( 1, 3, 7, 11, 15) + d (0 ,2 ,5),d代表隨意項(don' t care),請問 化為最簡和項積(POS)之布林代數式為何? (A) (A+D) (A’+C) (A’+D) (B) A’D + CD (C) D (A’+C) (D) A’B’ + CD。
6. 如圖1-3 所示之電路,I為何?
(A) 1mA (B) 3mA (C) 5mA (D) 6mA。
7. 則此電路的上臨界電壓 VU 及下臨界電壓 VL分別為何? (A) VU = 8.1V、VL = –0.9V (B) VU = 2.4V、VL = –0.6V (C) VU = 4.3V、VL = –2.5V (D) VU = 0.8V、VL = –3.4V。
8. 承上題,若Vref=0V且輸入Vi(t)=3sin( 100 t)V,則輸出Vo波形為何?(A) +15 V直流 (B) - 15 V直流 (C) 正弦波 (D) 方波。
9. 某數位IC系列之VOH=3.6V,VOL=0.3V,VIH=2.0V,VIL=0.9V,則關於雜訊免疫力VNL及 VNH 的數值,下列何者正確? (A) VNL=1.7V (B) VNH=3.3V (C) VNH=1.6V (D) VNL=1.1V 。
10. 如圖1-5 所示電路理想運算放大器(OPA)放大電路,若R=10KΩ,則Vo/Vi為何?
(A) 6 (B) 8 (C) 12 (D) 15 。
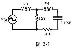
1. 如圖 2-1 所示之交流穩態電路,若 v (t)=10√2 cos(2t)V ,則流經 12Ω 電阻之電流有效值為何? =___________。
2. QA, QB 會呈現甚麼狀態? _________
3. 同上題,CLOCK 為 1KHz,經過一段時間後 QA 的輸出頻率為? = ____________。
4. 如圖2-3 所示電路,BJT之β = 49,VBE = 0.7 V,VC電壓應為何? ___________
5. 如圖 2-4 所示電路,假設 R1 = 10KΩ,R2 = 40KΩ,VR = 1V,Vi = 1V 請問 Vo =_______。
6. 如圖2-5 所示電路,若R1 = 1KΩ,C1 = 1uF,Vi 為一100Hz的方波,請問 Vo 的工作週期為_____________。
7. 如圖2-6 所示之理想運算放大器電路,若 BJT 之 β >>1, R1 = R2 = R3 = 3KΩ,RC = 1KΩ, 當 Vi = 5V,則 Vo 約為何? _____________
8. 如圖2-7 所示,F = f (A,B,C),求輸出F最簡的積之和(Sum of Product)方程式___________ 。
9. 如圖2-8 的程式中,程式的執行結果,averge = _________
10. 在 8 位元系統中,以 2 補數 ( 2 ’s Complement ) 表示法做減法運算,下列何者為 11101011 (2) – 10001001 (2) 運算後之結果? _________
三、計算與設計題1.請寫出一個位元半加器電路的真值表和輸出邏輯方程式(輸入為 A、B,輸出為 S、C)。
2. 下圖為一理想 OPA 濾波電路,若 RA=0.5KΩ、CA=0.01μF、RB=1KΩ、CB=0.05μF、 R1=5KΩ、R2=20KΩ、R3=4KΩ、R4=16KΩ,則濾波器之頻帶寬度 BW 約為何?( π ≈ 3.14 )。
3. 請使用一個理想 OPA,設計一差動放大器電路,使 Vo = V1-V2。
4. 請使用三個下列正反器、一個電阻和一個電容設計一電路,使輸出(QAQBQC)依序為 100→010→001→100..。