阿摩線上測驗
登入
首頁
>
國中技藝-工業電子組
>
113年 - 113 全國高級中等學校學生技藝競賽考試_工業類:工業電子#138116
> 申論題
題組內容
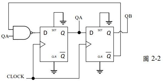
如圖 2-2 所示電路,假設 D 型正反器 QA, QB 之初始值為 00,電路經過 5 個時脈週期後,
2. QA, QB 會呈現甚麼狀態? _________
相關申論題
3. 同上題,CLOCK 為 1KHz,經過一段時間後 QA 的輸出頻率為? = ____________。
#565476
4. 如圖2-3 所示電路,BJT之β = 49,VBE = 0.7 V,VC電壓應為何? ___________
#565477
5. 如圖 2-4 所示電路,假設 R1 = 10KΩ,R2 = 40KΩ,VR = 1V,Vi = 1V 請問 Vo =_______。
#565478
6. 如圖2-5 所示電路,若R1 = 1KΩ,C1 = 1uF,Vi 為一100Hz的方波,請問 Vo 的工作週期為_____________。
#565479
7. 如圖2-6 所示之理想運算放大器電路,若 BJT 之 β >>1, R1 = R2 = R3 = 3KΩ,RC = 1KΩ, 當 Vi = 5V,則 Vo 約為何? _____________
#565480
8. 如圖2-7 所示,F = f (A,B,C),求輸出F最簡的積之和(Sum of Product)方程式___________ 。
#565481
9. 如圖2-8 的程式中,程式的執行結果,averge = _________
#565482
10. 在 8 位元系統中,以 2 補數 ( 2 ’s Complement ) 表示法做減法運算,下列何者為 11101011 (2) – 10001001 (2) 運算後之結果? _________
#565483
三、計算與設計題1.請寫出一個位元半加器電路的真值表和輸出邏輯方程式(輸入為 A、B,輸出為 S、C)。
#565484
2. 下圖為一理想 OPA 濾波電路,若 RA=0.5KΩ、CA=0.01μF、RB=1KΩ、CB=0.05μF、 R1=5KΩ、R2=20KΩ、R3=4KΩ、R4=16KΩ,則濾波器之頻帶寬度 BW 約為何?( π ≈ 3.14 )。
#565485
相關試卷
114年 - 114 全國高級中等學校學生技藝競賽考試_工業類:工業電子#137982
114年 · #137982
113年 - 113 全國高級中等學校學生技藝競賽考試_工業類:工業電子#138116
113年 · #138116
112年 - 112 全國高級中等學校學生技藝競賽考試_工業類:工業電子#138246
112年 · #138246
111年 - 111 全國高級中等學校學生技藝競賽考試_工業類:工業電子#138249
111年 · #138249
110年 - 110 全國高級中等學校學生技藝競賽考試_工業類:工業電子#138568
110年 · #138568
110年 - 110 新北市國民中學技藝競賽 電機與電子職群151-200#106259
110年 · #106259
110年 - 110 新北市國民中學技藝競賽 電機與電子職群201-250#106258
110年 · #106258
110年 - 110 新北市國民中學技藝競賽 電機與電子職群101-150#106256
110年 · #106256
110年 - 110 新北市國民中學技藝競賽 電機與電子職群51-100#106250
110年 · #106250
110年 - 110 新北市國民中學技藝競賽 電機與電子職群1-50#106245
110年 · #106245