所屬科目:1.電路學 2.電子學
一、如圖所示為理想運算放大器(OPA)電路,若輸入電壓= 0.2 V,試求輸出電壓為何?(15 分)
二、如圖所示電路,若經由小信號分析得知 Z1 =2 MΩ,試求其電流增益為何?(15 分)
三、設布林函數表示式為,試求其化簡?(15 分)
四、如圖所示,試依節點電壓法(Nodal analysis)求 v 及 i 分別為何?(15 分)
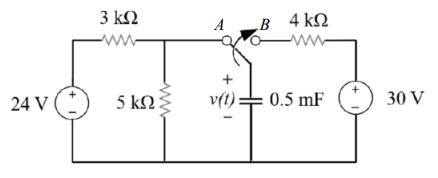
五、如圖所示,開關於 A 位置使電路到達穩態後,於 t = 0 sec 時、開關切換至 B 位置。試求電壓 v(t)的表示式為何?(10 分)
六、如圖所示,試依重疊定理(Superposition theorem)求 vo(t)為何?(15 分)
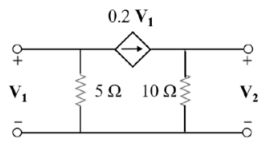
七、如圖所示之雙埠網路(two-port network),試求其導納參數(admittance parameter)分別為何?(15 分)