所屬科目:教甄◆建築科/土木科
14. 依 CNS 消防設備圖例中,下列符號名稱何者為錯誤? (A)揚聲器 (B)消防栓箱 (C)自動灑水送水口 (D)緊急照明燈 。
15. 如右圖所示,已知樓層h1與h2高度分別為330cm及316cm, 並量測出長度分別為l1與l2為6m及8m,則此樓層高度為何?
(A)330cm (B)323cm (C)322cm (D)316cm。
16. 如右圖有關平面ABCD之投影,以下何者正確?
(A)位於第 一象限且垂直HP的單斜面 (B)位於第三象限且垂直HP的 正垂面 (C)位於第一象限且垂直VP的正垂面 (D)位於第 三象限且垂直VP的單斜面。
19. 下列有關尺寸安置的方式,何者正確? (A) (B) (C) (D)
20. 如右圖所示,懸臂梁長 L,抗撓剛度 3EI,垂直力 3P 作用於 懸臂梁中點 B,求自由端 C 之垂直位移為何?
(A) (B) (C) (D)
22. 某材料受力後之應力應變曲線圖如下圖所示,其受力順序為? O→ A →B→C→?, σO =0、εO= 0,σA =150MPa、εA= 0.0005, σB= 380MPa、εB= 0.005, σC= 150MPa、σD= 0,假若此材料為完美彈塑性, 則εD為若干? (A) 0 (B) 0.0035 (C) 0.0045 (D) 0.0055。
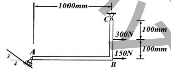
23. 桿件 ABC 如下圖所示,A 端為滾支承,C 端為鉸支承,試求 A 端的支承反力 RA為?
(A) 48.91N (B) 65.22N (C) 66.18N (D) 88.24N。
24. 如下圖所示桁架,P=800N 試求 AB 桿之內力為?
(A) 377N 拉 (B) 377N 壓 (C) 565.6N 壓 (D) 565.6N 拉。
25. 有一鋼桿件 ABCD 之各段段面積,長度及受力狀況如下圖所示,若此鋼桿的彈性模數 E=210GPa,試求此鋼桿之總變形量為何? (A) 0.0236cm (B) 0.0212cm (C) 0.0209cm (D) 0.0260cm。
5.如右圖(一),試問桁架 DF 桿所受軸力為 (1) __________ ,桁架 CD 桿所受軸力為 (2)__________ (設壓力為負,拉力為正)
6.如右圖(二),設地面已知點 BM01 高程為 30.000m,引測樑底 A 點 高程,按直接水準測量分別讀得後視讀數 1.453m 及前視讀數 1.791m (A 點標尺為倒置,即以尺底與樑接觸),則 A 點之高程 為 __________ 。
2.如右圖(三)所示,均變荷重w於懸臂梁上,試求梁中剪力方程式 V(x)與彎矩方程式M(x)。(6分)
3.已知一材料的拉力強度為 260kgf/cm2 ,剪力強度為 90 kgf/cm2 。 如右圖(四)顯示,該材料試體受力狀態。若此試體在保 持不變的情況下僅增加值 σx,當 σx 增加至某一數值時,試體即 發生破壞,試問此時 σx最小值為何?(5 分)
4.請證明距離傾斜改正數為之過程,並解釋公式中的代號。(5分)
6.某測量隊利用 P1、P2、P3 及 P4 等四個水準點,施測直接水準測量至待求高程點 P5,同時施測 個水準點至 P5 間的距離,經內業數據整理後,相關資料如下表所述,試求 P5 的「高程」以及其 「高程中誤差」。(6 分)
7.TAF認證試驗試驗員,參考CNS 487標準以重力法進行細粒料密度與吸水率試驗,試驗所得相關 資料如下表所示,試求此細粒料之面乾內飽和密度與吸水率。(6分)
8.下圖(五)為第三角法所繪之三視圖,請畫出正確的等角立體圖。(5分)