所屬科目:電工學(電工原理)
4.某一直流並聯電路如【圖 4】所示,若電流源電流 = 10A,則電流I1、I2為何? (A) I1 = 4 A,I2 = 6 A (B) I1 = 5 A,I2 = 5 A (C) I1 = 6 A,I2 = 4 A (D) I1 = 7 A,I2 = 3 A
5.將電壓源等效電路轉換電流源等效電路如【圖 5】所示,此等效電流源電流、電阻為何? (A) = 12 A; = 2 Ω (B) = 24 A; = 2 Ω (C) = 12 A; = 0.5 Ω (D) = 24 A; = 0.5 Ω
6.某一直流電路如【圖 6】所示,欲使電流為零,需調整電阻為多少? (A) 15 Ω (B) 12 Ω (C) 10 Ω (D) 5 Ω
15.電阻= 20 Ω、電感= 2 mH、電容= 80 μF,此三元件並聯,並聯電路的諧振角頻率為何? (A) 500 rad/s (B) 2000 rad/s (C) 2500 rad/s (D) 5000 rad/s
16.交流戴維寧等效電路如【圖 16】所示,= 10 + j5 Ω,當調整負載阻抗使其具有最大功率消耗, 此負載阻抗為何?(A) 10 + j5 Ω (B) 10 − j5 Ω (C) 15 Ω(D) 10 Ω
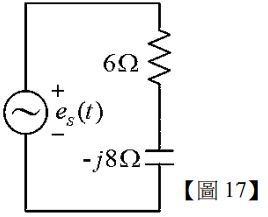
17.交流電路如【圖 17】,已知電源電壓,則6 Ω的電阻消耗功率為何? (A) 1.2 kW (B) 2.4 kW (C) 3.6 kW (D) 4.8 kW
18.單相供電系統示意如【圖 18】,負載 A 的實功率為 10 kW、電感性虛功率為 20 kvar,負載 B 只有10 kW 的實功率,則單相電源側的功率因數約為何? (A) 0.8,落後 (B) 0.7,落後 (C) 0.6,落後 (D) 0.6,領前
19.交流電阻、電感抗串聯電路如【圖 19】所示,電源電壓,則流經16Ω電阻 的電流有效值為何? (A) 40 A (B) 30 A (C) 20 A (D) 10 A
20.交流電路如【圖 20】所示,若電壓的相量式 = 100∠0°V,則電流相量式為何? (A) (B) 5∠ − 45°A (C) 5∠45°A (D)
21.電阻及電容組成暫態電路如【圖 21】所示,其中電阻= 20 kΩ、電容 = 25 ?F,若開關 S1在時間為零(t = 0)導通,則電壓時間函數為何?(開關S1未導通前,電容無儲存能量) (A)(B)(C)(D)(E)一律給分
22.電阻、電感所組成電路如【圖 22】,若電感L1 = 4 mH,則穩態時電感L1儲能量為多少焦耳? (A) 100 (B) 50 (C) 20 (D) 10
23.電阻、電容所組成電路如【圖 23】,已知電容C1 = 100μF,穩態時電容C1端電壓Vc為何? (A) 400 V (B) 300 V (C) 200 V (D) 100 V
24.兩個電容C1、C2串聯,若串聯後等效電容為8 μF,則電容C1、C2可能為下列何者? (A) C1 = 12 μF,C2 = 24 μF (B) C1 = 8 μF,C2 = 16 μF (C) C1 = 2 μF,C2 = 6 μF (D) C1 = 4 μF,C2 = 12 μF
26.某三相平衡負載端的線電壓有效值為 200 V,三相負載為∆接,且每相阻抗為4 + j3Ω,此三相負載的 總實功率約為多少? (A) kW (B) 19.2 kW (C) 11.1 kW (D) 10.2 kW
27.串聯諧振電路如【圖 27】所示,其諧振角頻率ω0= 1000 rad/s,當諧振時電阻 = 5 Ω,電感抗 = 20 Ω、電容抗= 20 Ω,若電源電壓= 20 sin(1000t) V,則穩態時電壓為何? (A) 100 sin(1000t + 90°) V (B) 50 sin(1000t − 90°) V (C) 100 sin(1000t − 90°) V (D) 50 sin(1000t + 90°) V(E)一律給分
28.變壓器在二次側之電阻R2,若換算至一次側,其值為何? (A)(B)(C)(D)
32.如【圖 32】所示,Y 型電路與 Δ 電路為等值電路,則 Δ 型電路中 R 值是多少? (A) 0.33 Ω (B) 1 Ω (C) 3 Ω (D) 9 Ω
33.如【圖 33】所示,V(t) = 100sin377tV,i(t) = 10sin (377t + 30°) A,則此電路可能為何? (A) R-L 串聯電路 (B) R-C 串聯電路 (C) R-L 並聯電路 (D)純電阻電路
36.一負載接上 DC 110 V 電壓量測電流為 13.75 A,若接上 AC 110 V 則電流為 11 A,此負載為何? (A) R=8 Ω,=10 Ω (B) R=10 Ω,=8 Ω (C) R=6 Ω,=8 Ω (D) R=8 Ω,=6 Ω
39.有一交流電路,, ,此電路視在功率是多少 VA? (A) 500 (B) 866 (C) 1000 (D) 2000
42. 1 Ω 之電阻器通過i = 10sin (377t + θ)安培時,電阻器所消耗之功率為何? (A) 50 W (B) 100 W (C) 200 W (D) 300 W
43.如【圖 43】所示,4 Ω 所跨之電壓為何? (A) 1 V (B) 2 V (C) 3 V (D) 4 V
44.如【圖 44】所示,10 Ω 所跨之電壓為何? (A) 10 V (B) 16.7 V (C) 20 V (D) 40 V
45.如【圖 45】所示,V = 100∠0°,R = 0.125 Ω, = 0.1 Ω, = 0.25 Ω,電路之功率因數為多少? (A) 0.6 (B) 0.8 (C) 0.866 (D) 0.9
46.串聯 R-L-C 電路中,,= 60V, = 20V,L = 10mH,則 R 值為多少? (A) 2 Ω (B) 4 Ω (C) 6 Ω (D) 8 Ω
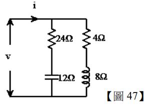
47.如【圖 47】所示,已知 i=5-j5,求流經 24 Ω 之電流多少? (A) 2+j1 (B) 2-j1 (C) 3+j6 (D) 3-j6
50.如【圖 50】所示,其負載總消耗之 W 平均功率為多少 W? (A) 1200 (B) 2400 (C) 2600 (D) 4400