所屬科目:電子學
一、圖一(a)所示稽納(Zener)二極體 D 之 ID-VD特性如圖一(b),RL = 100 Ω, 在 0≤ t ≤1 sec 時,Vs(t)由 0 V 直線上升至+18 V,試求此時間內輸出電壓 Vo 之波形數學式。(20 分)
二、圖二所示之振盪器使用理想運算放大器,分析電路時,由 vo經過雙 RC 網路到vi定義為回授(feedback)β = vi / vo,且 vi經過運算放大器與 R1-R2 網路定義為增益 A = vo / vi。試寫出 A 與 β之數學式,並由振盪條件 βA ≥ 1 推導振盪頻率以及 R1/R2 之值以確認產生振盪,且均以 R、C、R1、R2、角頻率 ω 表示。(20 分)
三、圖三所示之電晶體 β = 120 >> 1(β + 1 ≈ β),VEE = +5 V,熱電壓(thermal voltage)VT = 25 mV,ro → ∞,RB = 36 kΩ,RC = 1.5 kΩ,RE = 4 kΩ, RL = 6 kΩ。試求偏壓電流 ICQ 以及小訊號電壓增益 Av = vo/vi,在交流分析時,所有耦合電容均視為短路。(20 分)
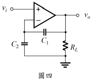
四、圖四所示運算放大器之直流增益 Avo = 89,3-dB 頻寬 500 rad/sec,輸出電阻 Ro = 100 Ω,其他特性均為理想值,C1 = 10 nF,C2 = 90 nF,RL = 1 kΩ,若圖四之完整電路電壓增益函數 Av(s)= vo(s) / vi (s) Avfo / [(1+s/ωa)(1+s/ωb)], 其中 Avfo 為常數,試求 Avfo、ωa 與 ωb。(20 分)
五、圖五(a)所示為七段式數字顯示器,以邏輯變數 X、Y 同時決定 a ~ g 等七個邏輯變數之值為 1 或 0,1 為黑(亮),0 為白(不亮),例如 a = 1 時, 則 a 段呈現黑色。設計以 XY = 00、10、01、11 時分別顯示如圖五(b)所示 之 0、1、2、3。試以 X、Y 為變數,寫出 a ~ g 之最簡布林數學式。(20 分)