所屬科目:統測◆04電機與電子群資電類◆(二)微處理機、數位邏輯設計、程式設計實習(111以後)
6. 小文比較電腦與週邊間的並列傳輸與串列傳輸製成表(二),下列何者正確? (A) ①⑤②⑥ (B) ①⑤③⑦ (C) ②⑥③⑦ (D) ②⑥④⑧
8. 關於通用型非同步接收傳送(UART)的串列傳輸,以9600bps、每筆資料8位元、偶同位、 兩個停止位元,低位元先送,傳輸十六進位 87(16),其中垂直虛線標示位元時脈時間,則其資料框何者正確? (A)(B) (C)(D)
16. R公司利用多核心微處理機設計單板微電腦的規格如表(三),下列敘述何者錯誤? (A) 核心的工作頻率可以是1.5GHz (B) 記憶體使用4GB靜態隨機存取記憶體 (C) 四核心共用1MB的L2快取記憶體 (D) 可以支援二個HDMI螢幕輸出、四個USB裝置
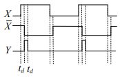
19. 如圖(一)所示之電路,若所有邏輯閘之傳輸延遲時間均為td,且輸入X為一固定週期之時脈方波(其週期遠大於t d ),則電路輸出Y與輸入時脈X之時序關係,下列何者正確? (A)(B)(C)(D)
20. 如圖(二)所示電路等效於下列哪個邏輯閘? (A) AND閘 (B) OR閘 (C) NAND閘 (D) NOR閘
21. 下列哪個邏輯運算符合第摩根定理(De Morgan's Theorem)? (A)(B)(C) (D)
22. 布林函數f1(A,B,C) =,f2(A,B,C) =B+C,A為最高位元 ( MSB ) ,C 為最低位元 (LSB)。若布林函數Y=f(A,B,C)=,則Y的標準積之和(Sum of Product)表示式應為下列何者? (A)f(A,B,C)=0 (B)f(A,B,C)=Σ(1,2,5,6) (C)f(A,B,C)=Σ(0,1,2,3,4,5,6,7)(D)f(A,B,C)=Σ(0,3,4,7)
23. 如表 ( 四 ) 所示之電路真值表 ( Truth Table ) ,其中 A 、 B 、 C 為輸入變數,A為最高位元 (MSB),C為最低位元(LSB),Y為輸出變數,下列何者錯誤? (A) 標準積之和(Sum of Product)表示式Y=Σ(0,2,4,5,6,7) (B) 標準和之積(Product of Sum)表示式Y=(C) 最簡化布林表示式Y=(D)
24. 將數值表示成8位元2的補數,下列何者正確? (A) (B)(C) (D) 超過8位元可表示範圍,故無法表示
26. 如圖 ( 三 ) 所示為 4 對 1 多工器與邏輯閘組成的電路, A 、 B 、 C 為輸入, Y 為輸出,則其布林函數應為下列何者? (A)Y(A,B,C)=(B)Y(A,B,C)= (C)Y(A,B,C)=(D)Y(A,B,C)=
28. U2電路設計,下列何者正確? (A)(B)(C)(D)
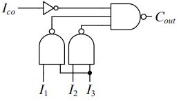
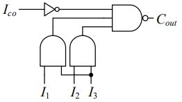
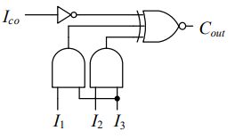
29. 一多數決(Majority Vote )電路之功能如表(五)所示,若欲使用3對8解碼器 IC 74138 搭配基本邏輯閘實現該電路,假設晶片之電源均已正確接妥,下列電路何者可實現此一功能? (A)(B) (C)(D)
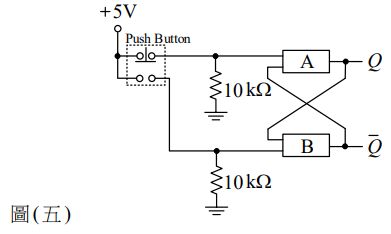
30. 如圖(五)所示之解彈跳( Debounce )電路,當Push Button按鈕按下並鬆開後,輸出端Q可實現解彈跳現象之高電位脈波,則方塊A與方塊B應為何種邏輯閘始可實現前述功能? (A) A 為NAND,B 為NAND (B) A 為NOR,B 為NOR (C) A 為NAND,B 為NOR (D) A 為NOR,B 為NAND
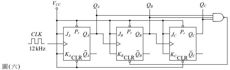
31. 如圖(六)所示之電路,下列敘述何者錯誤? (A) 電路為非同步上數型漣波計數器 (B) 電路為模數6(Mod 6)計數器 (C)頻率為2kHz (D)頻率為2kHz
32. 假設下列電路的電阻值與電容值均已妥善配置,電源啟動 ( Power ON ) 後,何者之輸出 Y 不是無穩態多諧振盪信號? (A)(B)(C)(D)
33. 當狀態表的現態為01時,其相應的次態與正反器輸入,下列何者正確? (A) 00, 00 (B) 00, 10 (C) 11, 01 (D) 01, 00
34. 如欲完成此循序邏輯電路,則其及之最簡布林代數式,下列何者正確? (A)(B)(C)(D)
36. 曉華寫了下列一段 C 語言程式,想要測試程式執行時如何透過作業系統的終端機 (Console )指令取得參數(Arguments),但發現無法成功進行編譯,應採取下列哪一個方案來解決這個問題? (A) 將行號4中main( int argc, char *argv[] )改為main() (B) 去掉行號3最前面的註解標記// (C) 將行號1的空白行刪除 (D) 在行號1新增#include <stdlib.h>
43. 阿華想要了解 C 語言程式中不同資料型態佔據記憶體空間的大小,於是使用 C 語言中的 sizeof( )函式並撰寫如下程式來測試,所使用的電腦為 64 位元的個人電腦,下列何者 為該程式的執行結果? (A)8,B(B)B,1 (C)1,C (D)C,8
44. 執行完下列片段程式後,Num1與 Num2的數值分別為何? (A) Num1=79、Num2=197 (B) Num1=79、Num2=195 (C) Num1=40、Num2=200 (D) Num1=40、Num2=100
45. 阿華想要了解C語言程式if條件敘述中常用的運算子&與&&的不同,撰寫如下程式,下列何者為程式執行結果? (A) a&&b=1 (B) a&&b=0 (C) a&b=1 (D) a&b=0
46. 曉華想要知道三角函數 sin(x)在x=0之後遞增的變化情形,寫了如下的C語言程式碼,卻發現迴圈內行號 8 和行號 9 的程式碼只執行了一次,下列哪一種修改程式的方式可以讓迴圈內的程式碼多執行幾次?(提示:sin(1)=0.8415) (A) 把行號3中的x=100改為x=0 (B) 把行號10中的++x改為x++ (C) 把行號6中y的初始值改為–1.0 (D) 把行號3中x的初始值改為1
47. 在跑馬燈的設計上,可以由陣列中取出文字,並且顯示於螢幕上。如下片段程式執行完後 ShowMessage字串為 "ILoveTaiwan",則Count的初始值應為下列哪一個? (A) 0 (B) 1 (C) 2 (D) 3
48. 有關指標的程式設計,如下片段程式可以在【1】的位置加入哪一行程式碼,編譯時不 會產生任何錯誤或警告訊息? (A) p = MyName; (B) p =&MyName[ 0 ]; (C) p = MyWeight; (D) p =&MyAge;
49. 小文設計了一個計算矩形面積的類別 CalculateArea,其宣告如下,則下列哪一個成員函式(Member Function)定義正確? (A) void CalculateArea:: SetPara(double L, double W){Length = L;Width = W;} (B) double GetLength( ){return Length;} (C) CalculateArea:: GetWidth( ){return Width;} (D) double CalculateArea:: GetArea( ){ Area = Length * Width;}