所屬科目:統測◆04電機與電子群資電類◆(二)數位邏輯、數位邏輯實習、電子學實習、計算機概論
5. 假設有一微處理機的組合語言指令集 ( Instruction Set ) 如表 ( 一 ) 所示,若有一組合語言程式如圖 ( 一 ) ,其中 D 與 E 的初始值各為 3 與 5,程式中所缺的「組合語言指令 X」應是 下列哪一個選項,才能讓程式執行結束後,F 的值等於 4?
圖(一)(A) INC E (B) DEC D (C) ADD F, G (D) SUB D, G
10. 如圖 ( 二 ) 所示,8259 A 是 Intel 開發設計之可程式中斷控制器 ( Programmable Interrupt Controller, PIC ) ,關於 8259 A 之敘述,下列何者錯誤?(A) ( Slave Program / Enable Buffer ) 作為輸入接腳時,可用來選擇 8259 A 之主 或僕之角色, = 0 表示此 8259 A 為主控制器(B) 共有 8 個中斷請求輸入接腳 IR0 ~ IR7,可供週邊裝置發送中斷請求(C) 共有 8 個資料傳輸接腳 D0 ~ D7,通常與微處理機之資料匯流排連接,可供 8259 A 與 微處理機間傳送資料(D) 共有 3 個串接 ( Cascade ) 接腳 CAS 0 ~ CAS 2,用來串接多顆 8259 A,最多可串接 8 顆, 最多可處理 64 個中斷請求
20. 對圖 ( 四 ) 數位電路之描述,下列何者錯誤? (A) P 輸出的布林代數式為 P = A ⊕ B ⊕ C (B) Q 輸出的布林代數式為 Q=AB+BC+AC (C) 電路可化簡為 (D) 真值表
21. 一個具有三個輸入的 NAND ( 反及閘 ) ,輸入為 A、B、C,輸出為 Y,其真值表與下列何者相同? (A) (B) (C) (D)
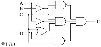
22. 化簡圖 ( 五 ) 數位電路,下列描述何者正確?
(A) 化簡後積項和 ( SOP ) 布林代數式為 F ( A , B , C , D ) = CD + (B) 化簡後積項和 ( SOP ) 布林代數式為 F ( A , B , C , D ) = CD + (C) 化簡後和項積 ( POS ) 布林代數式為 F ( A , B , C , D ) = ( C + D )(D) 化簡後和項積 ( POS ) 布林代數式為 F ( A , B , C , D ) =
23. 布林代數式 F(A, B, C, D)= (1, 3 , 7 , 11, 15 ) + d ( 0 , 2 , 5 ) ,d 代表隨意項 ( don ' t care ) , 化為最簡和項積 ( POS ) 之布林代數式為何? (A) (B) (C) (D)
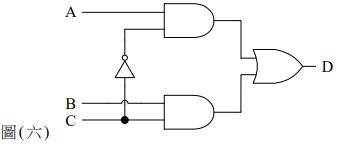
26. 如圖 ( 六 ) 所示之數位電路,為下列何者之設計? (A) 多工器 A (B) 加法器 (C) 比較器 (D) 減法器
27. 圖 ( 七 ) 為共陽極的七段顯示器,當輸出數字為 3 時,則顯示器接腳 ABCDEFG 的輸入 電位依序列出,下列何者正確?( 註: 1 代表高電位,0 代表低電位 ) (A) 0000110 (B) 0000011 (C) 1111001 (D) 1100000
28. 圖 ( 八 ) 為一使用 4 位元加法器所設計的數位電路,其中輸入訊號為 A3 A2 A1 A0、X3 X2 X1 X0 和前級進位輸入 ( Carry - In ) C0。當 C0 = 1 且輸入訊號 A3 A2 A1 A0 = 1010 和 X3 X2 X1 X0 = 0101,則進位輸出 ( Carry - Out ) C1 與輸出訊號 S3 S2 S1 S0 為何? (A) C 1 = 0 且 S 3 S 2 S 1 S 0 = 0101 (B) C 1 = 0 且 S 3 S 2 S 1 S 0 = 1111(C) C 1 = 1 且 S 3 S 2 S 1 S 0 = 0101 (D) C 1 = 1 且 S 3 S 2 S 1 S 0 = 1111
29. 全加器的輸入訊號為 A、B 與前級進位輸入 ( Carry - In ),輸出訊號為和 S 與進位輸出 ( Carry - Out ) ,關於全加器的功能敘述與邏輯運算式,下列何者錯誤? (A) 的功能與半加器相同 (B) S = A ⊕ B ⊕ (C) (D) 多個全加器之間可進行串接以成為更多位元的加法器
30. 如圖 ( 九 ) 所示,當輸入訊號 J = K = 1 時,若輸入之時序脈波 clk 頻率為 100 MHz,則輸出 Q 之頻率為何? (A) 25 MHz (B) 50 MHz (C) 100 MHz (D) 200 MHz
31. 圖 ( 十 ) 是一 D 型正反器,其輸入端與輸出端波形之關係,下列何者正確? (A) (B) (C) (D)
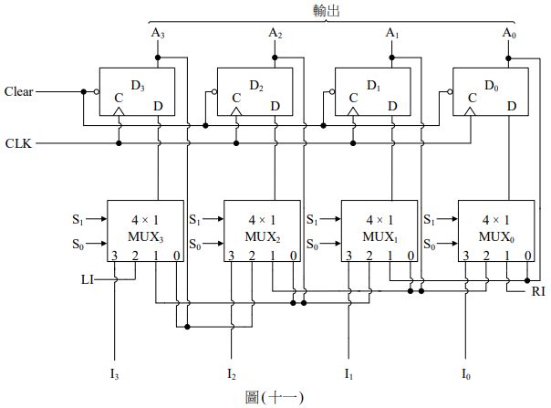
32. 用 4 個 4 × 1 多工器及 4 個 D 型正反器 ( D 3 D 2 D 1 D 0 ) 來設計通用型移位暫存器 ( Universal Shift Register ) ,具有向左移位、向右移位、平行載入 ( I 3 I 2 I 1 I 0 → D 3 D 2 D 1 D 0 ) 及不變等功能, 電路如圖 ( 十一 ) ,S1S0 為多工器的選擇線,其功能描述下列何者正確? (A) S1 S0 = 00 時,平行載入 (B) S1 S0 = 01 時,不變(C) S1 S0 = 10 時,向右移位 (D) S1 S0 = 11 時,向左移位
33. 圖 ( 十二 ) 是使用 555 定時器及 D 型正反器設計一個脈波產生器, 為 + 5V ~ +15V ,如果 T 的輸出脈波頻率為 1 KHz,當 C1 = 0.01 μ F 時,下列何種電阻組合最適合?(A) R1 = 10 K Ω,R2 = 30 K Ω (B) R1 = 15K Ω,R2 = 45 K Ω(C) R1 = 20 K Ω,R2 = 60 K Ω (D) R1 = 30 K Ω,R2 = 90 K Ω
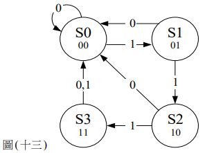
34. 使用兩個正反器設計一個 2 位元同步計數器,其狀態用 Q1Q0 表示,Q1Q0 = 00 時,代表 狀態 S0;Q1Q0 = 01 時,代表狀態 S1;Q1Q0 = 10 時,代表狀態 S2;Q1Q0 = 11 時,代表狀態S3。若輸入為 X,其狀態圖如圖 ( 十三 ) ,則下列狀態表何者正確? (A)(B)(C)(D)
39. 下列 C 語言程式碼片段執行後,x 與 y 的結果為何?
(A) x 為 3,y 為 3 (B) x 為 3,y 為 3.5 (C) x 為 3.5,y 為 3 (D) x 為 3.5,y 為 3.5
40. 下列 C 語言程式碼執行後,其結果為何?
(A) 1 (B) 2 (C) 14 (D) 15
42. 下列 C 語言程式碼片段執行後,變數 y 的值為何?
(A) 45 (B) 46 (C) 47 (D) 48
43. 下列 C 語言程式碼片段執行結果,變數 total 的值為何?
(A) 4 (B) 8 (C) 16 (D) 28
44. 下列 C 語言程式碼片段執行結果,變數 y 的值為何?
(A) 42 (B) 30 (C) 12 (D) 6
45. 下列 C 語言程式碼執行後,變數 Sum 的值為何?
(A) 3 (B) 4 (C) 5 (D) 6
46. 下列 C 語言程式碼執行後,輸出為何?
(A) a (B) b (C) abcde (D) bcde
47. 下列 C 語言程式碼片段執行後,變數 result 的值為何? (A) 0.0 (B) 7.0 (C) 7.5 (D) 15.0