所屬科目:統測◆03電機與電子群電機類◆(二)電工機械、電工機械實習(111以後)
4. 一部他激式直流發電機於正常運轉下,當激磁電流與轉速保持不變,測得其端電壓 ( Vt ) 與負載電流 ( I L ) 曲線為線性關係如圖 ( 一 ) 所示。若電刷壓降與電樞反應忽略不計,當發電機外接負載電阻為10.75Ω 時,負載電流為何?(A) 30A (B) 29A (C) 28A (D) 27A
11. 圖(二)為變壓器等效電路圖,其鐵損可用電路中哪個元件參數來表示?(A) G0 (B) B0 (C) R1 (D) X1
15. 一部單相變壓器規格為 100 kVA、22.8 kV / 220 V,做開路實驗時電壓表量測值為 220 V、 電流表量測值為 10 A、功率表量測值為 1100 W,若繞組銅損忽略不計,則下列敘述何者錯誤? (A) 鐵損為1100W (B) 低壓側等效激磁電導為西門子 (C) 磁化電流約為8.7A (D) 無載功率因數為0.3
24. 一部 馬力、120 V、60 Hz 之電容起動式單相感應電動機,其運轉繞組阻抗為 4 + j3 Ω, 起動繞組阻抗為 6 + j2 Ω,欲使起動繞組電流與運轉繞組電流相差 90°電機角,則起動用電容器之容抗值與電容值各約為何?( cos 36.9°≈0.8,sin 36.9 °≈0.6;cos 53.1°≈0.6,sin 53.1°≈0.8) (A) 5Ω、530μF (B) 10Ω、265μF (C) 22Ω、120μF (D) 24Ω、110μF
25. 關於一部三相4極、60Hz之轉磁式交流同步發電機之敘述,下列組合何者正確?甲:欲產生三相弦波感應電勢,三相電樞繞組裝置在空間上須互隔150°電機角。乙:此機可用轉速為1800rpm之汽輪式原動機來帶動。丙:此機適合採用極數少、轉軸長度短、輻射槽之凸極式轉子來設計。丁:為抑制轉軸的追逐現象,可在轉子磁極極面裝置阻尼繞組。 (A) 甲乙 (B) 甲丙 (C) 丙丁 (D) 乙丁
28. 一部三相 2 極、60 Hz、220 V、 kVA、Y 接線之隱極 ( 圓柱 ) 式同步發電機,開路實驗時場激磁電流為 3.6 A,測得端電壓等於額定電壓,短路實驗時場激磁電流為 3 A,測得短路電樞電流等於額定電流,其同步阻抗標么值約為何? (A) 0.5標么 (B) 0.63標么 (C) 0.72標么 (D) 0.83標么
30. 一部三相 4 極、 V、60 Hz、Y 接線之隱極式交流同步電動機,在額定狀態下運轉時,測得電樞電流為10A、功率因數為0.8落後、效率為0.9,其輸出轉矩約為何? (A) 10.2N-m (B) 15.2N-m (C) 19.2N-m (D) 25.2N-m
31. 關於步進電動機之敘述,下列組合何者正確?甲:混合型步進電動機利用轉子表層永久磁鐵和定子磁極相互吸引來產生驅動轉矩。乙:控制輸入脈波信號的頻率可控制轉速,而改變繞組激磁順序可改變轉向。丙:永久磁鐵型步進電動機利用定、轉子間的磁阻變化來產生驅動轉矩。丁:一部轉子齒數為 30 齒之四相可變磁阻步進電動機,若採 1 - 2 相激磁,則其步進角為 1.5°,欲操作於50rpm轉速,其輸入脈波信號的頻率為200Hz。 (A) 甲乙 (B) 乙丁 (C) 丙丁 (D) 甲丙
38. 一部 80 kVA、10 kV / 220 V 之單相變壓器,若開路及短路實驗數據如表 ( 一 ) 所示,則該變壓器產生最高效率時之負載大小為何? ( )(A) 40 kVA (B) 53 kVA (C) 63 kVA (D) 80 kVA
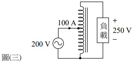
39. 圖(三)所示為單相自耦變壓器電路,求直接傳導容量及共用(並聯)繞組電流的大小各為何?(A) 4 kVA、20A(B) 4 kVA、80A (C) 16 kVA、20A (D) 16 kVA、80A
42. 將電池 E、開關 S、指針式直流電壓表 、感應電動機三相繞組 A、B 及 C 接成如圖 ( 四 ) 所示之極性實驗電路,則於開關S閉合(ON)瞬間,下列何者正確?(A) 電壓表指針不偏轉 (B) 電壓表指針順向偏轉 (C) 電壓表指針逆向偏轉一下後回到0V位置 (D) 電壓表指針順向偏轉一下後回到0V位置
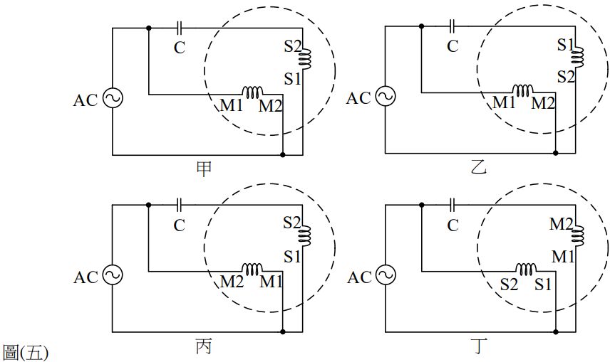
43. 圖 ( 五 ) 所示為永久電容式單相感應電動機之四種接線,若兩繞組有相同線徑及匝數, 當甲接線為正轉,則下列何者正確? (A) 乙正轉,丙正轉 (B) 乙正轉,丙反轉 (C) 丙反轉,丁反轉 (D) 丙反轉,丁正轉
44. 圖 ( 六 ) 所示為 AC 110 V / 220 V 之雙電壓單相感應電動機,L1、N、L2 為 110 V / 220 V 電源端點,若電源為 110 V 時,端點 1、3、5 接 L1,端點 2、4、6 接 N,可使電動機正轉, 則當電源為220V時,下列接線與對應之轉向何者正確?(A) 端點1、5接L1,端點2、3相接,端點4、6接L2,正轉 (B) 端點1接L1,端點2、3、5相接,端點4、6接L2,反轉 (C) 端點1、5接L2,端點2、3相接,端點4、6接L1,正轉 (D) 端點1接L2,端點2、3、5相接,端點4、6接L1,正轉
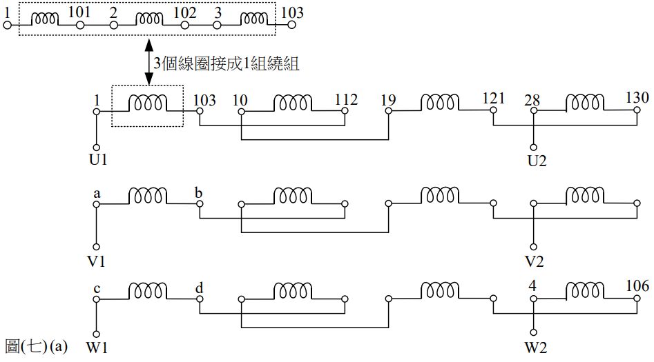
45. 一部 36 槽雙層疊繞之三相 4 極感應電動機定子繞組接線與定子槽編號如圖 ( 七 ) ( a ) 與 圖 ( 七 ) ( b ) 所示,36個線圈之線頭編號為1~36,線尾編號為101~136,下列敘述何者正確?(A) 線圈節距為7/ 9且a與b之編號分別為7與109 (B) 線圈節距為7/ 9且a與b之編號分別為13與115 (C) 線圈節距為8/ 9且c與d之編號分別為7與109 (D) 線圈節距為 8/ 9且c與d之編號分別為13與115
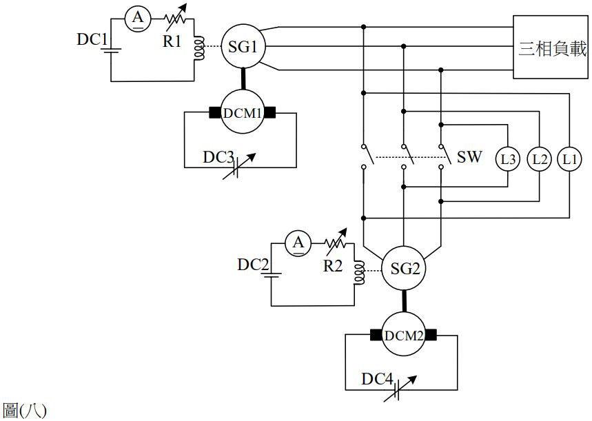
46. 圖(八)所示為兩部三相同步發電機SG1與SG2之並聯操作,永磁式直流電動機DCM1與 DCM2分別為SG1與SG2之原動機,下列敘述何者錯誤? (A) 逐漸增高DC4之電壓值使SG2達同步轉速,降低R2之電阻值使SG2電壓略高於SG1 (B) 逐漸增高DC4之電壓值並降低DC3之電壓值,可增加SG2之有效功率並降低SG1之 有效功率 (C) 若SG2要與SG1並聯時,當燈泡L1與L2明亮而燈泡L3熄滅時可將SW閉合 (D) 逐漸減少R2之電阻值並增加R1之電阻值,可增加SG2之無效功率並降低SG1之無效功率
47. 圖 ( 九 ) 所示為三相感應電動機負載實驗結果,橫軸 P 為機械輸出功率,下列敘述何者正確? (A)曲線1為轉子轉速,曲線2為效率 (B) 曲線3為功率因數,曲線4為定子電流 (C) 曲線2為功率因數,曲線3為效率 (D) 曲線3為轉子轉速,曲線4為定子電流
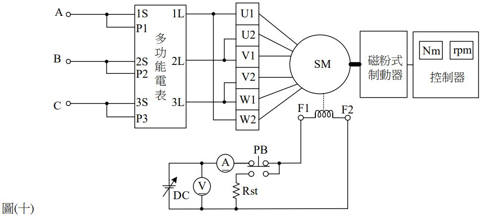
48. 圖(十)所示為三相同步電動機(SM)實驗接線,F1與F2為轉子激磁繞組之滑環端點,若三相A、B 及 C電源電壓保持固定,則下列敘述何者正確?(A) 在固定 DC 電壓時,逐漸增大磁粉式制動器轉矩,原本為 1 之功率因數會逐漸降為 小於1落後 (B) 在固定制動器轉矩時,逐漸降低 DC 電壓,原本小於 1 落後之功率因數會逐漸上升為 1,再下降為小於1超前 (C) 在固定激磁電流時,改變制動器轉矩,記錄電樞電流與功率因數之變化為V形曲線實驗 (D) 在固定制動器轉矩時,改變激磁電流,記錄電樞電流與功率因數之變化為負載特性實驗
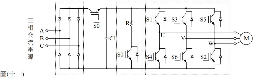
49. 圖(十一)所示為交流電動機(M)之變頻驅動電路,下列敘述何者正確?(A) 變流器U、V 及 W之輸出為電壓固定但頻率可變之交流電,電動機定子磁場維持定值 (B) 電動機之轉速超過同步轉速時,開關 S0 截止,開關S0導通,電阻器R會消耗電能 (C) 當電動機之轉速超過命令值時,電動機開始發電,電能送回三相交流電源 (D) 此變頻驅動電路系統,若要改變電動機之旋轉方向,必須再加裝一個三銅片鼓形開關 或三刀雙投開關
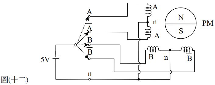
50. 圖 ( 十二 ) 所示為兩相雙繞組永久磁鐵 ( PM ) 型步進電動機,使用 5 V 直流電源手動測試 兩相雙繞組,下列敘述何者正確?(A) 若依之順序各碰觸通電一次,此步進電動機旋轉一步進角 (B) 若依之順序各碰觸通電一次,此步進電動機旋轉一步進角 (C) 若依之順序各碰觸通電一次,此步進電動機旋轉一圈 (D) 若依之順序各碰觸通電一次,此步進電動機旋轉一圈