所屬科目:鋼筋混凝土學與設計
一、一鋼筋混凝土梁斷面尺寸如下所示,配置 6 支#11 拉力筋,4 支#11 壓力筋。混凝土抗壓強度為 280 kgf/cm2,鋼筋降伏強度為 4200 kgf/cm2,求斷面設計彎矩強度為何?需考慮壓力筋對彎矩強度的貢獻。1 支#11鋼筋斷面積為 10.07 cm2。(25 分)
二、一鋼筋混凝土柱斷面尺寸與配筋(12 支#10)如下所示,試計算該斷面受軸力與彎矩聯合作用之設計軸力與彎矩強度(與) 。計算前述強度時,斷面受彎矩方向如圖所示,且斷面下緣應變恰為零。混凝土抗壓強度為 280 kgf/cm2,鋼筋降伏強度為 4200 kgf/cm2。1 支#10 鋼筋斷面積為 8.14 cm2。(25 分)
三、一鋼筋混凝土簡支梁如下所示,受均佈使用等級靜載= 5 tf/m,均佈 使用等級活載= 2 tf/m,試計算跨度中央受持續載重之長時撓度△, 持續載重包括靜載與20%活載。計算未開裂斷面慣性矩時,忽略鋼筋之貢獻,計算開裂斷面慣性矩時,須考慮拉力與壓力鋼筋之貢獻。持 續載重之時間效應因數採 2.0。混凝土抗壓強度為 280 kgf/cm2,鋼筋 降伏強度為 4200 kgf/cm2。1 支#10 鋼筋斷面積為 8.14 cm2。(25 分) 相關公式羅列如下:
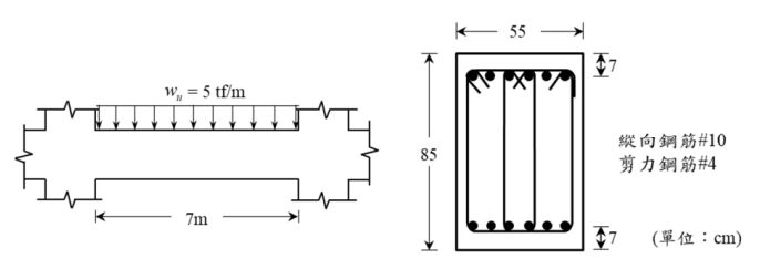
四、一韌性(特殊)抗彎矩構架梁如下所示,該梁受一均佈靜載與活載組合 之設計載重= 5 tf/m,不受軸力作用,剪力鋼筋採#4,試設計梁塑鉸區之剪力鋼筋最大間距。混凝土抗壓強度為 280 kgf/cm2,鋼筋降伏強度為 4200 kgf/cm2。按規範,若地震引致之剪力超過設計剪力之半,且包括地震效應之設計軸壓力小於 ,則設計其剪力鋼筋時,Vc 值應假設 為零。1 支#10 鋼筋斷面積為 8.14 cm2,1 支#4 鋼筋斷面積為 1.27 cm2。 計算梁兩端斷面最大可能彎矩強度時,忽略壓力筋貢獻。(25 分) 混凝土剪力強度公式採。