所屬科目:電機機械
(一)求此操作條件下,每相內部生成電壓 EA 之大小及轉矩角 δ 。(10 分)
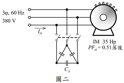
四、額定 35 Hp、380 V、60 Hz、Y 接之三相感應電動機,以 380 V 全壓啟動 時,啟動電流 Ist 為 330 A,功率因數 PFst 為 0.51 落後。若欲降低此電動機之啟動電流至 200 A(落後) ,於啟動時並聯一組△ -接的電容器如圖二 所示,試計算電容 C△ 之值。(20 分)
五、額定 50 馬力、250 V、1200 rpm 的直流並激電動機(DC shunt motor),其等效電路如圖三所示,圖三中電樞電阻 Ra=0.12 Ω,可調式場電阻 Rf=50 Ω, 無載轉速 n0=1200 rpm,無載時電樞電流為零,並激磁場繞組每極為 1000 匝,電樞反應在輸入電流 IL=150 A 時產生 1500 安-匝的去磁磁動勢,此電動機在固定轉速 1200 rpm 時的磁化曲線如圖四所示。考慮磁飽和及電樞反應,計算輸入電流 IL=150 A 時,電動機之有效磁場電流、轉速及轉矩。(20 分)