所屬科目:教甄◆電腦科專業
6. 如圖所示,其輸出 y 為何? (A) C+BA (B) CB+A (C) C+B (D) B+A
23. 寫出下列 C 語言執行後共 print 幾個*? (A) 10 (B) 15 (C) 18 (D) 21
30. 下列電路圖中,R = 18 Ω,r = 6 Ω 則 I 為何? (A) 4 A (B) 6 A (C) 7 A (D) 8 A
31. 下列電路圖中,求 R 值為多少? (A) 20 Ω (B) 17.5 Ω (C) 15 Ω (D) 10 Ω
32. 下列電路圖中,其 I1 網目之電流方程式應為何? (A) 7I1 – 4I2 – 3I3 = 22 (B) 7I1 – 4I2 – 3I3 = 18 (C) 7I1 – 4I2 – 3I3 = -20 (D) 7I1 – 4I2 – 3I3 = 20
33. 下列電路圖中,已知圖中電流 I = 5A,試求電壓源 VS 為多少? (A) 25 V (B) 50 V (C) 75 V (D) 100 V
34. 下列電路圖中,求 I 為多少? (A) 5.5 mA (B) 7.5 mA (C) 10 mA (D) 12.5 mA
37. 下列程式輸出為何? (A) 1 2 (B) 2 3 (C) 1 3 (D) 3 1
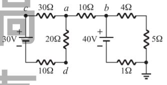
40. 下列電路圖中,d 電位為多少? (A) 56 V (B) 50 V (C) 30 V (D) 26 V
44. 如圖所示,為何種型式之正反器? (A) T 型正反器 (B) JK 正反器 (C) D 型正反器 (D) R-S 正反器
45. 下列程式輸出為何? (A) e (B) H (C) l (D) o
46. 下列程式輸出為何? (A) 11 (B) 12 (C) 13 (D) 14
47. 下列程式輸出為何? (A) 8 4 4 (B) 4 4 8 (C) 1 4 8 (D) 2 4 8
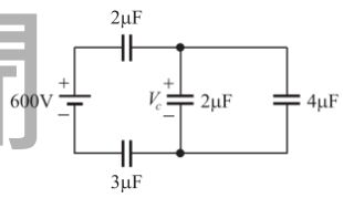
50. 如下電路圖所示,其 Vc 之電壓為多少? (A) 100 V (B) 200 V (C) 300 V (D) 400 V