所屬科目:捷運◆電子概論
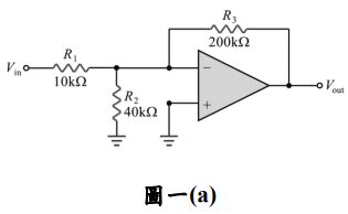
二、(一)如圖一(a)所示之電路,求輸入電阻(Rin)及電壓增益(Vout/Vin) 分別為何?(10 分)
(二)如圖一(b)所示之反相放大器電路,求 R1及 R2值,使得電壓增益為-10,輸入電阻為 50kΩ。(10 分)
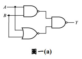
三、(一)化簡圖一(a)電路的最簡布林式。(10 分)
(二)化簡圖一(b)電路的最簡布林式。(10 分)
(二)如圖二所示之變壓器耦合串級放大器,各級之電壓增益分別 如圖中之標示,則此電路之總電壓增益為多少分貝? (10 分)