所屬科目:一二三等大管輪◆電機電子與自動控制
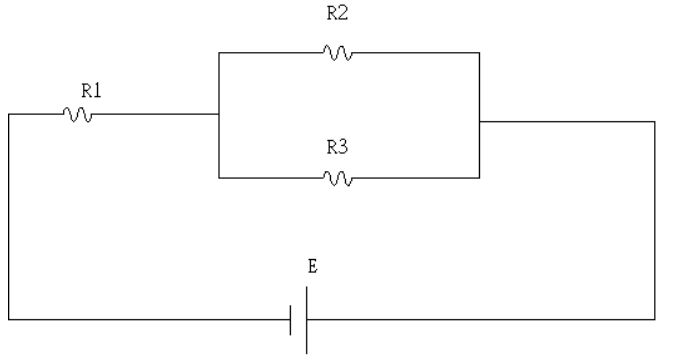
3.如圖12當E=120V、R1=2歐姆、R2=3歐姆、R3=6歐姆,求總電流I。 (A)I=10A (B)I=20A (C)I=30A (D)I=40A
4.一部三相、4極、60Hz、220伏、 △接線、2HP的繞線式感應電動機,其轉子為Y接,轉子每相之線圈數與定子每相的線圈數之比為1:4。滿載轉速為1740rpm,轉子的電阻為0.193歐姆,轉子堵轉時之電抗為0.71歐姆,若忽略定子電阻及漏電抗的壓降 ,試求:滿載時轉子的銅損? (A)40.4W (B)51.4W (C)60W (D)55W
5.如圖29,試求I1。(A)0.161A (B)0.323A (C)0.645A (D)1.613A
6. 如圖40,求電流源的功率? (A)95W (B)100W (C)105W (D)110W
7.如圖44的電路具有二個串聯電阻及二個獨立的直流電源,請問流過5KΩ的電流大小及其方向:(A)1mA,往右 (B)1mA,往左 (C)3mA,往右 (D)3mA,往左
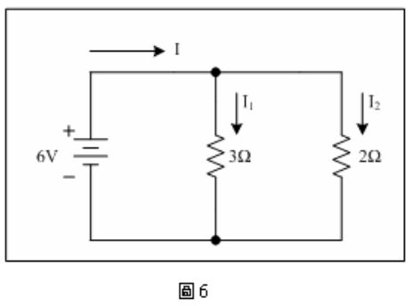
9.試求圖6之總電阻。 (A)=6/5Ω (B)=5Ω (C)=5/6Ω (D)=1Ω
19. 下圖之電路,V=30伏特,: R1=15Ω,R2=30Ω,R3=10Ω,其戴维寧等效電阻為多少Ω(A)20 (B)30 (C)45 (D)50
20.三相△接法的電路,若相電壓之有效值為Vp,則線電壓之有效值VL為: (A)VL=Vp (B)VL=(C)VL=(D)VL=
22.三相同步發電機之極數為P,旋轉轉速N(RPM),為磁通,則其產生之電源頻率為 : (A)PN/120 (B)120/PN (C)(D)
39. 於Δ—Δ接線中若有一相故障則變成V—V接線,Δ接線的線電壓與線電流若為V與I,對 V形而言,其電壓不變,但線電流與相電流相同,其線電流的大小為何? (A)(B)I (C)(D)I/3
40. 如下圖所示,求ab兩端所得戴維寧等效電路中等效電阻Rth為何 ? (A)8.5Ω (B)5.5Ω (C)4Ω (D)3Ω
41. 一個電阻器其電阻值為5Ω,且其兩端的電壓為v(t)=,求其實功率(平均功率)為何? (A)100W (B)40W (C)20W (D)10W