所屬科目:高中技藝◆電腦修護
1. 一個四條色環的電阻,其色環顏色為「棕黑金金」,其電阻值為? (A)0.1Ω (B)1Ω (C)10Ω (D)100Ω。
2. 一個五條色環的電阻,其色環顏色為「綠藍黑紅紅」,以下敘述何者正確? (A)誤差為±1% (B)電阻值為5.6KΩ (C)誤差為±5% (D)電阻值為56KΩ。
3. 利用串列傳送方式傳輸資料,每傳送一個位元組需要一位元的起始位元與一位元的停止位元,今傳送8K位元組的檔案大約耗時8.53秒,請問此串列傳輸之鮑率為何?若無完全相同的答案請選最接近者。_______bps。 (A)9600 (B)4800 (C)2400 (D)1200
4. 假設想要將一個64K×1的DRAM,擴展為1M×8的記憶空間,請問需要幾顆64K×1的DRAM? (A)256顆 (B)128顆 (C)64顆 (D)32顆。
5. 十六進制0.15換成八進制為下列何值? (A)0.34 (B)0.051 (C)0.052 (D)0.31。
6. 網路線若採用TIA/EIA 568B,下圖兩箭頭標示的這對線為?
(A)白橘、橘 (B)白藍、藍 (C)白綠、綠 (D)白棕、棕。
7. 下圖電阻串、並聯圖,若每一個電阻的阻值為10KΩ,請問其等效電阻RT=?
(A)30KΩ (B)3KΩ (C)3.33KΩ (D)10KΩ。
8. 下圖邏輯符號的等效邏輯閘為
(A)OR (B)AND (C)NOR (D)NAND。
9. 下列卡諾圖的輸出式=?。
(A)(B)(C)B+D(D)BDQ
10. 若使用者必須採用4個JK正反器才能設計出一除N之漣波計數器,假設以較少的JK正反器能設計出的電路,使用者不得增加正反器數量來實現,請問N最可能的範圍為何? (A)9≤N≤16 (B)8≤N≤15 (C)17≤N≤32 (D)2≤N≤16。
11. 下圖所示電路,若於輸入端加入一1MHz之方波信號,則輸出端方波頻率為?
(A)1MHz (B)500KHz (C)250KHz (D)125KHz。
12. 下面運算放大器電路中R1=R2=R3,其電阻色碼為棕黑紅金,C1上標示104,請問此電路的臨界頻率=?
(A)0.159Hz (B)15.9Hz (C)159Hz (D)1.59KHz。
13. 下列何者並非理想運算放大器的特性:(A)Voltage Gain ∞ (B)Output Impedance ∞ (C)Input Impedance ∞(D)Bandwidth ∞。
14. 求下圖電路中A點到B點之電流?
(A) (B) (C)1.2 (D)。
15. 關於以下橋式整流敘述,何者有誤? (A)需要4顆diode (B)輸出電壓Vrms (有效值)≈0.707Vm(最大值) (C)輸出電壓之脈動直流頻率為電源頻率的2倍 (D)橋式整流是整流電路中最簡單的電路。
16. 關於以下網路釣魚的敘述何者正確? (A)架設釣魚網站觸犯的是詐欺罪 (B)網路釣魚的目的是讓電腦中毒 (C)安裝防毒軟體可以完全避免遭受網路釣魚攻擊 (D)網路釣魚所用的網址與原單位網址相同。
17. 關於在網路傳送資料之敘述何者有誤? (A)將傳送的資料加密可避免資料外洩 (B)將密文轉變成明文的過程稱為解密 (C)對稱式金鑰密碼系統是採用兩把不同的金鑰進行加密與解密 (D)公開金鑰可以公諸大眾。
18. 有關網路防火牆之敘述何者有誤? (A)防火牆可以過濾特定IP傳送進來的封包 (B)可以避免員工將內部機密資料送出 (C)能阻擋外來入侵者對內部網路的掃描 (D)能阻止病毒、木馬程式與其他惡意程式的攻擊。
19. 運算式 A+B/C-D×E之前序表示式為? (A)+/-×ABCDE (B)×-/+ABCDE (C)-/+ABC×DE (D)-+A/BC×DE。
20. 運算式 A+B/C-D×E之後序表示式為? (A)ABC/+DE×- (B)-+A/BC ×DE(C)ABCDE/+×- (D)ABCDE+/-×。
21. 想要以2對1多工器組成16對1多工器,在不增加其他元件的條件下,請問需要幾個不具致能(Enable)的2對1多工器? (A)20 (B)15 (C)10 (D)5。
22. 資料傳輸時採用偶同位檢查,同位檢查位元為LSB,請問下列資料何者正確? (A)101010101 (B)010101011 (C)101010100 (D)010101000。
23. USB 3.0對於高速傳輸設備最高可提供? _______的傳輸頻寬。(A)約480Mbps (B)約1Gbps (C)約2.5Gbps (D)約5Gbps
24. 當數值「2.5」要被放入變數中,請問程式中變數應該宣告為? (A)浮點數 (B)整數 (C)字元 (D)長整數。
25. 工程師採用B類推挽式放大器取代A類放大器,其最可能原因為? (A)失真小 (B)效率較高 (C)線路最簡單 (D)避免交越失真。
26. 下列敘述何者錯誤? (A)IPv6 Address共有128bits (B)IPv4 Address共有32bits (C)IPv6 Address是32個10進制數字組合而成 (D)「127.0.0.2」是IPv4 Loopback位址。
27. 關於網址名稱敘述何者有誤? (A)政府單位一般採用「.org」 (B)公司行號一般採用「.com」 (C)各級學校一般採用「.edu」 (D)網際網路服務供應商一般採用「.net」。
28. 請問「203.64.215.64」是哪一等級的IP? (A)Class A (B)Class B (C)Class C (D)Class D。
29. 下列哪一個IP是私有IP? (A)140.113.17.154 (B)172.31.201.177 (C)192.169.1.23 (D)11.10.10.10。
30. 對於網路IP位址172.16.101.0/23,下列敘述何者正確? (A)與172.16.100.130同網段 (B)172.16.100.127為broadcast (C)subnet mask為255.255.255.128 (D)HOST ID有23 bits。
31. 下列軟體中何者不具備檔案壓縮功能? (A)7-zip (B)Winzip (C)Winrar (D)Flash。
32. 下圖電路為哪一型式的濾波電路?
(A)High Pass Filter (B)Low Pass Filter (C)Band Pass Filter (D)Band Reject Filter。
33. 下列何者是屬於Parallel Interface? (A)Universal Serial Bus (B)RS232C (C)Line Printer Terminal (D)Serial Advanced Technology Attachment。
34. WiFi頻率2.4GHz,請問WiFi電磁波的波長為? (A)1.25公尺 (B)0.125公尺 (C)1.25 ×10-3公尺 (D)1.25×10-6 公尺。
35. 有關補數運算何者錯誤? (A)2的補數是1的補數加1 (B)採用補數可以透過加法器進行二個數值的減法運算 (C)1的補數是將2進位的數值其每個位元各自用反閘運算後產生 (D)2的補數是將2進位的數值其每個位元各自用反閘運算後產生。
36. 下列敘述何者有誤? (A)程式中呼叫副程式與執行完畢後的返回採用Queue (B)Stack是一種FILO結構 (C)Queue是一種FIFO結構 (D)由Stack取出資料的指令為POP。
37. 關於下列協定與使用的預設埠號(Default Port Number)敘述何者有誤? (A)SMTP is 25 (B)Web Server is 80 (C)Telnet is 53 (D)FTP is 20 and 21。
38. 一微處理器共有20條Address Bus 與64條Data Bus,最多可以直接連接多少容量的記憶體?_______Bytes。 (A)32M (B)16M (C)8M (D)4M
39. 一微處理器的工作頻率為1GHz,微處理器執行一個指令需要4個時脈週期,則此微處理器的執行速度為? (A)4MIPS (B)4000MIPS (C)0.25MIPS (D)250MIPS。
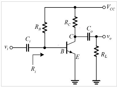
40. 下列何種記憶體無法抹除內部儲存資料? (A)MASK ROM (B)FLASH ROM (C)EPROM (D)EEPROM。
41. 下列何種記憶體斷電後儲存的資料會消失? (A)FLASH ROM (B)MASK ROM (C)SRAM (D)EPROM。
42. 下列C語言片段程式輸出結果為何?
(A)5 (B)20 (C)15 (D)程式語法錯誤。
43. 下列C語言片段程式輸出結果為何?
(A)45 (B)55 (C)66 (D)10。
44. 下列C語言片段程式輸出結果為何?
(A)150 (B)130 (C)190 (D)170。
45. 下面程式執行結果為?
(A)120 (B)55 (C)24 (D)720。
46. 下列程式最後輸出值為?
(A)3, 4, 7 (B)3, 4, 0 (C)4, 3, 7 (D)4, 3, 0。
47. 以下何種電路不屬於BJT電晶體的基本放大器電路? (A)Common Emitter (B)Common Base (C)Common Gate (D)Common Collector。
48. 下圖電路中,RB=500KΩ、RC=4.7KΩ、VCC=10.7V、β=100,請問集極與射極電壓VCC為以下何者?若無完全相同的答案請選最接近者。
(A)4.7V (B)10.7V (C)6.7V (D)1.3V。
49. 下面電路中,RB=500KΩ、RC=4.7KΩ、IB=0.02mA、β=100,請問在室溫下(VT=26mV)時,由端看入的總輸入電阻為以下何者?若無完全相同的答案請選最接近者。
(A)26Ω (B)13KΩ (C)2.6KΩ (D)1.3KΩ。
50. 下面邏輯電路輸出F為
(A) (B)A (C)0 (D)1。