所屬科目:專科學力鑑定◆專(二):機械元件設計
1.一簡支樑受力位置與大小如圖(一)所示,若不考慮樑的自重,該橫樑承受的最大彎曲力矩為多少N-m?(A)1200(B)1400(C)1600(D)1800
2.發電機的機械效率為70%,馬達之機械效率為90%,則兩者在一起使用時,總機械效率為多少%?(A)160(B)63(C)72(D)80
3.一圓形斷面之樑,直徑10cm,受到314kg橫向剪力作用,則在斷面之圓心上所受之剪應力最接近多少kg/cm2?(A)0(B)3(C)4(D)5
4.有一寬5cm,高10cm之矩形截面樑,若承受1000kg之剪力作用,則其產生之最大剪應力為多少kg/cm2?(A)20(B)30(C)40(D)60
5.傳動軸之臨界轉速與下列何者無關?(A)楊氏係數(B)荷重(C)轉速(D)軸徑
6.一圓盤離合器,單面接觸摩擦,墊片內徑為100mm,外徑250mm,摩擦面之接觸平均壓力為0.7MPa,摩擦係數為0.2,求此離合器之傳遞扭距為多少N-mm?(A)5.36×105(B)5.2×104(C)5.2×103(D)5.36×102
7.6mm之填角熔接,焊道長50mm承受沿焊道方向之13000N穩定負荷,若熔接金屬=350Mpa,求=?(A)1.25(B)2.86(C)3.64(D)4.28
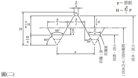
8.一公制螺紋之直徑為16mm、節徑為2mm,如圖(二)所示,求其節圓直徑為多少mm?(A)14.83(B)14.70(C)13.83(D)13.70
9.滑動軸承的最大優點是:(A)可用於高速旋轉(B)可承受較大負荷(C)互換性大(D)傳達效率較高
10.常態機率密度分布曲線下,距離平均值左右各一倍標準差以外所包圍面積佔全部曲線的多少百分比?(A)68.27%(B)99.74%(C)31.74%(D)0.26%
11.螺旋扭轉彈簧被用來提供對螺旋線軸的一對扭矩,下列何種應用一般不是使用此彈簧?(A)家中紗門的轉軸(B)機車電門上的油箱蓋開關(C)內燃機汽缸的進出氣閥門座(D)車門手把
12.量測五個樣品長度的數據如下:150mm、400mm、720mm、500mm、930mm。下列敘述何者正確?(A)樣品長度的平均數是500mm,中位數為500mm(B)樣品長度的平均數是540mm,中位數為720mm(C)樣品長度的平均數是540mm,中位數為500mm(D)樣品長度的平均數是500mm,中位數為720mm
13.鎖固螺帽時,下方放置彈性墊圈的主要目的為何?(A)提高螺帽的強度(B)防止螺帽回鬆(C)減少螺紋間的壓力(D)增加螺栓的剛性
14.螺紋連接方式基本元件有螺栓、螺樁、螺釘與螺帽,其中何者多用於連接件較厚或材料較軟,又經常要裝卸的場合?(A)螺栓(B)螺樁(C)螺釘(D)螺帽
15.火車輪軸受力情況如圖(三)所示,如果該輪軸是在持續轉動的狀況下,在不考慮輪軸本身的重量時,關於該輪軸中間截面應力之敘述,下列何者正確?(A)截面上是平均分布的應力(B)截面之應力不會隨時間變化(C)截面之應力是平均應力不為零的變動應力(D)截面之應力是平均應力為零的變動應力
16.關於螺紋的敘述,下列何者錯誤?(A)三角螺紋多用於連接件(B)梯形螺紋多用於傳遞動力和運動,在一些場合也會用方形螺紋和鋸齒狀螺紋(C)三角螺紋可用車削或滾製(D)方形螺紋因牙型角為零,容易精確加工
17.圖(四)之齒輪系,若齒輪A之轉速為1200rpm,求齒輪C之轉速為多少rpm?(A)1800(B)1200(C)960(D)800
18.若內徑都相同,下列哪一個軸承外徑最大?(A)00(B)02(C)03(D)04
19.量測A和B兩種樣品的長度數據如下:A樣品150mm、400mm、720mm、500mm、930mmB樣品50mm、200mm、150mm、400mm、750mm、400mm、150mm下列敘述何者正確?(A)A樣品的數量比B樣品的數量多(B)A樣品的全距比B樣品的全距小(C)A樣品的中位數比B樣品的中位數小(D)A樣品的平均數比B樣品的平均數大
20.鍊條傳動時,緊邊張力為150kg,平均線速度為15m/min,可傳送多少馬力?(A)0.5(B)0.8(C)1.2(D)2.5
21.下列何者為國際標準化機構之簡稱?(A)JIS(B)AISI(C)CNS(D)ISO
22.零件製造時允許尺寸有一定差異,最大尺寸與最小尺寸之差,我們稱之為:(A)配合(B)基孔制(C)公差(D)表面粗度
23.從厚度0.9mm的軟鋼板打穿直徑100mm的圓板所必要的力為多少kg?(設抗剪強度為40kg/mm2)(A)5250.8(B)11309.7(C)8934.2(D)13621.5
24.下列何種情況,不需考慮應力集中之影響?(A)延展性材料受週期負荷(B)延展性材料受靜負荷(C)脆性材料受靜負荷(D)延展性材料受衝擊負荷
25.欲傳達兩長距離軸動力,且要求無噪音、轉速比準確,下列何者最適合?(A)摩擦輪(B)普通皮帶輪(C)齒輪(D)無聲鍊輪
26.有一個球形壓力容器,直徑1m,厚度5cm,當其內之氣體壓力為4MPa時,容器的板材所承受的應力為多少MPa?(A)20(B)30(C)40(D)50
27.一般滑動軸承之摩擦係數與下列何者無關?(A)潤滑劑黏度(B)轉速(C)軸承壓力(D)軸承強度
28.一皮帶輪,直徑分別為40cm及20cm,中心距200cm,則使用交叉帶與開口帶之長度差為多少mm?(A)60(B)50(C)40(D)30
29.一外徑為150mm之無縫鋼管,其允許張應力為5kgf/mm2,若其管內壓力P=1kgf/mm2,則壁厚需為多少mm?(A)15(B)20(C)25(D)30
30.皮帶輪若用交叉式皮帶法,下列敘述何者錯誤?(A)大輪之接觸角恆大於小輪之接觸角(B)兩軸轉向相反(C)兩軸之轉速比與皮帶輪直徑成反比(D)若緊邊與鬆邊力差越大,則可傳遞馬力越大
31.一傳動軸之傳遞功率為117kW,傳動軸的運轉轉速為2250rpm,此傳動軸所承受之扭距為多少N-m?(A)98(B)249(C)497(D)594
32.兩相同板狀材料,以厚1.5cm及寬20cm之橫斷面完成對頭焊接,若焊接處之容許拉應力為500kg/cm2,則此焊接板可承受之最大拉力為若干kg?(A)3750(B)7500(C)15000(D)22800
33.設有一直徑1cm的單剪受力,鉚釘受力3.14kg,則其剪應力為多少kg/cm2?(A)1(B)2(C)3(D)4
34.在設計一個新的壓縮彈簧時,首先要知道的條件不包含下列何者?(A)工作時負荷與撓度的關係(B)容納彈簧的空間大小(C)彈簧的材料(D)外在的環境,例如溫度的高低
35.關於齒輪材料的選擇,下列敘述何者錯誤?(A)受負荷的性質和大小影響,常承受大負荷和衝擊,可選擇滲碳表面硬化的合金鋼,內部仍維持低硬度高韌性(B)線速度越大者加工精度需求越高,機械性質也要越好(C)齒面強度的搭配,小齒輪的強度或硬度均要低於大齒輪,這樣兩者的壽命才會大致相同(D)要容易熱處理,尤其合金鋼的特性只有適當熱處理才能展現出來,避免造成齒形的修整問題
36.兩個齒輪嚙合,壓力角為20°,若齒輪之模數為5,則此齒輪組之基圓節距多少mm?(A)15.71(B)14.75(C)13.79(D)12.73
37.一延展性金屬材料之降伏強度(yield strength)為340MPa(N/mm2),則依據變形能理論(distortion energy theory)其降伏剪強度(jield strength in shear)應為多少MPa?(A)196(B)241(C)170(D)588
38.關於耐久限(endurance limit)的敘述,下列何者錯誤?(A)耐久限是材料可達到無限長壽命(infinite life)的最大疲勞應力值(B)耐久限是材料的性質與最大拉伸強度(ultimate strength)有關係(C)材料的耐久限是用小型標準試件試驗測得(D)實際的耐久限可以直接引用材料的耐久限
39.材料之S-N圖中的疲勞壽命範圍,對於鐵系材料一般可以區分為低週疲勞(low-cycle fatigue)及高週疲勞(high-cycle fatigue)兩種狀況,其中壽命達到一定程度就可定義為無限長壽命(infinitelife)。下列敘述何者錯誤?(A)疲勞壽命指的是應力循環的次數(B)低週疲勞是指小於103週次的疲勞壽命(C)無限長壽命是指大於106以上的疲勞壽命(D)耐久限(endurance limit)是指無限長壽命的實質壽命上限
40.一截面為均勻圓形之掛勾,上方以繩索固定自然垂降,下方吊掛一重物後,其受力之狀況如圖(五)所示,下列敘述何者正確?(A)A-A截面內的最大應力位置在掛勾最內側且是拉應力(B)A-A截面內的最大應力位置在掛勾最外側且是拉應力(C)A-A截面內的最大應力位置在掛勾最內側且是壓應力(D)A-A截面內的最大應力位置在掛勾最外側且是壓應力
41.壓縮彈簧為了跟兩端的承靠面可以具有垂直與穩定的接觸,會將原來螺旋狀的兩個普通端,如圖(六)–a所示,改成以閉合的方式纏繞,如圖(六)–b所示。如此一來,下列敘述何者正確?(A)此時閉合端之彈簧的無效圈數是1(B)兩邊的閉合端如果進一步磨平時,無效圈數是0(C)兩邊普通端如果磨平時,無效圈數是1(D)兩邊的閉合端如果進一步磨平時,無效圈數是1
42.彈簧及其受力變形前後的樣態如圖(七)所示,若受力P的大小隨時間變化,則下列敘述何者正確?(A)這是扭簧(torsionalspring)(B)這是板簧(leafspring)(C)它受的應力主要是剪切應力(D)這種狀況無需考慮疲勞問題
43.一吊車之減速機構如圖(八)所示,由6個齒輪所構成,其齒數分別為:,若馬達轉速為1800rpm,求絞盤之轉速約為多少rpm?(A)50(B)60(C)70(D)80
44.A、B兩機械元件,其長度之尺寸分別為45±0.035mm及25±0.045mm,則兩機械元件沿長度連接後,其總長度之尺寸為多少mm?(A)20±0.01(B)70±0.01(C)70±0.08(D)80±0.08
45.一空心圓軸,外徑為100mm,內徑為64mm,若該轉軸材質容許的最大剪應力為20MPa,則該轉軸可承受的最大扭矩約多少N-m?(A)2800(B)3300(C)3800(D)4300
46.機械元件某位置的應力狀態為:=80MPa、=0MPa、=30MPa,其最大主應力之大小為多少MPa?(A)110(B)90(C)70(D)50
47.蓋爾伯疲勞失效曲線(GerberLine),其應力座標平面的縱橫軸座標,分別是取何種材料強度做為曲線的截距?(A)縱座標取降伏強度,橫座標取疲勞強度(B)縱座標取疲勞強度,橫座標取抗拉強度(C)縱座標取抗拉強度,橫座標取降伏強度(D)縱座標取疲勞強度,橫座標取降伏強度
48.一機械元件使用之材料的缺口敏感度(notchsensitivity)為0.5,若其應力集中因子為1.5,則其疲勞應力集中因子為何?(A)1.5(B)1.45(C)1.35(D)1.25
49.一單槽滾珠軸承(ballbearing),若其等效之徑向負荷減為一半時,則其預期壽命可增為原來的多少倍?(A)2(B)4(C)8(D)16
50.為了避免齒輪的干涉,最好的方法便是切除或消除齒輪曲線上的漸開線,下列常用的方法中何者正確?(A)避免因使用轉成法或創成法(generation)(B)減少小齒輪的齒數(C)減小壓力角(D)增高齒冠高度