所屬科目:電子學
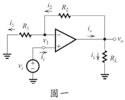
一、已知一理想運算放大器(Ideal-op,如圖一所示)之電路參數:電阻 R1=2 kΩ、 R2=8 kΩ與 RL=2 kΩ,輸入電壓(vi)為 1 V,請計算此電路:電壓增益(Av)之分貝 dB 值及功率增益(Ap)之分貝 dB 值。(25 分)
二、已知一場效電晶體(FET,如圖二所示)之電路參數:VTN=0.8 V、Kn=1 mA/V2、 λ=0、IDQ=0.5 mA。請繪小訊號之等效電路圖並求其轉導(gm)值及求小訊號之電壓增益(Av=vo/vs)。(25 分)
三、已知一雙極性接面電晶體(BJT,如圖三所示)之電路參數:β =125、VA= ∞、 VCC=18 V、RL=4 kΩ、RE=3 kΩ、RC=4 kΩ、R1=25.6 kΩ、R2=10.4 kΩ。求 Q 點之電壓(VCEQ)值、Rm = vo/is及小訊號電壓增益(Av = vo/vs)。(25 分)
(二)假設此 RO 中的比較器輸出為±10 V,求其三角波之振幅(VUTP 與 VLTP) 值。(10 分)