阿摩線上測驗
登入
首頁
>
技檢◆油壓-丙級
> 113年 - 113-1 全國技術士技能檢定學科_丙級:07900油壓#127573
113年 - 113-1 全國技術士技能檢定學科_丙級:07900油壓#127573
科目:
技檢◆油壓-丙級 |
年份:
113年 |
選擇題數:
80 |
申論題數:
0
試卷資訊
所屬科目:
技檢◆油壓-丙級
選擇題 (80)
1. 限時電驛(Timer)不包含下列那一種型式? (A)數字型 (B)固態型 (C)油壓型 (D)馬達型。
2. 液壓油劣化受何種因素影響最大 (A)油溫 (B)壓力 (C)氣泡 (D)含水量。
3. 下列何者較適於低壓用管? (A)不銹鋼管 (B)銅管 (C)鋼管 (D)鋁合金管。
4.
左圖為________之符號。 (A)雙連泵 (B)複合泵 (C)壓力補償式可變排量型泵 (D)兩段泵
5. 軸向式斜軸型柱塞泵在旋轉軸與油缸組中心形成一 α 角度,此角度愈大表示 (A)輸出流量愈多 (B)行程愈短 (C)油溫越低 (D)輸出流量愈少。
6. 下列何者為流量計之符號 (A)
(B)
(C)
(D)
。
7. 下列管路常用於航空器材液壓動力系統者為何? (A)鋁合金管 (B)鋼管 (C)銅管 (D)不銹鋼管。
8. 油壓管路內,調壓閥之設定壓力若為 50kgf/cm
2
,則其絕對壓力應為_________kgf/cm
2
。 (A)52 (B)50 (C)49 (D)51
9. 為防止脈動壓力衝擊壓力計指針,造成指針之突發跳動,在一般壓力計內部充填可能是 (A)液壓油
(B)甘油 (C)煤油 (D)水。
10. 下列有關工作場所安全衛生之敘述何者有誤? (A)勞工應定期接受健康檢查 (B)事業單位應備置足夠的零食自動販賣機 (C)事業單位應備置足夠急救藥品及器材 (D)對於勞工從事其身體或衣著有被污染之虞之特殊作業時,應備置該勞工洗眼、洗澡、漱口、更衣、洗濯等設備。
11. 依勞動基準法規定,下列何者屬不定期契約? (A)特定性的工作 (B)臨時性或短期性的工作 (C)有繼續性的工作 (D)季節性的工作。
12. 欲絞 PT 1/4"英制管牙其導孔直徑為 (A)ψ6.5 (B)ψ16 (C)ψ11 (D)ψ8.5。
13. 下列何者為油壓作動的三要素? (A)大小、時間、速度 (B)大小、方向、時間 (C)大小、方向、速度 (D)方向、時間、速度。
14. 三相感應電動機啟動時,轉矩最大之啟動方法為 (A)直接啟動 (B)一次電阻啟動 (C)自動變壓器啟動
(D)Y-△啟動。
15. 台灣是屬缺水地區,每人每年實際分配到可利用水量是世界平均值的約多少? (A)1/2 (B)1/6 (C)1/5
(D)1/4。
16. 電磁開關上積熱電驛主要目的在保護 (A)短路電流 (B)接地 (C)過載電流 (D)斷線。
17. 下圖之邏輯表示式(或布林代數式)為
(A)A‧B=B‧A (B)A+A=1 (C)A+B=B+A (D)A+B=1。
18. 以一個液壓泵輸出的液壓油來推動兩個需同步運動的液壓缸時,可應用______來代替兩個壓力溫度補償型流量調整閥。 (A)停止閥 (B)節流閥 (C)分流閥 (D)速度閥
19. 電氣設備裝設於有潮濕水氣的環境時,最應該優先檢查及確認的措施是? (A)有無過載及過熱保護設備 (B)有無可能傾倒及生鏽 (C)有無在線路上裝設漏電斷路器 (D)電氣設備上有無安全保險絲。
20. 下列關於個人資料保護法的敘述,下列敘述何者錯誤? (A)公務機關依法執行公權力,不受個人資料保護法規範 (B)不管是否使用電腦處理的個人資料,都受個人資料保護法保護 (C)身分證字號、婚姻、指紋都是個人資料 (D)我的病歷資料雖然是由醫生所撰寫,但也屬於是我的個人資料範圍。
21. 泵中能夠達到更高壓力的是 (A)離心泵 (B)軸流泵 (C)活塞泵 (D)齒輪泵。
22. 為了節能及兼顧冰箱的保溫效果,下列何者是錯誤或不正確的做法? (A)冰箱內食物擺滿塞滿,效益最高 (B)食物存放位置紀錄清楚,一次拿齊食物,減少開門次數 (C)冰箱內上下層間不要塞滿,以利冷藏對流 (D)冰箱門的密封壓條如果鬆弛,無法緊密關門,應儘速更新修復。
23. 在順序控制中,綜合所檢出的結果,行使決定並發佈控制命令的控制稱為 (A)回饋控制 (B)連續動作控制 (C)時限控制 (D)條件控制。
24. 下列何者與職場母性健康保護較不相關? (A)職業安全衛生法 (B)性別平等工作法 (C)動力堆高機型式驗證 (D)妊娠與分娩後女性及未滿十八歲勞工禁止從事危險性或有害性工作認定標準。
25. 手工鋸鋸削薄鋼管時,應選用鋸條之齒數為每 25.4 公釐_______齒。 (A)18 (B)24 (C)32 (D)14
26. 下列對於感電電流流過人體的現象之敘述何者有誤? (A)痛覺 (B)血壓降低、呼吸急促、精神亢奮 (C)強烈痙攣 (D)顏面、手腳燒傷。
27. 如下圖所示之符號為
(A)導壓開通引導式逆止閥 (B)梭動閥 (C)導壓關閉引導外洩式逆止閥 (D)逆止閥。
28. 大雄擔任公司部門主管,代表公司向公務機關投標,為使公司順利取得標案,可以向公務機關的採購人員為以下何種行為? (A)為社交禮俗需要,贈送價值昂貴的名牌手錶作為見面禮 (B)為避免報價錯誤,要求提供底價作為參考 (C)為了解招標文件內容,提出招標文件疑義並請說明 (D)為與公務機關間有良好互動,招待至有女陪侍場所飲宴。
29. 迴路系統中,有一部分致動器,其作動壓力為溢流閥所設定壓力之半時通常我們使用那種閥類 (A)順序閥 (B)減壓閥 (C)配衡閥 (D)卸載閥。
30. 下列何種生活小習慣的改變可減少細懸浮微粒(PM
2 . 5
)排放,共同為改善空氣品質盡一份心力? (A)少吃燒烤食物 (B)每天喝 500cc 的水 (C)使用吸塵器 (D)養成運動習慣。
31. 選用無熔絲開關特性時,應留意 (A)啟動電流、連續使用電流 (B)啟動電流、跳脫電流 (C)框架電流、跳脫電流 (D)框架電流、連續使用電流。
32. 一般蓄壓器之氮氣壓力為最高使用壓力之 (A)80% (B)60% (C)70% (D)50%。
33. 油壓用過濾器網孔(mesh)其粗細度可用網孔數代表,網孔數愈多表示粗細度愈細,所謂 200 網孔是指__________之正方形,由橫直各 200 條鋼絲所構成。 (A)1mm (B)1 吋 (C)1cm
2
(D)1 呎
34. 利用三用電表歐姆檔量測 NPN 電晶體接腳時,第一腳接黑棒,紅棒分別接第二、三支腳時,均為很小電阻,則第一腳為 (A)射極 (B)陰極 (C)基極 (D)集極。
35. 液壓油在管路中,各閥口節流所造成的壓力損失與下列何者因素無關 (A)閥口壓力降 (B)阻力係數 (C)油溫 (D)閥口截面積。
36. 何種氣體預先充於工業用的油壓蓄壓器 (A)氬氣 (B)純氧 (C)乾燥的氮氣 (D)乾淨的壓縮空氣。
37. 直立油壓缸裝修時,應在下列何者位置裝修? (A)任何位置 (B)中間位置 (C)上升至頂 (D)下降至底。
38. 那一種家庭廢棄物可用來作為製造肥皂的主要原料? (A)回鍋油 (B)食醋 (C)果皮 (D)熟廚餘。
39. 一般快速液壓缸常採用 (A)活塞環 (B)L 型襯墊 (C)U 型襯墊 (D)V 型襯墊。
40. 改變液壓油的流量,即可改變致動器(Actuator)的 (A)作用力 (B)運動速度 (C)運動方向 (D)作用時間。
41. 油壓管路中,如果某流路的流速加快,則該處壓力將 (A)下降 (B)升高 (C)不變 (D)無關。
42. 如下圖所示之符號為
(A)順序閥 (B)卸載閥 (C)溢流閥 (D)減壓閥。
43. 溢流閥(relief valve)的前漏特性(override)加大,表示其性能 (A)視情況而定 (B)變差 (C)不變 (D)變好。
44. 電流表指針偏轉角度與電流大小成 (A)正比 (B)平方反比 (C)反比 (D)平方正比。
45. 用於防止流體倒流的閥是 (A)旋塞閥 (B)止回閥 (C)蝶型閥 (D)減壓閥。
46. 調壓閥的調壓彈簧彈性係數愈大,則其靈敏度 (A)愈高 (B)不受影響 (C)時高時低 (D)愈低。
47.
左圖符號為 (A)氣壓馬達 (B)擺動式液壓缸 (C)雙動型液壓缸 (D)擺動式氣壓缸。
48. 下列何者為外部排洩之引導操作止回閥? (A)
(B)
(C)
(D)
。
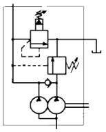
49. 下圖為
(A)量出(meter-out)調節迴路 (B)壓力保持迴路 (C)量入(meter-in)調節迴路 (D)順序迴路。
50. 液壓管路中液壓油流經斷面積擴大處所造成漩渦運動的損失,稱為 (A)容積損失 (B)阻力損失 (C)減壓損失 (D)機械損失。
51. 由能量不滅定律可知,油的發熱是因為 (A)阻流孔的流量與管路長度不成比例 (B)管路洩油 (C)壓力能的損失 (D)馬達負荷過大。
52. 液壓管路中可移動且吸收脈衝壓力,裝配容易者為 (A)橡膠管 (B)鋁合金管 (C)鋼管 (D)不銹鋼管。
53. 小李具有乙級廢水專責人員證照,某工廠希望以高價租用證照的方式合作,請問下列何者正確? (A)互蒙其利 (B)經環保局同意即可 (C)這是違法行為 (D)價錢合理即可。
54. 液壓泵吐不出液壓油時,其原因為 (A)迴轉數不足 (B)軸承磨損 (C)放洩閥壓力設定過低 (D)內部機件損耗。
55. 下列何者不屬於活塞泵設計型式? (A)往復型 (B)軸向型 (C)徑向型 (D)直動型。
56. 公司負責人為了要節省開銷,將員工薪資以高報低來投保全民健保及勞保,是觸犯了刑法上之何種罪刑? (A)詐欺罪 (B)侵占罪 (C)背信罪 (D)工商秘密罪。
57. 交流電磁閥最常見的故障為 (A)電端子漏電 (B)線圈燒燬 (C)滑軸斷裂 (D)中位彈簧斷裂。
58. 液壓缸活塞桿運動有脈衝現象,最有可能的原因為 (A)活塞磨損 (B)水分侵入 (C)活塞桿磨損 (D)空氣侵入。
59. 如下圖,你知道這是什麼標章嗎?
(A)省水標章 (B)奈米標章 (C)環保標章 (D)節能標章。
60. 方向閥之滑柱(Spool)圓周上有環狀溝槽,主要目的是 (A)防止閉鎖 (B)減輕重量 (C)增加滑動時阻力 (D)減少油密效果。
61. 下列換向閥之作動方式何者為人力式 (A)
(B)
(C)
(D)
。
62. 平華司(washer)的作用為 (A)增加機械強度 (B)減少磨擦損失 (C)增加磨擦損失 (D)增加壓迫面積。
63. 下列何者在安裝時需注意正負極性? (A)按鈕開關 (B)切換開關 (C)光電開關 (D)極限開關。
64. 下列敘述何者有誤? (A)液壓傳動效率並不高,不必要時避免使用 (B)管內流速不受限,配管容易 (C)作動油黏度會受溫度左右 (D)液壓控制較電氣反應為慢。
65. 若一蓄壓器使用壓力 160kgf/㎝
2
,使用環境於 60Hz,使用馬力為 50HP/6P,若不考慮效率的情況下,試問泵浦需選用多大? (A)130 (B)110 (C)140 (D)120 L/min。
66. 下列有關過濾器的敘述何者正確? (A)高壓過濾網的過濾精度通常為 5、10、16、25micron,當其阻塞後就可清洗再用 (B)回油過濾器通常安裝在油箱上方或油箱旁邊,其濾芯可清洗再用 (C)旁路過濾器濾芯為很細的纖維素編織成的紙,其濾芯可清洗再用 (D)吸油過濾器濾芯使用不鏽鋼網編織的,髒了可以拆下用煤油清洗,用壓縮空氣吹乾,可再使用。
67. 有一油壓缸活塞 100 ㎜,油壓缸軸 70 ㎜,試問若此油壓缸前進(油壓缸前進為活塞整個面積)速度要達到 500 ㎜/s,在系統壓力為 140kgf/㎝
2
的情況下,若不考慮效率的情況下,則至少需要電馬達(A)40 (B)60 (C)75 (D)50 HP。
68. 單切齒銼刀,其切齒之傾斜角度與中心線成_________ 度。(A)45~55 (B)30~40 (C)10~25 (D)65~85
69. 如下圖為__________之符號。
(A)止回閥 (B)阻流管 (C)孔口 (D)快速接頭
70. 如下圖符號表示為
(A)逆止閥 (B)增壓器 (C)引導式逆止閥 (D)手動泵浦。
71. 身為公司員工必須維護公司利益,下列何者是正確的工作態度或行為? (A)將公司逾期的產品更改標籤 (B)服務時首先考慮公司的利益,然後再考量顧客權益 (C)施工時以省時、省料為獲利首要考量,不顧品質 (D)工作時謹守本分,以積極態度解決問題。
72. 溢流閥(relief valve)的設定壓力應比負荷的動作壓力 (A)高 (B)低 (C)相同 (D)無關。
73. 1 個 5cc/rev 排量的齒輪泵,連接在 1 個 60Hz,6p 的電動馬達,其流量每分鐘為_____公升。 (A)1.8 (B)18 (C)3(D)6
74. 示波器可以用來 (A)能夠測量電壓和電阻的大小 (B)只能測量電壓的波形 (C)測量電壓、電流、電阻的大小 (D)測量電壓波形、頻率和振幅。
75. 調節流體通過節流口面積的大小而控制其流量者,稱為 (A)節流閥 (B)分流閥(FlowDivider) (C)放洩閥
(D)停止閥(Stop)。
76. 如圖之邏輯表示式(或布林代數式)為
(A)A‧B (B)A‧B=B‧A (C)A+B=B+A (D)A+B=0。
77. 下列何種開發行為若對環境有不良影響之虞者,應實施環境影響評估:A.開發科學園區;B.新建捷運工程;C.採礦。 (A)ABC (B)AC (C)AB (D)BC。
78. 在一再生迴路中,流過換向閥之流量大於油泵排量,故應注意 (A)管路之大小 (B)閥門之容量 (C)油壓缸之動作 (D)閥門和管路之大小。
79. 在控制電路圖中,下圖為何種開關之 a 接點?
(A)延時開關 (B)按鈕開關 (C)極限開關 (D)壓力開關。
80. 液壓缸內部裝有另一液壓缸,在起動時為低速而力大依序逐段伸長,速度並因而加大,此稱為 (A)串聯式液壓缸 (B)柱塞液壓缸 (C)套筒式伸縮液壓缸 (D)單複動液壓缸。
申論題 (0)
相關試卷
114年 - 07900 油壓 丙級 工作項目 06:操作與維護 51-107(2025/12/02 更新)#134093
114年 · #134093
114年 - 07900 油壓 丙級 工作項目 06:操作與維護 1-50(2025/12/02 更新)#134092
114年 · #134092
114年 - 07900 油壓 丙級 工作項目 05:運轉與調整 51-96(2025/12/02 更新)#134091
114年 · #134091
114年 - 07900 油壓 丙級 工作項目 05:運轉與調整 1-50(2025/12/02 更新)#134090
114年 · #134090
114年 - 07900 油壓 丙級 工作項目 04:裝配 51-80(2025/12/02 更新)#134089
114年 · #134089
114年 - 07900 油壓 丙級 工作項目 04:裝配 1-50(2025/12/02 更新)#134088
114年 · #134088
114年 - 07900 油壓 丙級 工作項目 03:儀表及工具使用 51-96(2025/12/02 更新)#134087
114年 · #134087
114年 - 07900 油壓 丙級 工作項目 03:儀表及工具使用 1-50(2025/12/02 更新)#134086
114年 · #134086
114年 - 07900 油壓 丙級 工作項目 02:元件的認識 101-160(2025/12/02 更新)#134085
114年 · #134085
114年 - 07900 油壓 丙級 工作項目 02:元件的認識 51-100(2025/12/02 更新)#134084
114年 · #134084