阿摩線上測驗
登入
首頁
>
技檢◆室內配線(屋內線路裝修)-丙級
> 114年 - 00700 室內配線─屋內線路裝修 丙級 工作項目 17:漏電保護裝置 1-35(2025/10/07 更新)#131807
114年 - 00700 室內配線─屋內線路裝修 丙級 工作項目 17:漏電保護裝置 1-35(2025/10/07 更新)#131807
科目:
技檢◆室內配線(屋內線路裝修)-丙級 |
年份:
114年 |
選擇題數:
35 |
申論題數:
0
試卷資訊
所屬科目:
技檢◆室內配線(屋內線路裝修)-丙級
選擇題 (35)
1. 漏電斷路器之最小動作電流,係額定靈敏度電流多少%以上之電流值? (A)50 (B)40 (C)30 (D)25 。
2. 漏電斷路器額定感度電流之常用單位為下列何者? (A)毫安( mA ) (B)安培( A )(C)千安(KA) (D)微安(μA) 。
3. 以防止感電事故為目的而裝設之漏電斷路器應採用 (A)高靈敏度高速型 (B)高靈敏度延時型 (C)中靈敏度高速型 (D)中靈敏度延時型 。
4. 中靈敏度型漏電斷路器,其額定感度電流為多少毫安以上,1000 毫安以下? (A)3 (B)15 (C)30 (D)50 。
5. 裝置於低壓電路之漏電斷路器應採用 (A)電壓動作型 (B)電流動作型 (C)電壓電流動作型 (D)頻率動作型 。
6. 延時型漏電斷路器在額定感度電流之動作時間為多少秒? (A)0.1 秒以內 (B)0.1 秒以上,2 秒以內 (C)2 秒以上,10 秒以內 (D)10 秒以上 。
7. 住宅處所之電熱水器分路除應按規定施行接地外,尚要裝設下列何種器具以防止感電事故之發生? (A)漏電斷路器 (B)漏電警報器 (C)無熔線開關 (D)電磁開關 。
8. 電流動作型漏電斷路器係,利用下列何種器具以檢出接地故障電流使斷路器跳脫? (A)比流器 (B)比壓器 (C)零相比流器 (D)分流器 。
9. 以防止感電事故為目的裝置漏電斷路器者,其動作時間應為多少秒以內?(A)0.1 (B)2 (C)5 (D)10 。
10. 如下圖所示,R1=4Ω,R2=6Ω時,則通過 4Ω電阻之電流為多少 A?
(A)3 (B)4 (C)5 (D)6 。
11. 漏電檢出器主要功能為可檢出 (A)線間短路電流 (B)接地電流 (C)過載電流 (D)線間短路電流及過載電流 。
12. 下列那項不是漏電斷路器的主要規格? (A)感度電流 (B)動作時間 (C)啟斷容量 (D)相序 。
13. 漏電斷路器依其感度之種類可分為 (A)高靈敏度型與低靈敏度型 (B)中靈敏度型與低靈敏度型 (C)高靈敏度型與中靈敏度型 (D)高靈敏度型、中靈敏度型及低靈敏度型 。
14. 高靈敏度延時型漏電斷路器,其動作時間應在多少秒以上,2 秒以內? (A)0.05 (B)0.1 (C)0.2 (D)0.3 。
15. 中靈敏度高速型漏電斷路器,其動作時間應在多少秒以內? (A)0.05 (B)0.1(C)0.15 (D)0.2 。
16. 住宅場所陽台之插座及離廚房水槽多少公尺以內之插座分路應裝設漏電斷路器? (A)4 (B)3.5 (C)2.5 (D)1.8 。
17. 以防止感電事故為目的裝置漏電斷路器者,其動作額定電流應限制在多少毫安以下? (A)30 (B)50 (C)100 (D)200 。
18. 靈敏度電流 100 毫安之漏電斷路器,其最小動作電流應在多少毫安以上?(A)20 (B)35 (C)45 (D)50 。
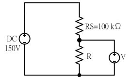
19. 滿刻度為 50V 之直流電壓表,其靈敏度為 1kΩ/V,當接成如下圖所示之電路時,其電壓指示值為 30V,則電阻 R 為多少 kΩ?
(A)40 (B)50 (C)150(D)200 。
20. 如下圖所示,電路中 a、d 兩端的等效電阻為多少Ω?
(A)38.6 (B)41.7 (C)50(D)52.4 。
21. 如下圖所示,若加直流電 100V 則有 12.5A 電流通過,若加交流電(正弦波)100V 則有 10A 的電流通過,則該電路之電阻(R)及感抗值(X)各為多少Ω?
(A)5,12 (B)8,6 (C)10,6 (D)12,16 。
22. 如下圖所示,若開關 S 閉合時,則 AB 間電阻值為多少Ω?
(A)6 (B)10 (C)13(D)22 。
23. 在住宅中,單相額定電壓 150 伏以下、額定電流 15 安及 20 安之插座,在該插座分路未裝有漏電斷路器情形下,下列哪一項場所應裝設漏電啟斷裝置? (A)陽台 (B)客廳 (C)臥室 (D)書房 。
24. 裝設於住宅場所多少安以下分路之斷路器及栓型熔線應為反時限保護? (A)10 (B)20 (C)30 (D)40 。
25. 下列所述哪一項為積熱型熔斷器與積熱電驛所應保護之主要目的? (A)線路過載 (B)線路短路 (C)線路欠相 (D)線路逆相 。
26. 照明燈具、用電器具及其他用電設備內部電路及元件之附加過電流保護,依規定是否得取代分路所需過電流保護裝置? (A)可以 (B)不可 (C)電壓在 600伏以下者則無此規定 (D)若屬電熱型電器則不在此限 。
27. 電動機因起動電流較大,其過電流保護額定或標置依規定得? (A)小於導線安培容量 (B)大於導線安培容量 (C)等於導線安培容量 (D)兩者之間無關連性 。
28. 可繞軟線、可繞電纜在 30 安分路,導線截面積為多少平方公厘以上者,應視由分路之過電流保護裝置加以保護? (A)1 (B)2 (C)3.5 (D)4 。
29. 可繞軟線、可繞電纜在 15 安及 20 安分路,導線截面積為多少平方公厘以上者,應視由分路之過電流保護裝置加以保護? (A)1 (B)2 (C)3.5 (D)4 。
30. 對於低壓非接地導線之保護,下列哪項非為規定之一? (A)電路中每一非接地導線應有過電流保護裝置 (B)斷路器應能同時啟斷電路中之各非接地導線(C)單相三線電路,不接三相負載者,得使用單極斷路器 (D)單相二線非接地電路,不得使用單極斷路器 。
31. 過電流保護裝置設於屋內時,其裝設位置除有特殊情形外,不得設置下列哪一種處所? (A)客廳 (B)臥室 (C)浴室 (D)餐廳 。
32. 過電流保護裝置若裝於潮濕處所,其封閉箱體應屬? (A)防爆型 (B)一般型(C)防水型 (D)不必額外考慮 。
33. 低壓突波保護裝置依規定得裝設於多少伏以下電路? (A)220 (B)380 (C)440(D)600 。
34. 低壓突波保護裝置依規定得安裝於保護設備之分路過電流保護裝置的? (A)電源側 (B)負載側 (C)無相關規定 (D)依使用場所及目的而定 。
35. 漏電斷路器不得裝設於下列何種設備上? (A)臨時用電 (B)慶典牌樓 (C)沉水式用電器具 (D)消防加壓馬達 。
申論題 (0)
相關試卷
114年 - 114-3 全國技術士技能檢定學科_丙級:00700 室內配線─屋內線路裝修#137559
114年 · #137559
114年 - 00700 室內配線─屋內線路裝修 丙級 工作項目 19:用電法規之認識 1-20(2025/10/07 更新)#131809
114年 · #131809
114年 - 00700 室內配線─屋內線路裝修 丙級 工作項目 18:檢查與故障排除 1-27(2025/10/07 更新)#131808
114年 · #131808
114年 - 00700 室內配線─屋內線路裝修 丙級 工作項目 16:特別低壓工程 1-14(2025/10/07 更新)#131806
114年 · #131806
114年 - 00700 室內配線─屋內線路裝修 丙級 工作項目 15:接地工程及接戶線工程 1-41(2025/10/07 更新)#131805
114年 · #131805
114年 - 00700 室內配線─屋內線路裝修 丙級 工作項目 14:電容器裝置 1-25(2025/10/07 更新)#131804
114年 · #131804
114年 - 00700 室內配線─屋內線路裝修 丙級 工作項目 13:變壓器裝置 1-9(2025/10/07 更新)#131803
114年 · #131803
114年 - 00700 室內配線─屋內線路裝修 丙級 工作項目 12:電熱類裝置 1-23(2025/10/07 更新)#131802
114年 · #131802
114年 - 00700 室內配線─屋內線路裝修 丙級 工作項目 11:電動機裝置 1-67(2025/10/07 更新)#131801
114年 · #131801
114年 - 00700 室內配線─屋內線路裝修 丙級 工作項目 10:燈具、開關插座之裝置 1-34(2025/10/07 更新)#131800
114年 · #131800