阿摩線上測驗
登入
首頁
>
技檢◆冷作-甲級
> 114年 - 01500 冷作 甲級 工作項目 03:劃線及放樣 1-44(2025/10/13 更新)#132051
114年 - 01500 冷作 甲級 工作項目 03:劃線及放樣 1-44(2025/10/13 更新)#132051
科目:
技檢◆冷作-甲級 |
年份:
114年 |
選擇題數:
44 |
申論題數:
0
試卷資訊
所屬科目:
技檢◆冷作-甲級
選擇題 (44)
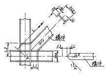
1. 如下圖示中,L1 長度為
(A)160mm (B)180mm (C)210mm (D)400mm 。
2. 劃線的目的與下列何者無關 (A)鋼料性質 (B)加工的位置 (C)加工的量 (D)加工的方法 。
3. 單腳卡可能作的劃線工作,下列何者為非? (A)求構件的中心線 (B)求圓桿的中心線 (C)求寬桿的中心線 (D)求圓筒的直徑 。
4. 落樣時,應考慮材料之使用率,因此必須 (A)依材料厚薄落樣 (B)依構件大小直線排列落樣 (C)大構件先予落樣 (D)特殊形狀先予落樣 。
5. 材料於劃線作記號時,不採用何種標識來管理物料 (A)方向 (B)顏色 (C)大小(D)重量 。
6. 以製作一板厚 25mm,內徑 1000mm 之圓筒,其周長之尺寸應為多少 mm(A)3140 (B)3297 (C)3218 (D)3179 。
7. 這個符號
之重點說明為 (A)板厚之方向 (B)板厚之指示 (C)板厚方向均分(D)與板厚無關 。
8. 下列落樣作業之要點,試指出錯誤方法: (A)同尺寸之構件可取一共用邊(B)組合面為落樣面 (C)大構件先予落樣 (D)利用鋼板原邊以減少切割次數 。
9. 構件之落樣除必須重視材料,使用率及切割長度外,不需考慮 (A)伸縮量、火口寬 (B)組合順序 (C)尺寸精度 (D)落樣面選擇 。
10. 欲彎曲右圖構件
其實長為 (A)120mm (B)108mm (C)100mm (D)96mm 。
11. 展開作業中有可展開及不可展開,下列何者為近似展開法所用 (A)平行線法 (B)放射線法 (C)三角形法 (D)平行線放射線互用 。
12. 下列那種曲面可用精確展開方法? (A)球面 (B)鞍形曲面 (C)圓錐面 (D)碗形曲面 。
13. 紅丹是用來檢查工作 (A)平面 (B)垂直 (C)接觸面 (D)平面與接觸面 。
14. 一張 10mm 厚之鋼板欲捲成圓柱形,已知外周長短少 22mm 則此圓柱形之外徑短少約 (A)5mm (B)7mm (C)8mm (D)11mm 。
15. 劃線時,有一直線與一圓相切於一點,此點謂之「切點」,則切點與圓心之連線與該直線成 (A)0° (B)45° (C)90° (D)180° 。
16. 下列何者不是鋼板落樣後,應作檢驗以免錯誤之項目 (A)檢查尺寸、精度及切割邊之安排 (B)核對構件之數量及排列是否適當 (C)檢查加工符號,圖示等 (D)收存工作圖,以便查驗 。
17. 如下圖正圓錐體被平面A-A切割後之外形應為
(A)正圓 (B)橢圓 (C)拋物線(D)雙曲線 。
18. 一般冷作工下料時所謂落樣面係指 (A)變形整形之面 (B)銲接之面 (C)防止扭曲之面 (D)組合構件之面 。
19. 劃線放樣後之檢查何者為先 (A)考慮製作電銲切割之預留量 (B)基本尺寸及其他尺寸 (C)主要構件接合部位之接合狀態 (D)安裝線校正 。
20. 落樣時,為了保持構件之尺寸精度應考慮 (A)選擇正確的材料 (B)計算瓦斯切割長度 (C)瓦斯切割時切割道之損耗量 (D)排列時使材料節省到最低限度 。
21. 以 16mm 厚之鋼板彎製內徑為 600mm 之圓柱,放樣時誤將內徑做外徑處理,則展開後之尺寸將減少 (A)34.1mm (B)75.4mm (C)100.5mm (D)153.5mm 。
22. 在冷作作業中,其作業程序為 (A)落樣→切割→組合→銲接→整形 (B)落樣→組合→銲接→切割→整形 (C)切割→組合→落樣→銲接→整形 (D)落樣→切割→銲接→組合→整形 。
23. 畫展開圖時,求實長線是要畫出 (A)平面形狀 (B)立體形狀 (C)實際形狀 (D)切斷面之形狀 。
24. 落樣構件之加工符號,除切割線外包括: (A)銲接、整形、安裝 (B)尺寸、形狀、輪廓 (C)鋼板、鋼管、型鋼 (D)割斜、彎曲、組合線 等。
25. 一般冷作工作所謂落樣面是指 (A)銲接之面 (B)組合之面 (C)整形之面 (D)預防扭曲之 。
26. 使用鋼尺在 1:2.5 比例之圖面上量得 25mm 長之距離,則實際應為 (A)62.5mm (B)77.5mm1 (C)125mm (D)250mm 。
27. 直立之圓形結構物是否垂直可用鉛錘在 (A)一處計測即可 (B)兩個互為九十度方向計測即可 (C)至少三個不同方向計測 (D)至少四個不同方向計測 。
28. 已知一邊用幾何畫法畫正方形時,可連續用邊長當半徑之畫弧方式作圖,畫弧之次數為 (A)5 次 (B)6 次 (C)7 次 (D)8 次 。
29. 線段 AB 等分時,常以 (A)> 1/2 AB (B)< 1/2 AB (C)=1/2 AB (D)≦AB 線段作為半徑畫弧。
30. 測定圓球表面之中心點方法為 (A)先求半徑點 (B)測畫球之中心線 (C)求水平線後再求垂直線之交點 (D)任一點均可作為中心點 。
31. 構件落樣時,大的先予落樣其優點為 (A)可使加工程序不易混淆 (B)可使切割面良好 (C)可提高材料實用率 (D)可使工作人員不致浪費時間 。
32. 結構圖上表示的內容應為 (A)單構件的形狀 (B)各構件之實際形狀及其在結構之位置 (C)各構件之組合狀況 (D)各構件切割形狀 。
33. 放樣是指 (A)必須事先作出樣板 (B)依圖之尺寸實際畫出來 (C)圖上尺寸放大(D)圖上形狀非實樣需先展開畫出來 。
34. 落樣工作應注意在鋼板上之排列,下列敘述何者為誤 (A)構件組合較多之面為落樣面 (B)大構件先予落樣 (C)平直構件考慮共邊落樣 (D)切割線需切平齊 。
複選題
35. 如將角鋼用手工彎曲成 90 度時,於彎曲線側作一平行線(見合線)之主要用意為 (A)利於檢驗彎曲後之尺寸伸展及收縮 (B)檢驗彎曲後是否成直角 (C)檢驗彎曲後是否成平面 (D)利於組合時之參考線段 。
【已刪除】
複選題
36. (本題刪題)落樣完成之長方形,欲知是否正確,必須檢查 (A)兩對邊是否相等 (B)兩對邊是否成垂直 (C)兩對角線的長度是否相等 (D)檢查兩對邊及兩對角是否相等即可 。
複選題
37. 鋼結構工作圖中 K.L 線條係表示 (A)切割線 (B)彎曲線 (C)折角線 (D)平行線 。
複選題
38. 落樣圓筒求圓周長時,計算方式為 (A)半徑×2×π (B)直徑×2π (C)(內徑+板厚)2×π (D)(外徑-板厚)2×π 。
複選題
39. 下列那些鋼結構製造物必須製作樣板來組裝? (A)壓力容器 (B)圓形及曲面之鋼結構物 (C)鋼骨大樓之結構物 (D)平直且量多之鋼結構物製品 。
複選題
40. 下列對放樣的解釋何者正確? (A)放樣係依據設計製作詳圖,劃出各構件之實際尺寸、形狀 (B)複雜構件放樣需透過展開取得 (C)放樣工作跟落樣工作都不需考慮板厚 (D)放樣是製圖人員的事情冷作工不必參與 。
複選題
41. 放樣工作需注意下列幾點? (A)為了節省材料,製造者可任意更改放樣材料尺寸 (B)構件件號,取材必須做有系統之整理分類,以免落樣時產生材料錯用 (C)放樣完成後,應重新核對圖面尺寸、記號是否有錯誤、疏漏 (D)放樣時只需考量落樣形狀、不須組合線的繪製 。
複選題
42. 落樣、劃線須對實際工作內容有充分的瞭解與經驗,對鋼板之取料安排,須注意哪些事項? (A)為了劃線方便,可隨心所欲,自由繪製落樣線 (B)大構件優先取材落樣,小構件則利用餘料或大構件所剩空間落樣 (C)落樣、劃線時火口切割寬度,不在考量範圍內 (D)彎曲加工構件,應留餘長,避免落樣後,發生邊長不足之現象 。
複選題
43. 鋼製捲尺在 JISB7512-1973 之規範,訂有種類、等級、材料以及硬度、形狀等相關規定,其尺寸最大容許值:以長度 50M 為例,何者正確? (A)一級品為±5.2mm (B)一級品為±10.4mm (C)二級品為±10.4mm (D)二級品為±5.2mm 。
複選題
44. 落樣劃線工作就是使用作成的樣板、樣帶直接在鋼材劃線,其記號包括那些? (A)切割線 (B)熱處理方式 (C)防鏽處理 (D)鑽孔位置 。
申論題 (0)
相關試卷
114年 - 01500 冷作 甲級 工作項目 09:成品試驗 1-59(2025/10/13 更新)#132059
114年 · #132059
114年 - 01500 冷作 甲級 工作項目 08:設計 1-52(2025/10/13 更新)#132058
114年 · #132058
114年 - 01500 冷作 甲級 工作項目 07:材料性質 51-78(2025/10/13 更新)#132057
114年 · #132057
114年 - 01500 冷作 甲級 工作項目 07:材料性質 1-50(2025/10/13 更新)#132056
114年 · #132056
114年 - 01500 冷作 甲級 工作項目 06:整形 1-23(2025/10/13 更新)#132055
114年 · #132055
114年 - 01500 冷作 甲級 工作項目 04:成型 1-43(2025/10/13 更新)#132052
114年 · #132052
114年 - 01500 冷作 甲級 工作項目 02:量具使用 1-44(2025/10/13 更新)#132050
114年 · #132050
114年 - 01500 冷作 甲級 工作項目 01:識圖 1-42(2025/10/13 更新)#132049
114年 · #132049
113年 - 113-1 全國技術士技能檢定學科_甲級:01500冷作#127904
113年 · #127904
111年 - 111-1 全國技術士技能檢定學科_甲級:01500冷作#112976
111年 · #112976