阿摩線上測驗
登入
首頁
>
技檢◆配電線路裝修-甲級
> 114年 - 04000 配電線路裝修 甲級 工作項目 02:架空外線施工與運轉維護 201-250(2025/10/23 更新)#132566
114年 - 04000 配電線路裝修 甲級 工作項目 02:架空外線施工與運轉維護 201-250(2025/10/23 更新)#132566
科目:
技檢◆配電線路裝修-甲級 |
年份:
114年 |
選擇題數:
50 |
申論題數:
0
試卷資訊
所屬科目:
技檢◆配電線路裝修-甲級
選擇題 (50)
201. 11.4kV 多重接地系統,欲供電三相四線 220/380V 負載,採用單相6.9kV-120/240V 變壓器,其結線方式須採用 (A)Y-Y (B)Δ-Y (C)Y-Δ (D)V-V 。
202. 何種變壓器的結線法,其一次、二次中性點須共同接地? (A)Δ-Δ (B)Δ-Y(C)Y-Y (D)Y-Δ 。
203. 兩具單相桿上變壓器開 Y 結線法,其輸出容量為兩變壓器容量和之 (A)56% (B)66% (C)67% (D)86.6% 。
204. 配電線路之負載大部分為電感性,屬無效功率,需利用 _________,使系統總無效功率減少以改善功率因數。(A)串聯電感器 (B)串聯電容器 (C)並聯電感器 (D)並聯電容器
205. 高壓配電線路上裝設並聯電容器,產生線路電壓上升值與電容器裝設地點至電源之距離 (A)成正比 (B)成反比 (C)平方成正比 (D)無關 。
206. 配電線路負載之功率因數愈差,則該線路之阻抗 (A)愈小 (B)愈大 (C)不變(D)成平方減少 。
207. 變壓器 V-V 結線,如結線正確時電壓為 220V,如將極性結錯時,則三相電壓分別為 (A)110、220、0V (B)220、0、220V (C)220、110、380V (D)220、220、380V 。
208. 三相 11.4kV 負載電流 50A,電功率為 800kW,其功率因數為 (A)91% (B)81% (C)71% (D)61% 。
209. 三相四線 6.6/11.4kV 系統,其線路負載為 1000kVA,功率因數 0.8,則其有效功率為 (A)400kW (B)600kW (C)800kW (D)1200kW 。
210. 變壓器並聯運轉前,作匝比試驗,如匝比誤差達多少以上時,不宜並聯運轉? (A)0.4% (B)0.8% (C)1.6% (D)3.2% 。
211. 用戶供電可靠度要求較高之商業及辦公大樓地區,為避免用戶有瞬間停電現象,配電系統型態宜採用 (A)放射型 (B)常開環路型 (C)一次選擇型 (D)重點網路型 。
212. 油開關之切離(OFF)易產生電弧將油分解,產生碳性油垢,如果切離次數多絕緣油會逐漸劣化,故第一次裝置________ 年後,宜抽出油樣試驗。(A)1 (B)2 (C)3 (D)4
213. 停電作業前,________應先予放電後才可進行工作。 (A)避雷器 (B)變壓器 (C)電容器 (D)負載啟斷器
214. 配電系統保護協調饋線過電流保護熔絲之選定應考慮負載之冷載突升電流,該冷載突升電流為 (A)6 倍額定電流持續 1 秒,及 3 倍額定電流持續10 秒 (B)7 倍額定電流持續 0.8 秒,及 4.5 倍額定電流持續 6 秒 (C)8 倍額定電流持續 0.6 秒,及 6 倍額定電流持續 3 秒 (D)9 倍額定電流持續 0.5秒,及 7.5 倍額定電流持續 1 秒 。
215. 配電系統保護協調過電流保護熔絲之選定應考慮負載之冷載突升電流,單一變壓器之冷載突升電流為 (A)3 倍變壓器一次額定電流,時間 10 秒鐘(B)4.5 倍變壓器一次額定電流,時間 6 秒鐘 (C)6 倍變壓器一次額定電流,時間 3 秒鐘 (D)7.5 倍變壓器一次額定電流,時間 1 秒鐘 。
216. 電桿腳木之裝置,下列施工法何者正確? (A)直線線路時,沿線路同側裝置 (B)直線線路時,沿線路一左一右裝置 (C)轉彎桿時,裝置於角度較大側(D)終端桿時,裝置於終端支線側 。
217. 吊臂車建桿法之要點,下列敘述何者有誤? (A)掛鈎繩套位於電桿重心略偏向根端約 20 公分 (B)在斜坡上建桿時,吊臂車應在上坡方向停妥,前後四輪應有安全止檔裝置 (C)領班站立位置應考量操作人員視線及建桿情形 (D)離地面 1/3 桿深處埋設腳木,並以 4.19mm 鍍鋅鐵線繞 3 紮 。
218. 架設導線增減處之兩端拉力不平衡超出電桿設計荷重時,須做 (A)單向橫面支線 (B)兩橫面支線 (C)縱面支線 (D)四方支線 補強。
219. 放線時為使導線保持適當張力 (A)每只支持滑車應有剎車裝置 (B)放線器應有剎車裝置 (C)拉線機應有剎車裝置 (D)拉線機應有變速裝置 。
220. 三相三線配電線路,各導線間之距離分別為 D
12
、D
23
、D
31
,則其幾何平均距離(GMD)為 (A)D
12
D
23
D
31
/3 (B)
(C)(D
12
+D
23
+D
31
)/3 (D)
。
221. 設#2 ACSR 導線,該 3 條導線之幾何平均距離
(A)1/3A (B)2A (C)
(D)
。
複選題
222. 依據「輸配電設備裝置規則」,架空導線與植物之最小間隔在線路維護期間之植物長度應另計;在平時,3ψ4W 11.4kV 配電線路與植物之間隔哪些符合規定? (A)水平 1.0 公尺、垂直 1.0 公尺 (B)水平 1.2 公尺、垂直1.0 公尺 (C)水平 1.2 公尺、垂直 1.2 公尺 (D)水平 1.5 公尺、垂直 1.5 公尺 。
複選題
223. 依據「輸配電設備裝置規則」, 3∮4W 11.4 kV 線路中性線架設 300MCMAAC (容許載電流 430A),相關電桿施作系統接地之導線得選用 (A)14H(容許載電流 120A) (B)22H (容許載電流 160A) (C)14PV (容許載電流 72A)(D)22PV (容許載電流 94A) 。
複選題
224. 依據「輸配電設備裝置規則」,下列用詞之定義何者正確? (A)間隔:指二物體表面至表面間之淨空距離,通常充滿空氣或氣體 (B)間距:指二物體中心對中心之距離 (C)隔距:指兩物體間量測表面到表面之距離,且其間通常充填固態或液態之物質 (D)跨距:指同一線路相鄰兩支持物間之直線距離 。
複選題
225. 依據「輸配電設備裝置規則」,下列用詞之定義何者正確? (A)被覆導線係指以額定絕緣強度高於使用該導線之電路電壓介電質被覆之導線 (B)被接地導線係指被刻意接地之導線,採用直接接地或經無啟斷功能之限流裝置接地者 (C)接地導線係指連接設備或配線系統與接地電極之導線 (D)絕緣導線係指被以不低於使用該導線線路電壓之額定絕緣強度之非空氣之介電質所覆蓋之導線 。
複選題
226. 依據「輸配電設備裝置規則」,下列用詞之定義何者正確? (A)被覆導線係指以未具額定絕緣強度被覆之導線 (B)被覆導線係指以額定絕緣強度低於使用該導線之電路電壓介電質被覆之導線 (C)被接地導線係指被刻意採用直接接地之導線 (D)被接地導線係指被刻意採用經具啟斷功能之限流裝置接地者 。
複選題
227. 依據「輸配電設備裝置規則」對架空線路建設等級之規定,下列敘述哪些正確? (A)特級線路適用於高速公路及電化鐵路等處所 (B)一級線路適用於跨越道路及幹線鐵路等處所 (C)一級線路適用於沿道路興建處所 (D)一級線路適用於接近民房之處所 。
複選題
228. 依據「輸配電設備裝置規則」對建設等級為一級架空線路之定義,下列何者正確? (A)適用於跨越道路處 (B)適用於跨越供電線路處 (C)適用於沿道路興建處 (D)適用於跨越民房或空曠地區處 。
複選題
229. 依據「輸配電設備裝置規則」,爬登空間係指支持物上供作業人員能通過任何導線、橫擔或其他組件之空間。該空間之水平距離不得小於 (A)低壓線路為 600 mm (B)11.4kV 高壓線路為 750 mm (C)11.4kV 高壓線路為900 mm (D)低壓線路為 500 mm 。
複選題
230. 依據「輸配電設備裝置規則」,供電中線路及設備之檢查及測試規定,下列敘述哪些正確? (A)當線路及設備投入供電時,應符合該裝置規則之相關規定 (B)線路及設備應依經驗顯示之必要期間定期檢查 (C)必要時,線路及設備應執行實務測試,以決定維護需求 (D)檢查或測試結果若有任何情況或不良項目,致有不符合該裝置規則規定之虞者,應即刻改善 。
複選題
231. 依據「輸配電設備裝置規則」,低壓接戶線之裝置,下列哪些事項符合規定? (A)架空單獨及共同接戶線之長度以 35 公尺為限。但如架設有困難時,得延長至 45 公尺 (B)架空單獨及共同接戶線之長度以 45 公尺為限。但如架設有困難時,得延長至 55 公尺 (C)連接接戶線之長度自第一支持點起以 60 公尺為限,其中每一架空線段之跨距不得超過 20 公尺 (D)地下接戶線採用電纜時,其電壓降符合相關規定者,長度可不受限制 。
複選題
232. 依據「輸配電設備裝置規則」,架空線路風壓荷重之種類及適用範圍,下列敘述何者正確? (A)甲種風壓荷重適用於一般不下雪之線路、乙種風壓荷重適用於高山下雪地區之線路、丙種風壓荷重適用於城鎮房屋密集之線路 (B)甲種風壓荷重適用於高山下雪地區之線路、乙種風壓荷重適用於一般不下雪之線路、丙種風壓荷重適用於城鎮房屋密集之線路 (C)甲種風壓荷重適用於一般不下雪之線路、乙種風壓荷重適用於高山下雪地區之線路、丙種風壓荷重適用於緩風處之線路 (D)甲種風壓荷重適用於高山下雪地區之線路、乙種風壓荷重適用於一般不下雪之線路、丙種風壓荷重適用於緩風處之線路 。
複選題
233. 依據「輸配電設備裝置規則」,接地銅棒釘入深度之規定為 (A)一般土質處所不得小於 2.3 公尺 (B)岩層地盤處所得小於 2.3 公尺 (C)人孔內不得小於2.3 公尺 (D)亭置式設備不得小於 2.3 公尺 。
複選題
234. 依據「輸配電設備裝置規則」,架空線路之架空地線採用#2 AWG ACSR,其電桿間距何者符合規定? (A)100 公尺 (B)150 公尺 (C)200 公尺 (D)250 公尺 。
複選題
235. 依據台灣電力公司「架空配電線路施工」,高壓架空配電線路轉彎角度為 12°,架設_______導線宜採用小角度轉彎雙抱裝腳礙子裝桿。 (A)#2 ACSR (B)4/0 ACSR (C)300MCM AAC (D)477MCM AAC
複選題
236. 依據台灣電力公司「架空配電線路施工」,直線線路支線設置原則為 (A)視地質及颱風之影響情形每 4~6 檔數之處裝兩側支線一處 (B)視地質及颱風之影響情形每 5~7 檔數之處裝兩側支線一處 (C)約 20 檔線做一處四方支線 (D)約 30 檔線做一處四方支線 。
複選題
237. 依據台灣電力公司「架空配電線路施工」支線裝置,下列施工法何者正確? (A)成型支線夾條使用於拉線碍子時,自記號 B 點起繞 (B)單(雙)眼鐵閂露出地面部分應在 250〜300mm (C)支線桿上拉線礙子應裝在跨路支線側 (D)假設一般裝置支線斷落後拉線礙子應距地面 2.0~3.0 公尺 。
複選題
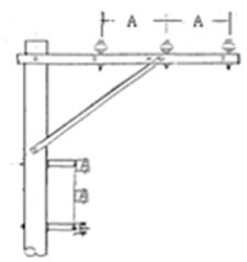
238. 依據台灣電力公司「架空配電線路施工」支線裝置工作,下圖為支桿裝置,其間距何者正確?
(A)A 為 500mm (B)A 為 400mm (C)L≒1/2 H (D)L≒1/3 H 。
複選題
239. 依據台灣電力公司「架空配電線路施工」支線裝置工作,成型支線夾條適用於 (A)拉線礙子 (B)雙眼鐵栓 (C)支線螺栓 (D)單眼螺栓 。
複選題
240. 依據台灣電力公司「架空配電線路施工」建桿工作,10.5M 水泥電桿埋入深度應為 (A)石塊地 1.2 公尺 (B)普通土質 1.7 公尺 (C)軟弱土質 2.0 公尺(D)轉彎桿或終端桿 1.8 公尺 。
複選題
241. 依據台灣電力公司「架空配電線路施工」建桿工作,12M 水泥電桿埋入深度應為 (A)石塊地 1.3 公尺 (B)普通土質 1.8 公尺 (C)軟弱土質 2.1 公尺 (D)轉彎桿或終端桿 2.0 公尺 。
複選題
242. 依據台灣電力公司「架空配電線路施工」建桿工作,14M 水泥電桿埋入深度應為 (A)石塊地 1.4 公尺 (B)普通土質 2.0 公尺 (C)軟弱土質 2.3 公尺 (D)轉彎桿或終端桿 2.1 公尺 。
複選題
243. 台灣電力公司為確保其配電線路各種接頭之壓接品質,訂定油壓壓接工具之檢驗期限及壓力合格範圍,下列敘述何者正確? (A)每 3 個月檢驗 1次 (B)每 6 個月檢驗 1 次 (C)壓力檢驗合格範圍為 10.2~11.4 噸 (D)壓力檢驗合格範圍為 11.2~12 噸 。
複選題
244. 依據台灣電力公司「架空配電線路施工」,各種鋁線張力處所之壓接,應選用何種壓縮鍵? (A)477MCM 選用 B20AH 壓縮鍵壓接 (B)300MCM 選用 B76AH 壓縮鍵壓接 (C)AWG 4/0 ACSR 鋁套管部分選用 B74AH 壓縮鍵壓接 (D)AWG 2/0 ACSR 鋁套管部分選用 B72AH 壓縮鍵壓接 。
複選題
245. 477MCM AAC 或 300MCM AAC 張力處之套管壓接,其壓縮鍵之選用下列何者正確? (A)477MCM 選用 B22AH (B)477MCM 選用 B20AH (C)300MCM 選用 B76AH (D)300MCM 選用 B75AH 。
複選題
246. 壓接 AWG #2 ACSR 導線時,下列哪些施工方法正確? (A)壓接鋼心使用73SH 壓縮鍵 (B)壓接鋼心使用 73AH 壓縮鍵 (C)壓接鋼心套管時,由套管中點凹陷處開始向一端壓接 (D)鋼心套管相鄰接之 2 次壓縮應間隔約 1.6至 3.2 公厘左右且旋轉 90 度 。
複選題
247. 依據台灣電力公司「架空配電線路施工」,非張力處導線之壓接,下列敘述哪些正確? (A)477 MCM 與 477 MCM 壓接,選用 WR875 H 型壓接套管 (B)477 MCM 與#2ACSR 壓接,選用 WR815 H 型壓接套管 (C)300MCM 與#2ACSR 壓接,選用 WR815 H 型壓接套管 (D)#2ACSR 與22mm2 HDC 壓接,選用 WR179 H 型壓接套管 。
複選題
248. 依據台灣電力公司「架空配電線路施工」,下列裝置於電桿上之設備,何者得不接地? (A)油開關 (B)復閉器 (C)區分器 (D)變壓器 。
複選題
249. 依據台灣電力公司「架空配電線路施工」,施作 3∮4W 11.4kV 配電線路中性線,其接地電阻值下列敘述何者符合規定? (A)屬第二種接地,接地電阻 75Ω (B)屬第二種接地,接地電阻 50Ω (C)屬特種接地,接地電阻25Ω (D)屬特種接地,接地電阻 10Ω 。
複選題
250. 下列哪些銅導線可供作為 3∮4W 11.4/6.6kV 架空接戶線? (A)8 mm
2
(B)14 mm
2
(C)22 mm
2
(D)38mm
2
。
申論題 (0)
相關試卷
114年 - 04000 配電線路裝修 甲級 工作項目 05:活線作業 51-83(2025/10/23 更新)#132575
114年 · #132575
114年 - 04000 配電線路裝修 甲級 工作項目 05:活線作業 1-50(2025/10/23 更新)#132574
114年 · #132574
114年 - 04000 配電線路裝修 甲級 工作項目 04:配電設備 101-123(2025/10/23 更新)#132573
114年 · #132573
114年 - 04000 配電線路裝修 甲級 工作項目 04:配電設備 51-100(2025/10/23 更新)#132572
114年 · #132572
114年 - 04000 配電線路裝修 甲級 工作項目 04:配電設備 1-50(2025/10/23 更新)#132571
114年 · #132571
114年 - 04000 配電線路裝修 甲級 工作項目 03:地下配電施工與運轉維護 101-150(2025/10/23 更新)#132570
114年 · #132570
114年 - 04000 配電線路裝修 甲級 工作項目 03:地下配電施工與運轉維護 51-100(2025/10/23 更新)#132569
114年 · #132569
114年 - 04000 配電線路裝修 甲級 工作項目 03:地下配電施工與運轉維護 1-50(2025/10/23 更新)#132568
114年 · #132568
114年 - 04000 配電線路裝修 甲級 工作項目 02:架空外線施工與運轉維護 251-311(2025/10/23 更新)#132567
114年 · #132567
114年 - 04000 配電線路裝修 甲級 工作項目 02:架空外線施工與運轉維護 151-200(2025/10/23 更新)#132565
114年 · #132565