阿摩線上測驗
登入
首頁
>
技檢◆配電電纜裝修-丙級
> 114年 - 07400 配電電纜裝修 丙級 工作項目 01:電工常識 51-112(2025/12/01 更新)#133999
114年 - 07400 配電電纜裝修 丙級 工作項目 01:電工常識 51-112(2025/12/01 更新)#133999
科目:
技檢◆配電電纜裝修-丙級 |
年份:
114年 |
選擇題數:
62 |
申論題數:
0
試卷資訊
所屬科目:
技檢◆配電電纜裝修-丙級
選擇題 (62)
51. 下圖所示電路,燈泡額定電壓為 5 伏特,欲得額定電流為 1 安培時,則應串聯電阻 R 為
(A)1 歐姆 (B)2 歐姆 (C)3 歐姆 (D)4 歐姆 。
52. 下圖所示電路,設有一直流 10 伏特的電壓表其內部電阻(R
V
)為 150 歐姆,今欲使用此電壓表測定 110 伏特之電壓,則應串聯電阻(R
S)
為
(A)500歐姆 (B)1000 歐姆 (C)1500 歐姆 (D)2000 歐姆 。
53. 將 1000 微法拉之電容器,接於 600 伏特之電源上,持續以電流為 0.2 安培保持充電,試求此電容器充滿時所需時間為 (A)1 秒 (B)2 秒 (C)3 秒 (D)4秒 。
54. 下圖所示電路,在節點 C 之電流I
c
為
(A)6 安培 (B)8 安培 (C)10 安培 (D)12安培 。
55. 使用二瓦特表測量三相平衡電路之功率時,如 W
1
=W
2
,則此三相負載之功率因數為 (A)0 (B)0.5 (C)0.8 (D)1 。
56. 以電壓、電流及電功率計測量時,下列何圖為正確?(A)
(B)
(C)
(D)
。
57. 試求三相 220 伏、12 馬力之電動機(效率及功率因數均為 80%),其負載電流約為 (A)40 安培 (B)50 安培 (C)60 安培 (D)70 安培 。
58. 3φ4W 220/380 伏供電之三相器具使用電壓應為 (A)110 伏 (B)220 伏 (C)380伏 (D)440 伏 。
59. 依據「輸配電設備裝置規則」規定,線路相間電壓在多少伏特以下之電壓稱為低壓? (A)300 伏特 (B)600 伏特 (C)750 伏特 (D)1000 伏特 。
60. 如下圖所示 A、B、C 任意兩端之電阻為
(A)2Ω (B)3Ω (C)6Ω (D)9Ω 。
61. 表示蓄電池容量之單位為 (A)HZ (B)kWH (C)AH (D)kVA 。
62. 提高配電電壓之優點為 (A)減少線路損失 (B)增加安全距離 (C)增加絕緣設備(D)導線線徑增大 。
63. 繞有 200 匝線圈之電磁鐵,通以 2 安培的電流時,則該電磁鐵之磁動勢為(A)100 安培匝 (B)200 安培匝 (C)300 安培匝 (D)400 安培匝 。
64. 交流電壓之有效值為最大值的 (A)0.636 倍 (B)0.707 倍 (C)1.111 倍 (D)1.414倍 。
65. 交流電壓之最大值為有效值的 (A)
倍 (B)
倍 (C)
/2 倍 (D)
/3 倍 。
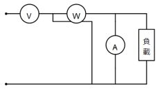
66. 三個 8 伏特的電池並聯後的電壓為 (A)2 伏特 (B)4 伏特 (C)6 伏特 (D)8 伏特 。
67. 三個 4 歐姆電阻串聯後,再與 12 歐姆之電阻並聯,則總電阻為 (A)2 歐姆(B)4 歐姆 (C)6 歐姆 (D)8 歐姆 。
68. 四個 12 歐姆電阻並聯則總電阻為 (A)2 歐姆 (B)3 歐姆 (C)4 歐姆 (D)6 歐姆 。
69. 三個 5 歐姆電阻串聯則總電阻為 (A)3 歐姆 (B)5 歐姆 (C)10 歐姆 (D)15 歐姆 。
70. 三個 8 伏特的電池串聯後之電壓為 (A)8 伏特 (B)16 伏特 (C)24 伏特 (D)32 伏特 。
71. 如下圖所示 I
1
之電流為
(A)2 安培 (B)3 安培 (C)4 安培 (D)5 安培 。
72. 試求 200 伏特,1000 瓦特之電熱器,其電熱線之電阻為 (A)20 歐姆 (B)30 歐姆 (C)40 歐姆 (D)50 歐姆 。
73. 電阻為 200 歐姆之電熱線通過 5 安培之電流 20 分鐘,其所產生之熱量為(A)1000 仟卡 (B)1100 仟卡 (C)1240 仟卡 (D)1440 仟卡 。
74. A、B 兩點電位差 9 伏特,若將一電荷由 A 點移至 B 點,需作功 18 焦耳,則該電荷量為 (A)1 庫倫 (B)2 庫倫 (C)3 庫倫 (D)4 庫倫 。
75. 有一電壓為 110 伏特之電路,電流為 5 安培,則此電路的電阻為 (A)22 歐姆 (B)25 歐姆 (C)30 歐姆 (D)35 歐姆 。
76. A、B 兩點電位差為 6 伏特,若將 5 庫侖的電荷量由 A 點移至 B 點,需作功 (A)15 焦耳 (B)20 焦耳 (C)25 焦耳 (D)30 焦耳 。
77. 如果在 0.02 秒內有一庫倫的電量通過一銅導線,其電流為 (A)30 安培 (B)40安培 (C)50 安培 (D)100 安培 。
78. 在導體中若通過該導體之電流為 0.3 安培,則一分鐘通過該導體之電荷量為 (A)3 庫倫 (B)6 庫倫 (C)10 庫倫 (D)18 庫倫 。
79. 右列金屬之電阻係數最大者為 (A)鋁 (B)金 (C)鎳鉻線 (D)銅 。
80. 變壓器之一次側外加電壓為額定電壓 2 倍時,則其鐵損為原來的 (A)1/4 倍(B)1 倍 (C)2 倍 (D)4 倍 。
81. 變壓器之開路試驗是測定變壓器 (A)銅損 (B)鐵損 (C)負載 (D)功率因數 。
82. 變壓器之短路試驗是測定變壓器 (A)銅損 (B)鐵損 (C)負載 (D)功率因數 。
83. 感應電動機裝設並聯電容器的目的為 (A)增加轉矩 (B)減少噪音 (C)減少線路電流 (D)增加起動電流 。
84. 三相變壓器 15kVA,其 220V 二次側電流為 (A)30A (B)39.5A (C)42A (D)45A 。
85. 四極交流機一週機械角等於 (A)180° (B)270° (C)360° (D)720° 。
86. 三相感應電動機Y-Δ降壓起動之際,其起動電流約為全壓起動電流的 (A)1/2 倍 (B)1/3 倍 (C)1/4 倍 (D)1/6 倍 。
87. 額定電壓 110V,容量 2kW 及 1kW 的電熱器,串接於 220V 電源時,1kW電熱器之端電壓為 (A)73.3V (B)110V (C)146.7V (D)220V 。
88. 電壓 110 伏特之電路,分別串接 2、3、5 歐姆的電阻成一電路,則 3 歐姆電阻的端電壓為 (A)11 伏特 (B)33 伏特 (C)44 伏特 (D)66 伏特 。
89. 5kΩ、20kW 之電阻器可容許通過的最大電流值為 (A)1A (B)2A (C)3A (D)4A 。
90. 電路中若電壓為 110 伏特,電阻為 10 歐姆,則流經該電阻之電流為 (A)0.09 安培 (B)10 安培 (C)11 安培 (D)1100 安培 。
91. 如果在 0.02 秒內有 1 庫倫的電量通過一銅導線,則電流為 (A)20 安培 (B)50安培 (C)80 安培 (D)110 安培 。
92. 電源電壓為 110 伏特之電路,當一 20 歐姆的電阻跨接於其兩端,如該電阻之端電壓為 100 伏特時,則電源內阻為 (A)2 歐姆 (B)4 歐姆 (C)6 歐姆 (D)8歐姆 。
93. 有一額定為 110 伏特 100 瓦之燈泡,則該燈泡之燈絲電阻約為 (A)101 歐姆(B)111 歐姆 (C)121 歐姆 (D)131 歐姆 。
94. 下圖 CD 兩點的端電壓為
(A)27.5V (B)55V (C)82.5V (D)110V 。
95. 三相交流回路按△結線,若三相負載平衡時,已知其相電壓為 220 伏特,則線電壓為 (A)110 伏特 (B)220 伏特 (C)380 伏特 (D)440 伏特 。
96. 下圖如 C
1
=C
2
=C
3
=15 法拉,則總電容量為
(A)5 法拉 (B)15 法拉 (C)30 法拉(D)45 法拉 。
97. 下圖如 C
1
=C
2
=C
3
=6 法拉,則總電容量為
(A)2 法拉 (B)6 法拉 (C)18 法拉 (D)24 法拉 。
98. 下圖如 L
1
=L
2
=4 亨利,則總電感量為
(A)2 亨利 (B)4 亨利 (C)8 亨利 (D)16 亨利 。
99. 目前我國供電電壓頻率為 (A) 50Hz (B)60Hz (C)50 及 60Hz (D)0Hz 。
100. 交流波之種類不包括下列何者 (A)正弦波 (B)三角波 (C)鋸齒波 (D)脈衝波 。
101. 已知頻率為 60Hz,試求其週期為 (A)16.7ms (B)1ms (C)60ms (D)8.8ms 。
102. 已知週期 0.5ms,試求其頻率為 (A)5kHz (B)2kHz (C)10kHz (D)2.5kHz 。
103. 儲能元件或儲能元件所組成的電路,於所儲存能量對所消耗能量的比率,稱之為 (A)P 值 (B)S 值 (C)Q 值 (D)T 值 。
104. 電路中電感器元件,其電流滯後電壓 (A)90° (B)30° (C)60° (D)-90° 。
105. 電路中電容器元件,其電壓滯後電流 (A)-90° (B)30° (C)60° (D)90° 。
106. 負載由 230 伏電力線取用 20 安培的電流,試求其視在功率 (A)9.2 仟伏安(B)4.6 仟伏安 (C)1.15 仟伏安 (D)10 仟伏安 。
107. 有一負載吸收 10kW 的平均功率,若無效功率為 0Var,試求其功率因數為(A)0 (B)0.1 (C)1 (D)0.5 。
108. 有一負載吸收 10kW 的平均功率,若無效功率為 5kVar,試求其功率因數為 (A)0 (B)0.25 (C)0.894 (D)0.5 。
109. 含有電阻、電感及電容特性電路,當電感與電容在某工作頻率下,發生諧振,此種電路稱之為 (A)共頻電路 (B)諧振電路 (C)共振電路 (D)響應電路 。
110. 含有電阻、電感及電容特性電路,當電感與電容在某工作頻率下,發生諧振,此種頻率稱之為 (A)共頻頻率 (B)諧振頻率 (C)共振頻率 (D)響應頻率 。
111. RLC 並聯諧振電路,會得到之電流值為 (A)不影響 (B)震盪 (C)最小值 (D)最大值 。
112. RLC 串聯諧振電路,會得到之電流值為 (A)不影響 (B)震盪 (C)最小值 (D)最大值 。
申論題 (0)
相關試卷
114年 - 07400 配電電纜裝修 丙級 工作項目 06:配電設備 51-92(2025/12/01 更新)#134010
114年 · #134010
114年 - 07400 配電電纜裝修 丙級 工作項目 06:配電設備 1-50(2025/12/01 更新)#134009
114年 · #134009
114年 - 07400 配電電纜裝修 丙級 工作項目 05:管線敷設及人、手孔作業 51-117(2025/12/01 更新)#134008
114年 · #134008
114年 - 07400 配電電纜裝修 丙級 工作項目 05:管線敷設及人、手孔作業 1-50(2025/12/01 更新)#134007
114年 · #134007
114年 - 07400 配電電纜裝修 丙級 工作項目 04:高壓電纜接頭處理作業 51-82(2025/12/01 更新)#134006
114年 · #134006
114年 - 07400 配電電纜裝修 丙級 工作項目 04:高壓電纜接頭處理作業 1-50(2025/12/01 更新)#134005
114年 · #134005
114年 - 07400 配電電纜裝修 丙級 工作項目 03:低壓電纜接頭處理作業 51-91(2025/12/01 更新)#134004
114年 · #134004
114年 - 07400 配電電纜裝修 丙級 工作項目 03:低壓電纜接頭處理作業 1-50(2025/12/01 更新)#134003
114年 · #134003
114年 - 07400 配電電纜裝修 丙級 工作項目 02:基本技能 101-132(2025/12/01 更新)#134002
114年 · #134002
114年 - 07400 配電電纜裝修 丙級 工作項目 02:基本技能 51-100(2025/12/01 更新)#134001
114年 · #134001