阿摩線上測驗
登入
首頁
>
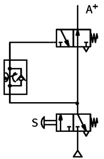
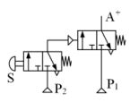
技檢◆氣壓-乙級
> 114年 - 08000 氣壓 乙級 工作項目 01:識圖與繪圖 1-50(2025/12/03 更新)#134158
114年 - 08000 氣壓 乙級 工作項目 01:識圖與繪圖 1-50(2025/12/03 更新)#134158
科目:
技檢◆氣壓-乙級 |
年份:
114年 |
選擇題數:
50 |
申論題數:
0
試卷資訊
所屬科目:
技檢◆氣壓-乙級
選擇題 (50)
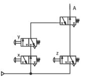
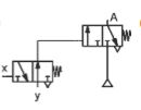
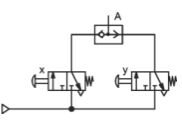
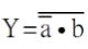
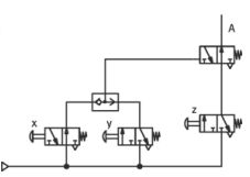
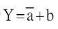
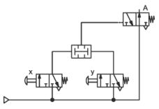
1. 如下圖所示,迴路邏輯功能與下列迴路何者相同﹖
(A)
(B)
(C)
(D)
。
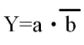
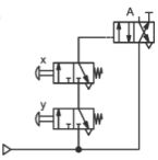
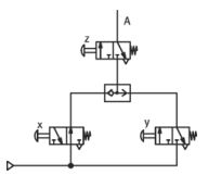
2. 如下圖所示,迴路的邏輯功能,與下列何者迴路相同?
(A)
(B)
(C)
(D)
。
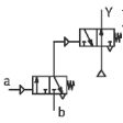
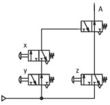
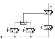
3. 下圖是某一控制系統中啟動部份,其中包括兩個按鈕開關及一個選擇開關。下列各種說明何者正確?
(A)開關 b 控制連續循環與停止連續循環選擇 (B)開關 c 控制停止連續循環 (C)開關 a 控制單一循環啟動、開關 b 控制連續啟動 (D)開關 b 控制啟動與停止之選擇 。
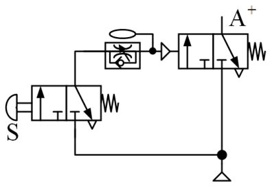
4. 有關下圖迴路之敘述,何者正確?
(A)持續按下按鈕開關 S 立即輸出 A
+
訊號直到 S 被放開後 A
+
才會消失 (B)按下按鈕開關 S 後、氣壓操作的 3/2閥立即切換,沒有輸出 A
+
訊號 (C)持續按下按鈕開關 S 立即輸出 A
+
訊號,到一定設定時間後 A
+
訊號自動消失 (D)按下按鈕開關 S 後立即放開,同時輸出 A
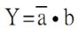
+
訊號,到一定設定時間後 A
+
訊號自動消失 。
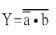
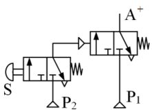
5. 有關下列迴路圖之功能,何者正確?
(A)持續按下按鈕閥 S 立即輸出 A+訊號,直到 S 被放開時,A
+
訊號才消失 (B)持續按下按鈕閥 S 後,經過一短暫時間,A
+
訊號才輸出 (C)持續按下按鈕閥 S 後,經過一短暫時間A
+
才自動消失 (D)按下按鈕閥 S 後立即放開,同時輸出 A
+
訊號,到一定時間後 A
+
才自動消失 。
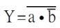
6. 有關下列迴路圖之功能,何者正確?
(A)持續按下按鈕閥 S 立即輸出 A
+
訊號,直到 S 被放開時,A
+
訊號才消失 (B)持續按下按鈕閥 S 後,經過一短暫時間,A
+
訊號才輸出 (C)持續按下按鈕閥 S 後,經過一短暫時間,A
+
才自動消失 (D)按下按鈕閥 S 後立即放開,同時輸出 A
+
訊號,到一定時間後 A
+
才自動消失 。
7. 有關下列迴路圖之功能,何者正確?
(A)持續按下按鈕閥 S 立即輸出 A
+
訊號,直到 S 被放開時,A
+
訊號才消失 (B)持續按下按鈕閥 S 後,經過一短暫時間,A
+
訊號才輸出 (C)持續按下按鈕閥 S 後,經過一短暫時間A
+
才自動消失 (D)按下按鈕閥 S 後立即放開,同時輸出 A
+
訊號,到一定時間後 A
+
才自動消失 。
8. 有關下列迴路圖之功能,何者正確?
(A)持續按下按鈕閥 S 立即輸出 A+訊號,直到 S 被放開時,A+ 訊號才消失 (B)持續按下按鈕閥 S 後,經過一短暫時間,A+訊號才輸出 (C)一開始即有訊號,持續按下按鈕閥 S後,經過一短暫時間 A+才自動消失 (D)按下按鈕閥 S 後立即放開,同時輸出 A+訊號,到一定時間後 A+ 才自動消失 。
9. 有關下列迴路圖之用途,何者正確?可作為
(A)訊號放大 (B)訊號延遲 (C)訊號縮短 (D)訊號延長使用 。
10. 有關下列迴路圖之用途,何者正確?可作為
(A)訊號放大 (B)訊號延遲 (C)訊號縮短 (D)訊號延長使用 。
11. 有關下列迴路圖之用途,何者正確?
(A)訊號放大 (B)訊號延遲 (C)訊號縮短 (D)訊號延長使用 。
12. 有關下列迴路圖之用途,何者正確?可作為 (A)訊號放大 (B)訊號延遲 (C)訊號縮短 (D)訊號延長使用 。
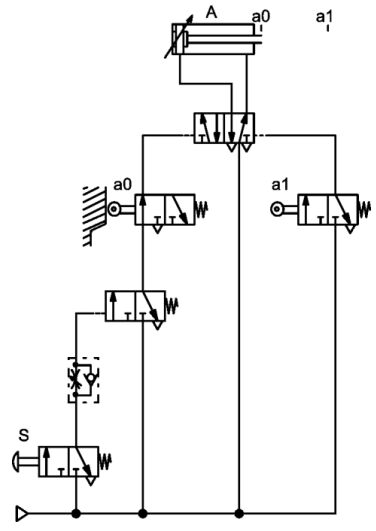
13. 依據下列的迴路圖,氣壓缸的動作是
(A)壓放按鈕開關 S 後氣壓缸 A 伸出至端點位置後退回原位停止 (B)壓放按鈕開關 S 後氣壓缸 A 沒有動作 (C)壓放按鈕開關 S 後氣壓缸 A 作往復運動一段時間後自動停止 (D)持續按下按鈕開關 S 時,氣壓缸 A 作往復運動,放開 S 時,氣壓缸作完該一循環後立即停止運動 。
14. 下列 CB 是那一種安裝形式?
(A)
(B)
(C)
(D)
。
15. 下列圖中哪一個是 LB 的安裝形式? (A)
(B)
(C)
(D)
。
16. 下列圖中哪一個是 LA 的安裝形式?(A)
(B)
(C)
(D)
。
17. 下列圖中哪一個是 FB 的安裝形式?(A)
(B)
(C)
(D)
。
18. 下列圖中哪一個是 FA 的安裝形式?(A)
(B)
(C)
(D)
。
19. 下列圖中哪一個是 CA 的安裝形式?(A)
(B)
(C)
(D)
。
20. 下列圖中哪一個是 TA 的安裝形式?(A)
(B)
(C)
(D)
。
21. 下列圖中哪一個是 TB 的安裝形式?(A)
(B)
(C)
(D)
。
22. 下列圖中哪一個是 TC 的安裝形式?(A)
(B)
(C)
(D)
。
23. 有一只重疊型的 3/2 閥,下列那個符號可用來表示中位重疊的流通型態?(A)
(B)
(C)
(D)
。
24. 下列何者為 TRIAC 的 I 與 V 特性曲線?(A)
(B)
(C)
(D)
。
25. 下列那種是裝在壓縮機後主幹管上的過濾器用?(A)
(B)
(C)
(D)
。
26. 一般工程製圖最常採用第 (A)一、三 (B)二、三 (C)三、四 (D)一、四 角法。
27. 機械加工面表面粗糙度最大者為 (A)精切面 (B)光胚面 (C)粗切面 (D)細切面 。
28. 尺寸標註
之公差為 (A)0.02 (B)0.03 (C)0.05 (D)0.07 。
29. 尺寸標註 30±0.03 之公差為 (A)0 (B)0.03 (C)0.06 (D)0.09 。
30. 尺寸標註ψ20H8 表示 (A)直徑 20 高度 8 (B)直徑 20 公差 H8 (C)球面 20 直徑 8 (D)球徑 20 高度 8 。
31. 下列何者不是工程圖尺寸標註正確表示? (A)□10 (B)D3 (C)C5 (D)R6 。
32.
左圖表示表面粗糙度為 (A)精切面 (B)光胚面 (C)粗切面 (D)細切面 。
33. 下列何者為表面粗糙度光胚面之圖示? (A)
(B)
(C)
(D)
。
34. A0 圖紙之面積為 (A)0.5m
2
(B)1.0 m
2
(C)1.3 m
2
(D)1.7 m
2
。
35. A0 圖紙之長邊為短邊的 (A)
(B)
(C)
(D)
倍。
36.
左圖表示 (A)電晶體 (B)FET (C)UJT (D)TRIAC 。
37.
左圖在電氣迴路中屬於 (A)優先 (B)同步 (C)保持 (D)雙穩態迴路。
38. 如下圖,繪製止回閥時,其θ角度應為
(A)45° (B)60° (C)90° (D)120° 。
39. 下列何者不是工程製圖的正確表示? (A)R5-半徑 5mm (B)←25→-長度25mm (C)t3-板厚 3mm (D)M8-公制 V 型螺紋 。
40. 下圖是工程製圖
(A)第一角法 (B)第二角法 (C)第三角法 (D)第四角法 的表示符號。
41. 工程圖之尺寸標註
表示 (A)弧長 (B)弦長 (C)公差 (D)粗糙度 。
42.
左圖表示 (A)稽納二極體 (B)SCR (C)OPAmp (D)SSR 。
43. 下列元件何者有光隔離的效果? (A)SCR (B)SSR (C)TRIAC (D)DIAC 。
44. 下圖信號-時間圖表示
(A)
(B)
(C)
(D)
。
45. 下圖中哪一個訊號-時間之邏輯方程式是正確?
(A)
(B)
(C)
(D)
。
46. 下圖中哪一個訊號-時間之邏輯方程式是正確?
(A)
(B)
(C)
(D)
。
47. 下圖中哪一個訊號-時間之邏輯方程式是正確?
(A)
(B)
(C)
(D)
。
48.
之
表示_________邏輯。 (A)全等 (B)互斥或 (C)反或 (D)隱含
49.
左圖表示_______邏輯。 (A)全等 (B)限制 (C)互斥或 (D)反或
50.
左圖表示 ______邏輯。(A)NOR (B)NAND (C)XOR (D)OR
申論題 (0)
相關試卷
114年 - 08000 氣壓 乙級 工作項目 06:維修 51-78(2025/12/03 更新)#134175
114年 · #134175
114年 - 08000 氣壓 乙級 工作項目 06:維修 1-50(2025/12/03 更新)#134174
114年 · #134174
114年 - 08000 氣壓 乙級 工作項目 05:裝配、運轉與調整 51-99(2025/12/03 更新)#134173
114年 · #134173
114年 - 08000 氣壓 乙級 工作項目 05:裝配、運轉與調整 1-50(2025/12/03 更新)#134172
114年 · #134172
114年 - 08000 氣壓 乙級 工作項目 04:設計 201-259(2025/12/03 更新)#134171
114年 · #134171
114年 - 08000 氣壓 乙級 工作項目 04:設計 151-200(2025/12/03 更新)#134170
114年 · #134170
114年 - 08000 氣壓 乙級 工作項目 04:設計 101-150(2025/12/03 更新)#134169
114年 · #134169
114年 - 08000 氣壓 乙級 工作項目 04:設計 51-100(2025/12/03 更新)#134168
114年 · #134168
114年 - 08000 氣壓 乙級 工作項目 04:設計 1-50(2025/12/03 更新)#134167
114年 · #134167
114年 - 08000 氣壓 乙級 工作項目 03:儀表及工具使用 101-162(2025/12/03 更新)#134166
114年 · #134166