阿摩線上測驗
登入
首頁
>
技檢◆氣壓-乙級
> 114年 - 08000 氣壓 乙級 工作項目 02:元件的認識 101-150(2025/12/03 更新)#134162
114年 - 08000 氣壓 乙級 工作項目 02:元件的認識 101-150(2025/12/03 更新)#134162
科目:
技檢◆氣壓-乙級 |
年份:
114年 |
選擇題數:
50 |
申論題數:
0
試卷資訊
所屬科目:
技檢◆氣壓-乙級
選擇題 (50)
101. 電子產業之無塵室使用氣壓系統時,下列哪個元件不能使用? (A)冷卻器 (B)給油器 (C)調壓器 (D)濾清器 。
102. 調理組選用的主要參考條件,為氣壓系統使用之 (A)致動器種類 (B)閥件種類 (C)時間長短 (D)壓力與流量 。
103. 有個二線式附 LED 之磁簧開關的內部迴路如下,何者在感測時感測器會導通,同時 LED 燈亦會亮?(A)
(B)
(C)
(D)
。
104. 下圖之電路圖,當二線式感測器沒有感測到物件時,電壓表 V
1
、V
2
顯示為何?
(A)都沒有電壓 (B)都有 24V 電壓 (C)V
1
≒24V、V
2
=0V (D)V
1
=0V、V
2
≒24V 。
105. 下圖之電路圖,當二線式感測器有感測到物件時,電壓表 V1、V2顯示為何?
(A)都沒有電壓 (B)都有 24V 電壓 (C)V
1
≒24V、V
2
≒0V (D)V
1
≒0V、V
2
≒24V 。
106. 有關 FA-ψ16×6×60 氣壓缸的敘述,下列何者正確? (A)該缸的行程為16 ㎜、缸徑ψ60 ㎜ (B)該缸的行程為 16 ㎜、缸徑ψ6 (C)安裝氣壓缸的方式為耳軸型 (D)該缸的缸徑ψ16、行程為 60 ㎜ 。
107. 有關 LB-ψ63×25×300 氣壓缸的敘述,下列何者正確? (A)該缸的行程為 63 ㎜、缸徑ψ25 ㎜ (B)安裝氣壓缸的方式為法蘭型 (C)安裝氣壓缸的方式為縱向腳座型 (D)該缸的桿徑ψ63、行程為 300 ㎜ 。
108. 下圖為加工件經過翻轉機構順時鐘轉 90 度,試問驅動翻轉機構之氣壓缸應以何種方式安裝,才能順利動作?
(A)FA:前法蘭型 (B)FB:後法蘭型(C)CA 環首(單山)型 (D)LB:腳座型 。
109. 氣壓缸之允許行程長度與安裝方式有密切關係,在相同缸徑、桿徑的氣壓缸,採用何種安裝方式可得到最大行程長度? (A)TA:前耳軸型 (B)TB:後耳軸型 (C)TC:中間耳軸型 (D)CA 環首(單山)型 。
110. 有關緩衝氣壓缸的敘述,下列何者錯誤? (A)保護活塞在端點不受劇烈撞擊 (B)緩衝螺栓調愈緊,緩衝效果愈明顯,工作效率愈高 (C)有單側或雙側緩衝之分 (D)活塞桿在正常行程速度不受影響,僅在靠近端點時才變慢速 。
111. 有關衝擊氣壓缸的敘述,下列何者錯誤? (A)搭配機械需求,可以有較長的行程 (B)利用提升速度,大幅增加動能 (C)氣壓缸內部須有預壓蓄氣室 (D)衝擊速度可達 7.5~10m/s,適用於衝剪、鍛造等作業 。
112. 一般氣壓缸完整的規格,包含缸徑、_________安裝方式、有無緩衝裝置、活塞桿接頭方式等。 (A)長度 (B)行程 (C)寬度 (D)重量
113. 下列哪一個元組件可將空氣的壓力能轉換為直線式機械能? (A)氣壓擺動缸 (B)氣壓馬達 (C)氣壓缸 (D)氣壓噴嘴 。
114. 氣壓缸最大行程的限制,是依據活塞桿徑、負荷關係、有無引導、負荷的方向及 (A)空氣使用壓力 (B)活塞速度快慢 (C)有無緩衝 (D)裝配方式 等因素綜合考量。
115. 工業規格之閥件,限定使用溫度在 5~50℃之間,係受到閥件內部之 (A)使用空氣 (B)襯墊材料 (C)滑軸材質 (D)閥體材料 的限制。
116. 下列何種方式無法明顯提升氣壓缸移動速度? (A)排氣側加裝快速排氣閥 (B)改用有效斷面積較大的閥件 (C)採用大型氣壓缸 (D)增加氣壓缸之進氣量 。
117. 在低壓感測系統中,不可用給油器的最主要原因為 (A)氣壓式放大器內部膜片會沾黏 (B)輸送管路會阻塞 (C)氣壓感測器發射噴嘴會阻塞 (D)氣壓感測器接收噴嘴會阻塞 。
118. 氣壓近接感測裝置不適用於哪個場合? (A)環境操作溫度較高 (B)需防火、防爆 (C)受磁場、音波干擾 (D)受氣流干擾 的場合。
119. 在精密模具公母模閉合時,要檢測閉合精度(0.01 ㎜以下)應使用 (A)反射式
(B)氣障式
(C)背壓式
(D)中斷氣流式低壓感測器最正確
。
120. 下圖為氣壓之
(A)一級壓力放大器 (B)二級壓力放大器 (C)三級壓力放大器(D)常壓型氣導式三口二位方向閥 。
121. 下圖為氣壓之
(A)二級壓力放大器 (B)直動式 3/2 彈簧歸位電磁閥 (C)內導式 3/2 彈簧歸位電磁閥 (D)外導式 3/2 彈簧歸位電磁閥 。
122. 下圖為氣壓之
(A)加數型計數器 (B)減數型計數器 (C)差數型計數器 (D)一般型延時閥 。
123. 如下圖,為氣壓之計數器,P:輸入口、A:輸出口、Y:復歸用接口、Z:計數用接口,箭頭所指部位為
(A)排氣口 (B)氣壓引導接口 (C)手動復歸鈕(D)第二個輸出接口 。
124. 下列何者不是使用氣油壓轉換器的特點? (A)獲得大的出力 (B)行程中間位置定位精確 (C)慢速移動可得穩定的速度 (D)負荷如有變動仍可得穩定的速度 。
125. 下列何者不是使用氣油壓增壓器的特點? (A)獲得大的出力 (B)容易控制出力大小 (C)不需使用高壓的壓縮空氣 (D)獲得快速的移動速度 。
126. 一般直立式蓄氣筒需配備有空氣輸入出口、釋壓閥、排水閥及 (A)流量計 (B)溫度計 (C)壓力計 (D)溼度計 。
127. 有關空氣蓄氣筒之功能,下列何者錯誤? (A)使供氣平穩,減少浪壓 (B)作為瞬間消耗大量氣體補充之用 (C)利用大表面積散熱,排除部分凝結水 (D)提昇工作壓力可節省耗能 。
128. 衝擊式氣壓缸內的蓄氣室,其功能為 (A)提升空氣壓力 (B)加大活塞出力(C)儲存使用空氣 (D)增加活動件質量 。
129. 真空產生器吸力大小與下列何者無關? (A)吸盤面積 (B)吸入流量 (C)真空壓力 (D)供應真空產生器的空氣壓力 。
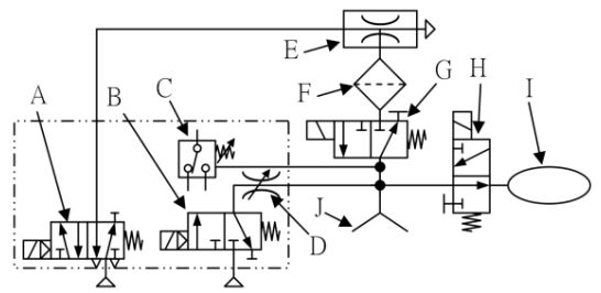
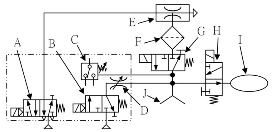
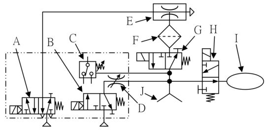
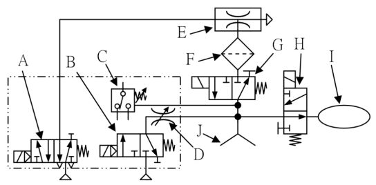
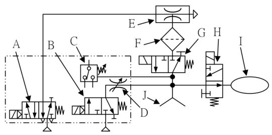
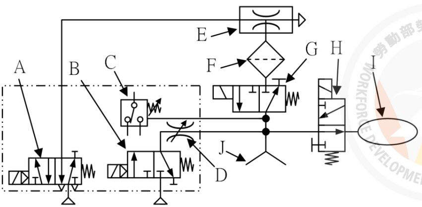
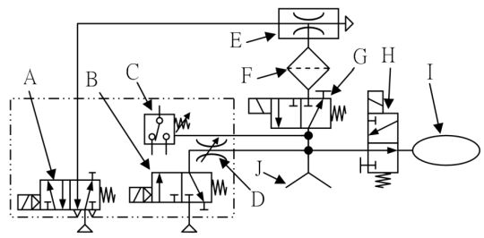
130. 下圖為一套真空產生系統,可利用常壓空氣轉換為真空壓吸取物件,請問〝A〞閥件的名稱為何?
(A)真空壓力開關 (B)3/2 單邊氣導電磁閥用(C)5/2 單邊氣導電磁閥 (D)可調式節流閥 。
131. 下圖為一套真空產生系統,可利用常壓空氣轉換為真空壓吸取物件,請問〝B〞閥件的名稱為何?
(A)真空壓力開關 (B)3/2 單邊氣導電磁閥用(C)5/2 單邊氣導電磁閥 (D)可調式節流閥 。
132. 下圖為一套真空產生系統,可利用常壓空氣轉換為真空壓吸取物件,請問〝C〞閥件的名稱為何?
(A)可調式節流閥 (B)3/2 單邊氣導電磁閥用(C)5/2 單邊氣導電磁閥 (D)真空壓力開關 。
133. 下圖為一套真空產生系統,可利用常壓空氣轉換為真空壓吸取物件,請問〝D〞閥件的名稱為何?
(A)可調式節流閥 (B)3/2 單邊氣導電磁閥用(C)5/2 單邊氣導電磁閥 (D)真空壓力開關 。
134. 下圖為一套真空產生系統,可利用常壓空氣轉換為真空壓吸取物件,請問〝E〞閥件的名稱為何?
(A)3/2 單邊常開型直動電磁閥 (B)真空產生器(C)3/2 單邊常閉型直動電磁閥 (D)真空過濾器 。
135. 下圖為一套真空產生系統,可利用常壓空氣轉換為真空壓吸取物件,請問〝F〞閥件的名稱為何?
(A)3/2 單邊常開型直動電磁閥 (B)真空產生器(C)3/2 單邊常閉型直動電磁閥 (D)真空過濾器 。
136. 下圖為一套真空產生系統,可利用常壓空氣轉換為真空壓吸取物件,請問〝G〞閥件的名稱為何?
(A)3/2 單邊常開型直動電磁閥 (B)真空產生器(C)3/2 單邊常閉型直動電磁閥 (D)真空過濾器 。
137. 下圖為一套真空產生系統,可利用常壓空氣轉換為真空壓吸取物件,請問〝H〞閥件的名稱為何?
(A)3/2 單邊常開型直動電磁閥 (B)真空產生器(C)3/2 單邊常閉型直動電磁閥 (D)真空過濾器 。
138. 有關 LB-ψ100×25×500 氣壓缸的敘述,何者正確? (A)控制該缸的移動速度,以排氣節流控制為主 (B)氣壓缸內部有復歸彈簧 (C)安裝氣壓缸的方式為耳軸型 (D)該缸的缸徑ψ25、桿徑ψ100、行程為 500 ㎜ 。
139. 有關 FA-ψ80×25×400 氣壓缸的敘述,何者有誤? (A)該缸的移動範圍最大行程為 400 ㎜ (B)所驅動物體以鉛錘方向倒吊為原則 (C)安裝氣壓缸的方式為後法蘭型 (D)該缸的缸徑ψ80、缸徑ψ25 。
140. 有關緩衝型氣壓缸的敘述,何者正確? (A)隨著緩衝效果愈明顯,工作行程也愈縮短 (B)利用緩衝活塞要達終點前,阻斷正常排氣管道造成氣墊現象,以獲得緩衝效果 (C)若反時針方向旋轉調整螺栓,可提升緩衝效果 (D)緩衝長度與活塞缸徑大小沒有直接關連 。
141. 一般氣壓缸的規格中有〝缸徑〞項,可方便使用者瞭解哪一項? (A)安裝長度 (B)出力大小 (C)移動範圍 (D)移動速度 。
142. 一般氣壓缸的規格中有〝行程〞項,可方便使用者瞭解哪一項? (A)安裝高度 (B)出力大小 (C)移動範圍 (D)移動速度 。
143. 有關提升氣壓缸移動速度方法,何者正確? (A)改換大型氣壓缸 (B)縮短氣壓缸行程 (C)排氣側加裝快速排氣閥 (D)拔除控制閥件之消音器 。
144. 氣壓式近接感測裝置不適用於哪些場合? (A)環境操作在常溫下 (B)需防火、防爆 (C)灰塵干擾嚴重 (D)受氣流干擾的場合 。
145. 有關空氣蓄氣筒之功能敘述,何者正確? (A)提昇工作壓力 (B)減少空壓機能源的消耗 (C)增加空壓機供應壓縮空氣之流量 (D)使供氣平穩,減少浪壓 。
146. 一般直立式蓄氣筒的主要配備有空氣出入口、壓力計、釋壓閥,尚有下列何者? (A)液位計 (B)排水閥 (C)溫度計 (D)溼度計 。
複選題
147. 產生壓縮空氣的機械裝置,主要有: (A)乾燥機 (B)鼓風機 (C)冷凍機 (D)壓縮機 。
複選題
148. ψ80×100 之氣壓缸,欲使理論出力為 1200N,應使用多大壓力源? (A)24bar (B)240kpa (C)2.4bar (D)34.8psi 。
複選題
149. 容積型氣壓馬達的結構形式有: (A)齒輪式 (B)活塞式 (C)輪機式 (D)輪葉式 。
複選題
150. 下列哪些是對氣壓馬達的正確描述: (A)易受水分,冷熱之影響 (B)具有防爆能力 (C)超負載安全 (D)重量較重 。
申論題 (0)