所屬科目:台電◆工程力學概要
1. 梁中任一斷面之剪力對沿著軸向方向一階微分,所求之數值代表下列何種物理意義?(A)外加荷載 (B)應變 (C)彎矩 (D)扭力
2. 有一梁之剪力圖係呈現水平直線,則其相對應之彎矩圖為下列何者?(A)具斜率之傾斜直線 (B)水平直線(C)二次方拋物線 (D)三次方拋物線
3. 有關梁之剪力圖及彎矩圖,下列敘述何者有誤?(A)剪力圖上任意兩斷面內之面積等於該兩斷面間彎矩差(B)彎矩圖之斜率即為荷重強度(C)剪力最大處彎矩不一定為最大(D)剪力曲線與橫軸交點處即為最大彎矩處
4. 下列均為相同材料、相等面積之梁,何者斷面對 x 軸之慣性矩最大?(A)(B)(C)(D)
5. 有關臨界斷面之敘述,下列何者正確?(A)剪力最大處 (B)剪力為零(C)發生在彎矩圖彎矩由負變為正值處 (D)發生在彎矩圖彎矩由正變為負值處
6. 下列何者非屬影響鋼柱發生整體挫屈(Global Buckling)之重要參數?(A)鋼柱之長細比 (B)鋼柱之有效長度 (C)鋼材之彈性模數 (D)鋼材之蒲松比
7. 一梁承受均佈載重時,下列何者正確?(A)梁內部只受到正交應力而無剪應力 (B)梁內部只受到剪應力而無正交應力(C)梁內部同時受到正交應力與剪應力 (D)梁所受的剪應力在梁的上、下表面最大
8. 有關力與力偶之敘述,下列何者有誤?(A)力偶係一對大小相等,方向相反,且作用線不同之兩平行力(B)將力偶在其作用面上任意轉動無法改變其外效應(C)一單力可分解為等效之另一單力及一力偶,該等效單力作用點會變更(D)力偶三要素為力偶矩大小、力偶矩旋轉方向及作用點
9. 有關莫耳圓半徑的物理或幾何意義,下列敘述何者正確?(A)半徑等於材料的降伏強度 (B)半徑等於最大剪應力的大小(C)半徑等於兩主應力的總和 (D)半徑與正應力方向的角度變化成正比
10. 在平衡位置上給予系統一微小擾動,系統無法靠自己的回復力回到原平衡位置,而會在新的位置上保持平衡,此現象稱為下列何者? (A)穩定平衡 (B)不穩定平衡 (C)中性平衡 (D)靜力平衡
11. 如右圖所示的桁架結構,有一外力 P 作用於節點 F,其內力為零的桿件共有多少支?(A) 1 (B) 2(C) 3 (D) 4
12. 如右圖所示的桁架結構,其穩定性應屬下列何者?(A)不穩定 (B)靜定(C) 1度靜不定 (D) 2度靜不定
13. 一木盒質量為 m,沿著斜坡面由靜止狀態開始下滑,在下滑 h 之垂直高度後,試求木盒之質心速率為何?(假設木盒與斜坡間無摩擦,斜坡面與水平面之夾角為θ,重力加速度g)(A)(B)(C)(D)mgh
14. 一銅棒長30 cm,直徑為4 cm,若受張力作用後軸向伸長0.025 cm,橫向同時收縮0.0005 cm, 試求其蒲松比為何? (A) 0.1 (B) 0.15 (C) 0.2 (D) 0.25
15. 一均勻銅棒長7 m,其斷面積為10 cm2 ,彈性係數 E=4.9✖106 kg/cm2 ,若承受7噸之拉力時,試求其伸長量為何? (A) 0.1 cm (B) 0.7 cm (C) 1 cm (D) 10 cm
16. 如右圖所示之簡支梁,若承受逆時針方向之彎矩作用,則其彎矩圖為何?(A)(B)(C)(D)
17. 一矩形薄板處於平面應力狀態,並承受正常應力σₓ=35 MPa、σy=26 MPa及剪應力τₓy=14 MPa。試求主應力之間的大小比值(σ₁/σ₂)為多少?(計算至小數點後第1位,以下四捨五入)(A) 0.8 (B) 1.5 (C) 2.1 (D) 2.9
18. 有大小、質量均相同之 A、B 球做直線運動,兩球碰撞前之速度分別為6 m/s向右、4 m/s向左 ,碰撞後之速度分別為3 m/s 向右、7 m/s 向右,試求 A、B 球間之恢復係數 e 為何? (A) 0.3 (B) 0.4 (C) 0.5 (D) 0.6
19. 某材料剪應力為 500 kPa 時剪應變為 0.001,已知該材料蒲松比 ν = 0.6,試求彈性模數 E 值為何? (A) 1.4 GPa (B) 1.5 GPa (C) 1.6 GPa (D) 1.8 GPa
20. 下列何者屬於 SI 制單位?(A) ft (B) Hz (C) psi (D) atm
21. 如右圖所示之簡支梁,試求 A 點支承反力為何?(A) 6. 5 t (↓) (B) 6. 5 t (↑)(C) 11. 5 t (↓) (D) 11. 5 t (↑)
22. SI 制單位通常由輔助字首及單位組成,如重量單位 kg,該輔助字首 k 等於 103。下列有關輔助字首之敘述,何者正確?(A) μ等於10-9 (B) n等於10-9 (C) m等於10-1 (D) G等於106
23. 一質點作直線運動,其運動方程式 V = 7t+19 m/sec,則此質點狀態為下列何者?(A)等速運動 (B)等加速度運動 (C)變加速度運動 (D)靜止
24. 下列有關剪力中心之敘述,何者有誤?(A)當力量作用在剪力中心時,梁斷面只彎曲不扭轉(B)斷面撓曲剪應力形成的合力會通過剪力中心(C)剪力中心的位置與載重合力大小有關(D)當梁斷面之橫向載重合力中心與剪力中心未重合,會引發額外的斷面扭矩
25. 一根木樁被打入地中,完全靠樁側面與土壤之間的摩擦力來支撐外加載重 P,假設單位長度的摩擦力為 f 且沿木樁側面均勻分佈,木樁的長度為 L,橫截面的面積為 A,彈性係數為 E。試求軸向變形為何?(註:f = P/L、軸力N(y) = f✖y、 y = 0 ~ L)(A) (B) (C) (D)
26. 下列何者為純量?(A)摩擦力 (B)合力 (C)力矩 (D)質量
27. 下列有關桁架分析之假設,何者有誤?(A)桁架桿件樞接點(Pin)不考慮摩擦力 (B)平面桁架之各桿件及載重皆在同一平面(C)桁架桿件之自重可不考慮 (D)桁架之載重可直接施加於桿件上任意點
28. 有關三力平衡之條件,下列何者正確?(A)三力必作用在同一平面 (B)三力作用線必交於一點(C)三力必成一閉合直角三角形 (D)三力作用線必共線
29. 對非共點非平行之平面力系而言,若採用∑ Fy=0,∑MA=0,∑MB=0 代表平衡方程式,則下列敘述何者正確?(A) A、B 兩點可為平面上任意兩點 (B) A、B 兩點不共點,但可為 x 軸上任意兩點(C) A、B 兩點可共點 (D) A、B 兩點不共點,但可為 y 軸上任意兩點
30. 二力同時作用於一點,其夾角為下列何值時之合力最小?(A) 0º (B) 30º (C) 60º (D) 90º
31. 分析力學問題時會使用到自由體圖,下列有關自由體圖之敘述,何者有誤?(A)外力會因截取方式不同而方向不同(B)自由體截出部分應處於力平衡狀態(C)自由體截斷處可能有內力作用於各部分(D)截取自由體方式有無限多種
32. 下列有關零桿件之敘述,何者有誤?(A)內力為零之桿件(B)兩桿件相交於一點,不成一直線,且節點上無外力作用(C)三桿件相交於一點,如兩力共線時,不須考慮其作用力存在與否(D)三桿件相交於一點,其中有兩力共線時,則第三桿件為零桿件
33. 下列有關力的絕對單位,何者有誤?(A) kg∙m/sec2(B) g∙cm/sec2(C) lb∙ft/sec2 (D) kg∙cm/sec
34. 一個力學系統最多可分離繪出多少個自由體圖?(A) 1個 (B) 2個 (C) 3個 (D)任意多個
35. 下列有關靜摩擦之敘述,何者有誤?(A)靜摩擦係受力物體在接觸面維持靜止不動,此時產生摩擦力(B)最大靜摩擦係受力物體在接觸面上開始滑動之瞬間,與物體接觸面積大小有關(C)對木箱施力,但是木箱仍保持靜止不動,表示木箱所受合力為零(D)若接觸面愈粗糙,則推動物體的最大靜摩擦力將愈大
36. 下列有關動摩擦之敘述,何者有誤?(A)動摩擦力必大於最大靜摩擦力(B)動摩擦和物體與接觸面間的性質有關(C)動摩擦力和接觸面間的正向力(N)成正比(D)動摩擦係受力物體在運動下,此時產生之摩擦力
37. 一木塊原靜止於水平木板上,若將水平木板的一端慢慢舉起,當木板和地板斜角為 θ 時,木塊開始沿斜面下滑,此時保持斜角固定,下列敘述何者正確? (A)啟動前,木塊下滑力小於摩擦力 (B)木塊滑下前的摩擦力逐漸變小 (C)木塊下滑後的速度逐漸增加 (D)木塊的正向力等於重力
38. 下列有關慣性矩之敘述,何者有誤?(A)慣性矩係使物體變形所需外加之力矩(B)慣性矩的值愈大,表示愈不容易產生變形(C)慣性矩為純量(D)多數微面積離指定軸愈遠離,則慣性矩值愈大
39. 下列有關應力之單位,何者有誤?(A) kgf/cm2(B) Pa (C) psi (D) lb
40. 下列有關蒲松比之敘述,何者有誤?(A)為收縮應變與伸長應變之絕對比值 (B)金屬材料之蒲松比為0.25~0.35(C)為橫向應變與軸向應變之絕對比值 (D)一般材料之蒲松比超過0.5
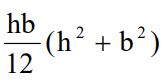
41. 一矩形面為 b×h,則該矩形面對形心軸交點之極慣性矩 J0 為下列何者?(A) (B) (C) (D) 0
42. 已知某材料之截面積 A,長度 L,彈性模數 E,若此材料承受拉力 P,且伸長量為 δ,下列何者正確?(A) (B) (C) (D)
43. 有關材料之彈性模數,下列敘述何者正確?(A)材料之彈性模數愈大愈容易變形 (B)材料之彈性模數愈大愈不容易變形(C)材料之彈性模數與變形無關 (D)材料之彈性模數愈大其重量愈重
44. 移動水平板上所置重10 N之物體需水平力10 N,若將水平板一端緩緩抬起,恰使物體開始向下滑動,試求此時物體與接觸面間之傾斜角為何?(A) 30 (B) 37 (C) 45 (D) 53
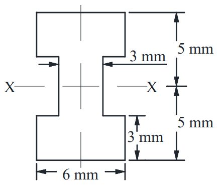
45. 如右圖所示之對稱斷面,其慣性矩 Ix為多少cm4?(A) 250 (B) 317(C) 484 (D) 512
46. 已知一梁之斷面寬為 b,高為 h,若寬不變,高減少一半,則斷面模數相較原來為何?(A)不一定 (B)不變 (C)增大 (D)減少
47. 如右圖所示,繩索與滑輪間之摩擦不計,若斜面之摩擦係數為 0.1,試求 W 往下滑時所需之重量至少為何?(A) (B)(C) (D)
48. 空間力 F=100 N,與 x 軸、y 軸、z 軸的夾角分別為 α、60º、45º,試求 F 在 x 軸的分量為何?(A) 40 N (B) 50 N (C) 60 N (D) 70 N
49. 如右圖所示,靜摩擦係數為0.5,物塊重量 W = 15 N,受水平外力 P = 20 N,假設 f 為接觸摩擦力,下列何者正確?(A) f 方向為 → (B) f 方向為 ← (C) f 方向為↑(D) f = 0
50. 如右圖所示,假設物體 A 與 B 間無摩擦,物體與地板間之摩擦係數為0.3,若欲拉動 B,試求 P 力最少應為何?(A) 12 N (B) 18 N(C) 30 N (D) 48 N