所屬科目:機械設計
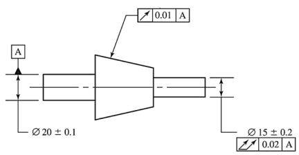
一、如圖所示工件,其長度單位是 mm,請說明圖中所標示的基準、幾何公差的定義,(15 分)及其量測的方法。(10 分)
(一)請說明 S-N 曲線(應力壽命曲線)。(10 分)
(二) S-N 曲線通常針對完全反向應力(平均應力為零)生成,實際應用中波動應力往往具有非零平均應力。若平均應力為拉應力,疲勞壽命及允許交替應力會減少。計算高反覆疲勞(High Cycle Fatigue, HCF),針對平均應力的影響,請說明常見準則有那些理論?請用文字及疲勞圖曲線來 顯示其理論。(15 分)
三、定義一個漸開線圓柱螺旋齒輪齒形,通常需要指定齒數、法向模數、法向壓力角、螺旋角等,請說明一對平行軸漸開線圓柱螺旋齒輪對能夠平順嚙合的條件有那些?(25 分)
(一)徑向滑動軸承或軸頸軸承(Journal Bearings)
(二)止推滑動軸承(Thrust Bearings)
(三)自潤滑軸承(Self-Lubricating Bearings)
(四)液動壓軸承(Hydrodynamic Bearings)
(五)液靜壓軸承(Hydrostatic Bearings)