所屬科目:教甄◆汽車科
1.某六缸四行程引擎之缸徑為 100 mm、行程為 100 mm,若引擎轉速為 3000 rpm 時,測得每分鐘吸入汽缸之總空氣量為 4.95m3,則該引擎之容積效率 ( volumetric efficiency )為何? (A) 70 % (B) 75 % (C) 80 % (D) 85 %
2.下列為某一引擎於不同運轉狀態下之燃料消耗率,何者較省油?(A) 以制動馬力 105 PS 運轉 85 分鐘,消耗汽油 29 kg(B) 以制動馬力 95 PS 運轉 82 分鐘,消耗汽油 27 kg(C) 以制動馬力 130 PS 運轉 90 分鐘,消耗汽油 32 kg(D) 以制動馬力 115 PS 運轉 88 分鐘,消耗汽油 30 kg
3.測試電子噴射燃料系統時,發現下列三種狀況:a 引擎熄火後,燃油管內殘壓不足、b 引擎怠速運轉時與瞬間加速時,燃油壓力相近、c 引擎怠速運轉時,將壓力調整器之真空管拔下後,燃油壓力未增加。技工甲說:「可能是電動汽油泵不良」,技工乙說:「可能是真空管破裂」,針對技工甲與技工乙 的說法,下列敘述何者正確? (A) 技工甲的說法錯誤,技工乙也錯誤。 (B) 技工甲的說法錯誤,技工乙則正確。 (C) 技工甲的說法正確,技工乙則錯誤。 (D) 技工甲的說法正確,技工乙也正確。
4.點火順序為 1-4-2-6-3-5 的直列六缸四行程汽油引擎,當第三缸在壓縮上死點前 90 度,請問第一缸位於何種行程? (A) 壓縮行程。 (B) 動力行程。 (C) 進氣行程。 (D)排氣行程。
5.外傾角 ( Camber ) 為正時,下列那一項敘述錯誤?(A) 車子的載重增加,外傾角跟著減少。(B) 可減少指軸所承受來自地面的反作用力。(C) 易造成輪胎內側磨損。(D) 可防止輪胎滑出指軸。
6.如圖 1 所示電路,BJT 之切入電壓VBE=0.7V、 VCE=0.2V 且 VCC=10.2V、 Vi=5.7V、RB=10kΩ、 RC=1kΩ,則電流I C為何? (A) 0 mA (B) 0.5 mA (C) 5 mA (D) 10 mA
7.如圖 2 所示,下列敘述何者正確?(A) I 1 = 12 A(B) I 2 = 9 A(C) I 3 = 6 A(D) I4 = 3 A
8.The space between the bearing and the journal is called the?(A) air clearance(B) journal clearance(C) oil clearance(D) endplay clearance
9.若 300 庫侖電荷在時間 2 分 30 秒內通過導線,則通過導線之電流安培數爲? (A) 1 安培。 (B) 2 安培。 (C) 3 安培。 (D) 4 安培。
10.有甲、乙兩條鎳鉻線,其材料相同,設 A 的長度爲 B 的兩倍,B 的線徑為 A的一半,若 B 的電阻爲 10 歐姆,則 A 的電阻爲多少歐姆?(A) 1.25 歐姆。(B) 5 歐姆。(C) 10 歐姆。(D) 20 歐姆。
11.某同學家裡電鍋 600 瓦每日使用 2 小時,照明用電共 200 瓦每日使用 6 小 時,其他家電用品共 1400 瓦,每日使用 5 小時,則每月(以 30 日計算) 之電費大約為多少?(假設每度電爲 4 元) (A)520 元。 (B)864 元。 (C)1128 元。 (D)1684 元。
12.有一正弦波之角速度爲 314 弳/秒(rad/s),則其週期為?(A)0.04 秒。(B)5.15 秒。(C)0.02 秒。(D)0.01 秒。
13.有位同學重 60 公斤,站在一電梯中,若電梯以 3 公尺/秒2 之加速度向下運動,則這位同學對電梯之載重為? (A) 34.7 公斤。 (B) 41.6 公斤。 (C) 78.4 公斤。 (D) 65.3 公斤。
14.某汽車排入三檔時,變速箱之減速比為 1.5,最終傳動減速比為 4,該汽車 之車輪有效直徑為 60cm,傳動系統之效率為 0.9,當引擎轉速達 2000rpm 時產生 20kgf-m 之扭力,試求此時作用於輪胎上之驅動力為多少 kgf? (A)180 (B)200 (C)360 (D)200
15.若真空輔助煞車的進氣歧管真空為 500mm-hg 時,膜片直徑為 15cm,則作用於膜片之作用力為?(A)62 kgf(B)75 kgf(C)102 kgf(D)120 kgf
16.有關電瓶充電方式,下列敘述何者錯誤? (A)不同電壓的電瓶,必須採串聯方式連接充電。 (B)採取等流充電法充電時,充電機的充電電壓會隨電瓶電壓的升高而自動變小。 (C)以等流充電法充電時,充電電流應以最小電容量的電瓶為基準。 (D)多只電瓶以等流充電法充電時,各充電電瓶須採串聯方式接線。
17.若 a =含氧感知器、 b =白金熱線式空氣流量計、 c =卡門漩渦式空氣流量計、d =壓阻式歧管壓力感知器,則上述感知器中那些非「惠斯登電橋電路」的運用? (A) a 與 c (B) b 與 d (C) c 與 d (D) a 與 d
18.關於電動車再生煞車之特性,下列敘述何者有誤?(A)再生煞車必須額外的發電機。(B)再生煞車使用原來的動力馬達。(C)直流馬達可做再生煞車。(D)交流馬達可做再生煞車。
19.關於電動車維修操作中,下列何者有安全疑慮?(A)橘色電纜線為高壓迴路,若有破損應立即更換。(B)系統維修時,應關閉系統電源並移除維修插銷(Service Plug)。(C)系統維修時,人員應配戴絕緣護具,如絕緣手套、絕緣墊等。(D)當電動車發生事故搶救時,應趕緊剪斷橘色電纜來切斷電源。
20.某 DI(Direct injection)汽油引擎,運轉時會有兩種燃燒領域,分別為成層燃燒及均質燃燒,請問下列何者錯誤? (A) 低負荷運轉時為成層燃燒。 (B) 成層燃燒時燃料於壓縮行程末期噴入汽缸內。 (C) 均質燃燒時氣體於汽缸內產生渦流。 (D) 成層燃燒時汽缸內空燃比約為 40:1。
1.如圖 3 所示,物體 A 重 60N,物體 B 重 50N,F=30N,物體 A 與物體 B 之間摩擦係數為 0.15,物體 B 與地面之摩擦係數為 0.2,若一水平力 P 將物體 B 由靜止推出,則 P 至少需多少 N?
2.一位質量為 50kg 的人自靜止狀態,沿著傾斜角為 30°的光滑長斜面下滑, 則從開始下滑後的第 1 秒到第 3 秒期間所作的功為多少 N-m? (假設重力加速度為 10 m /s2,sin 30°= 0.5, cos 30°=0.866 )
3.有一台汽車輪胎規格原本為 195/65 HR16 ,若車要改用用 225/55 HR17 ,則該車在更換輪胎規格之後外徑相差多少 mm?(請計算至小數點後第 1 位數字)
4.有一四缸四行程汽油引擎,其汽缸直徑為 D=90mm,行程為 S=85mm,當引擎轉速為 2000rpm,制動平均有效壓力為 18 kg/cm2,求該引擎制動馬力多少?(ps) (請計算至小數點後第 1 位數字)
5.如圖 4 所示斜面之摩擦係數 μ = tan ∅,請證明為何 F=W tan(∅ +θ)?
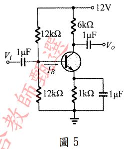
6.如圖 5 所示,電晶體之β=100,則此電路中靜態工作點之IB為何?