所屬科目:技檢◆油壓-丙級
1. 最精密的閥是 (A)電氣油壓伺服閥 (B)流量控制閥 (C)溢流閥 (D)比例式方向控制閥。
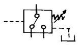
2. 如下圖為 (A)溢流閥 (B)引導動作型減壓閥 (C)制動閥(剎車閥) (D)抗衡閥 之符號。
3. 下圖符號表示為 (A)油面計 (B)冷卻器 (C)排水器 (D)壓力計。
4. 下列何者與職場母性健康保護較不相關? (A)性別平等工作法 (B)職業安全衛生法 (C)妊娠與分娩後女性及未滿十八歲勞工禁止從事危險性或有害性工作認定標準 (D)動力堆高機型式驗證。
5. 我們常用的作動油黏度等級為 (A)ISO VG 32 (B)ISO VG 15 (C)ISO VG 68 (D)ISO VG 150。
6. 事業招人承攬時,其承攬人就承攬部分負雇主之責任,原事業單位就職業災害補償部分之責任為何? (A)仍應與承攬人負連帶責任 (B)視職業災害原因判定是否補償 (C)依承攬契約決定責任 (D)依工程性質決定責任。
7. 軸向式斜軸型柱塞泵,在旋轉軸與油缸組中心形成一 α 角度,一般均在 (A)18~22 (B)32~36 (C)30~32(D)22~30 度。
8. 下列何者因素跟液壓缸管壁厚度設計有關 (A)油壓馬達的種類 (B)液壓油溫度 (C)材料抗拉強度 (D)最小使用壓力。
9. 啟動後應先檢視 (A)流量控制閥 (B)方向閥 (C)溢流閥 (D)致動器功能是否正常。
10. 油壓迴路中控制閥之遙控以何者用得最多? (A)電氣 (B)機械 (C)油壓 (D)氣壓。
11. 40W 日光燈三支每日使用 5 小時,共使用 30 日,則其用電量為 (A)18 (B)12 (C)15 (D)20 度。
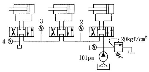
12. 下圖中每個方向閥之壓降為 2.0kgf/cm2,於方向閥中立位置時,錶 1 之壓力值為 (A)2 (B)20 (C)6 (D)4 kg/cm2。
13. 迫緊裝入前,應實施_____處理。 (A)烘乾 (B)酸洗 (C)脫脂 (D)潤滑
14. 測定管路內流體的流動狀態,可用 (A)流體的密度 (B)雷諾數 (C)阻流孔面積 (D)流路面積測定其為層流或亂流。
15. 下列何者不是液壓系統的優點 (A)可保持正確的壓力 (B)配管容易 (C)可遙控 (D)振動小而動作平穩。
16. 泵要保持運轉而致動器作動停止時間較長時為了節省動力,通常會使用那種閥類? (A)溫度補償型流量閥 (B)抗衡閥 (C)引導止回閥 (D)卸載閥。
17. 易造成液壓油的外洩且會造成環境污染的原因是 (A)配管不良 (B)液壓油做間歇流動 (C)流速受限制 (D)出力不夠。
18. 三相交流感應電動機的轉向與要求相反時,以何者較為方便 (A)改用在另一油壓動力單元 (B)改變其中任意二條電源線 (C)更換電動機 (D)改變油泵的吸吮部裝置。
19. 下列何者液壓油潤滑性較差 (A)石油系液壓油 (B)磷酸脂系液壓油 (C)乳化系液壓油 (D)水、二乙醇系液壓油。
20. 欲絞 PT 1/4"英制管牙其導孔直徑為 (A)ψ11 (B)ψ16 (C)ψ8.5 (D)ψ6.5。
21. 橡膠軟管配管,下圖何者正確 (A)B、C (B)B、D (C)A、B (D)A、D。
22. 液壓油中若溶入大量空氣,則在液壓油會出現無數直徑約 0.25mm~0.5mm 的氣泡,對液壓油的 (A)色相 (B)壓縮性 (C)比重 (D)潤滑性影響很大。
23. 液壓馬達的負荷特性乃是 (A)效率與速度關係 (B)負荷扭矩與速度的關係 (C)油溫與流量關係 (D)流量與壓力的關係。
24. 平衡活塞型溢流閥做遙控,下列何項可不予考慮 (A)油壓油的黏度 (B)管徑大小 (C)油的流速 (D)管路長短。
25. 主管機關審查環境影響說明書或評估書,如認為已足以判斷未對環境有重大影響之虞,作成之審查結論可能為下列何者? (A)補充修正資料再審 (B)通過環境影響評估審查 (C)認定不應開發 (D)應繼續進行第二階段環境影響評估。
26. 油泵排出口的輸出流量與壓力的乘積是為該泵的 (A)功率 (B)效率 (C)扭力 (D)流力。
27. 熱中暑時,易發生下列何現象? (A)體溫忽高忽低 (B)體溫正常 (C)體溫下降 (D)體溫上升。
28. 下列那一種顏色不常用於指示燈? (A)白色 (B)綠色 (C)棕色 (D)紅色。
29. 在控制電路圖中,下圖為何種開關之 a 接點? (A)壓力開關 (B)極限開關 (C)延時開關 (D)按鈕開關。
30. 如下圖所示之符號為 (A)減壓閥 (B)順序閥 (C)溢流閥 (D)卸載閥。
31. 下列何者對飲用瓶裝水之形容是正確的:A.飲用後之寶特瓶容器為地球增加了一個廢棄物;B.運送瓶裝水時卡車會排放空氣污染物;C.瓶裝水一定比經煮沸之自來水安全衛生? (A)ABC (B)AB (C)BC (D)AC。
32. 壓力補償型流量是屬於 (A)節流閥 (B)分離閥 (C)停止閥 (D)速度閥。
33. 液壓管路中液壓油流經斷面積擴大處所造成漩渦運動的損失,稱為 (A)容積損失 (B)機械損失 (C)減壓損失 (D)阻力損失。
34. 目前電子煙是非法的,下列對電子煙的敘述,何者錯誤? (A)可能造成嚴重肺損傷 (B)沒有燃燒的菸草,也沒有二手煙的問題 (C)跟吸菸一樣會成癮 (D)會有爆炸危險。
35. 吸入管內油流速度一般理想為 (A)5~8 (B)0.5~1.5 (C)1.5~3 (D)3~5 m/sec。
36. 節省能源的重要因素為液壓泵的 (A)最高轉速 (B)輸出壓力 (C)油溫 (D)全效率。
37. 管路的強度與下列何者無關? (A)管壁厚度 (B)管壁抗拉強度 (C)液壓油黏度 (D)管的外徑。
38. 臺灣電力公司供應之電源為 (A)60Hz 正弦波 (B)50Hz 方波 (C)50Hz 正弦波 (D)60Hz 矩形波。
39. 在中低壓力迴路中,如需要部分高壓時,可應用 (A)增壓器 (B)節省動力迴路 (C)壓力緩衝迴路 (PressureCushion) (D)蓄壓器。
40. 下列何者為電磁閥符號 (A)(B)(C)(D) 。
41. 下列何者是測定液壓油被污染的方法? (A)測定含水量 (B)測定油溫升降 (C)測定粒子大小 (D)測定液壓油壓力。
42. 下列何者為兩管路交叉,沒有連接的狀態? (A)(B)(C)(D) 。
43. 電阻的誤差符號,金色表示誤差 (A)5% (B)20% (C)10% (D)15%。
44. 活動扳手是以何者訂定規格 (A)鉗口之最小尺寸 (B)扳手長度 (C)扳手重量 (D)鉗口之最大尺寸。
45. 用電熱爐煮火鍋,採用中溫 50%加熱,比用高溫 100%加熱,將同一鍋水煮開,下列何者是對的? (A)中溫 50%加熱,電流反而比較大 (B)中溫 50%加熱比較省電 (C)高溫 100%加熱比較省電 (D)兩種方式用電量是一樣的。
46. 下列何者不屬於營業秘密? (A)公司內部管制的各種計畫方案 (B)具廣告性質的不動產交易底價 (C)須授權取得之產品設計或開發流程圖示 (D)不是公開可查知的客戶名單分析資料。
47. 下列何者不是控制系統的輸入設備 (A)光電開關 (B)繼電器 (C)極限開關 (D)微動開關。
48. 身為專業技術工作人士,應以何種認知及態度服務客戶? (A)若客戶不瞭解,就儘量減少成本支出,抬高報價 (B)遇到維修問題,儘量拖過保固期 (C)主動告知可能碰到問題及預防方法 (D)隨著個人心情來提供服務的內容及品質。
49. 下列何種蓄壓器必須直立安裝,否則無法工作? (A)活塞式 (B)氣囊式 (C)彈簧負荷式 (D)重碼式。
50. 機台發生異常時,若要拆卸元件,需先留意 (A)手邊有手套 (B)動力單元電源已關閉 (C)旁邊是否有人(D)拆卸工具是否拿齊 ,以策安全。
51. 油壓裝置之循環時間不需考慮何者? (A)油缸之行程 (B)油缸之面積 (C)油壓缸之放氣裝置 (D)油泵之排量。
52. 為保持中央空調主機效率,最好每隔多久時間應請維護廠商或保養人員檢視中央空調主機? (A)1 年(B)2 年 (C)半年 (D)1.5 年。
53. 如下圖有一組油壓系統油泵,當 A 出口壓力小於卸載閥設定壓力時,A 出口流量是 (A)Q1+Q2 (B)趨近 0 (C)Q1 (D)Q2。
54. 如圖所示為 (A)近接開關符號 (B)微動開關符號 (C)壓力開關符號 (D)極限開關符號。
55. 油壓工作三要素,下列何者為非 (A)工作速度 (B)工作時間 (C)工作方向 (D)工作力大小。
56. 1m 表示為 (A)1011 (B)1012 (C)1010 (D)109 nm。
57. 蓮蓬頭出水量過大時,下列對策何者「無法」達到省水? (A)淋浴時水量開大,無需改變使用方法 (B)調整熱水器水量到適中位置 (C)洗澡時間盡量縮短,塗抹肥皂時要把蓮蓬頭關起來 (D)換裝有省水標章的低流量(5~10L/min)蓮蓬頭。
58. 在液壓迴路中裝置 (A)溢流閥 (B)順序閥 (C)壓力開關 (D)方向閥 ,可利用液壓的壓力來轉換電氣訊號。
59. 三相感應式電動機六極,不考慮轉差率時,其轉速需 1000RPM,則須將變頻器調整為 (A)50 (B)60(C)45 (D)55 Hz。
60. 不當抬舉導致肌肉骨骼傷害或肌肉疲勞之現象,可歸類為下列何者? (A)不當動作 (B)被撞事件 (C)不安全環境 (D)感電事件。
61. 示波器可以用來 (A)能夠測量電壓和電阻的大小 (B)只能測量電壓的波形 (C)測量電壓、電流、電阻的大小 (D)測量電壓波形、頻率和振幅。
62. 下列何者為目前使用最廣且應用技術最為成熟的是 (A)活塞式蓄壓器 (B)彈簧式蓄壓器 (C)氣囊式蓄壓器 (D)重力式蓄壓器。
63. 油壓之壓力管路內流體流速為 (A)0.5~1.5 (B)6~10 (C)1.5~2.5 (D)3~6 m/s。
64. 單切齒銼刀,其切齒之傾斜角度與中心線成 (A)30~40 (B)45~55 (C)65~85 (D)10~25 度。
65. 蓄壓器之功用不包括 (A)充當緊急動力源 (B)補充作動油 (C)調整流量 (D)減少脈衝。
66. 電磁控制油壓操作方向控制閥之外部排洩口,其排洩油流的情況是 (A)電磁閥通與斷之瞬間有油流(B)電磁閥開始通電的瞬間有油流 (C)電磁閥保持通電狀態期間中皆有油流 (D)經常有排洩油流。
67. 下圖之邏輯表示式(或布林代數式)為 (A)A+B=1 (B)A‧B=B‧A (C)A+B=B+A (D)A+A=1。
68. 蜂鳴器之英文代表符號為 (A)BC (B)BZ (C)BL (D)BB。
69. 電源插座堆積灰塵可能引起電氣意外火災,維護保養時的正確做法是? (A)可以先用刷子刷去積塵 (B)可以用金屬接點清潔劑噴在插座中去除銹蝕 (C)直接用吹風機吹開灰塵就可以了 (D)應先關閉電源總開關箱內控制該插座的分路開關,然後再清理灰塵。
70. 調整直流電動機轉速的方法為 (A)調整激磁電流 (B)變更極數 (C)更換電源線 (D)改變頻率。
71. 三相感應式電機四極,使用頻率 50HZ,而不考慮轉差率時,其轉速為何? (A)900rpm (B)1200rpm(C)1800rpm (D)1500rpm。
72. 壓力單位中 1PSI 相當於 (A)0.0703kg/cm2 (B)0.14kg/cm2 (C)0.3215kg/cm2(D)0.0931kg/cm2。
73. 下列何者為附單側止回閥之快速接頭 (A)(B)(C)(D) 。
74. 2015 年巴黎協議之目的為何? (A)遏阻全球暖化趨勢 (B)避免臭氧層破壞 (C)減少持久性污染物排放(D)生物多樣性保育。
75. 油壓管路中,如果某流路的流速加快,則該處壓力將 (A)升高 (B)無關 (C)下降 (D)不變。
76. 一馬力等於 (A)764 (B)467 (C)746 (D)674 W。
77. 有關著作權之概念,下列何者正確? (A)以傳達事實之新聞報導的語文著作,依然受著作權之保障(B)著作權要待向智慧財產權申請通過後才可主張 (C)公務機關所函頒之公文,受我國著作權法的保護(D)國外學者之著作,可受我國著作權法的保護。
78. 下列何者為雙向變排量式液壓泵? (A)(B)(C)(D) 。
79. 下列何者「不是」室內空氣污染源? (A)廢紙回收箱 (B)辦公室事務機 (C)油漆及塗料 (D)建材。
80. 通常在操作電氣控制開關時應用 (A)右手較妥 (B)左手較妥 (C)無所謂 (D)雙手較妥。