阿摩線上測驗
登入
首頁
>
技檢◆數位電子-乙級
> 114年 - 11700 數位電子 乙級 工作項目 06:數位邏輯設計 1-50(2025/12/12 更新)#134876
114年 - 11700 數位電子 乙級 工作項目 06:數位邏輯設計 1-50(2025/12/12 更新)#134876
科目:
技檢◆數位電子-乙級 |
年份:
114年 |
選擇題數:
50 |
申論題數:
0
試卷資訊
所屬科目:
技檢◆數位電子-乙級
選擇題 (50)
1. 二進制 10110 相當於八進制的 (A)16 (B)20 (C)22 (D)26 。
2. X=A'B'C'+A'B'C+AB'C'+AB'C 可化簡為 (A)X=A+C (B)AB=AC (C)B' (D)A 。
3. 在邊緣觸發型正反器中,資料輸入必須比時脈(clock)觸發邊緣先到之最小時間,稱為 (A)保持時間(hold time) (B)設置時間(setup time) (C)延遲時間(delay time) (D)傳輸時間(propagation time) 。
4. 下列何種邏輯閘可接成線接或閘(Wired-OR)? (A)開集極閘 (B)三狀態閘 (C)傳輸閘(transmission gate) (D)圖騰柱輸出閘 。
5. 00111001
(2)
相當於十進制的 (A)31 (B)39 (C)57 (D)105 。
6. 對 J-K 正反器而言,下列何者錯誤? (A)當 J=0,K=0 則 Qn+1=0 (B)當J=1,K=1 則 Qn+1=Q'n (C)當 J=1,K=0 則 Qn+1=1 (D)當 J=0,K=1 則Qn+1=0 。
7. 利用 4 位元二進制加法器做 BCD 碼加法運算時,若結果超過 9,應加何數調整? (A)5 (B)6 (C)10 (D)16 。
8. 38.25
(10)
轉換為 BCD 碼,應為 (A)00111000.00100101 (B)100110.11001 (C)100110.1100 (D)1110111.1001 。
9. 在下列 TTL 編號中,何者具有最快的交換速度? (A)74H×× (B)74LS×× (C)74×× (D)74S×× 。
10. 具有 4Kbyte 記憶容量之記憶體,其至少需具有多少位址線? (A)10 (B)11(C)12 (D)13 。
11. 下列記憶體中,何者需以紫外線來消除其原有資料? (A)PROM (B)EPROM (C)EEPROM (D)DRAM 。
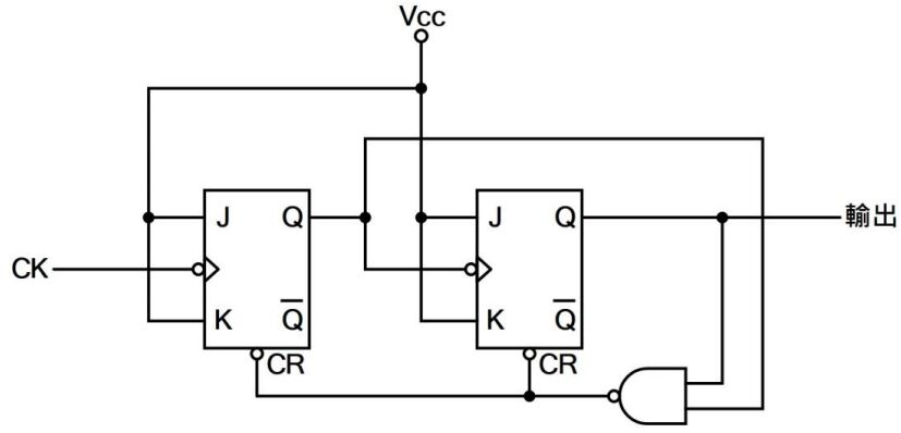
12. 下圖之 CK 輸入頻率為 f,則其輸出頻率為
(A)f (B)f/2 (C)f/3 (D)f/4 。
13. 下圖之電路可做何使用?
(A)編碼器(encoder) (B)解碼器(decoder) (C)比較器 (D)多工器(multiplexer) 。
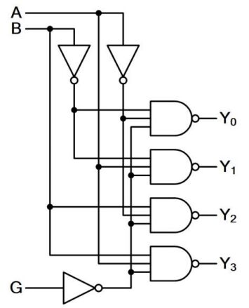
14. 下圖中,當 G=0,且 A=1、B=0 時,則其輸出
Y
3
Y
2
Y
1
Y
0應為
(A)1111 (B)0000 (C)1101 (D)0010 。
15. 3.625 轉換為二進制,應等於 (A)101.101 (B)11.0101 (C)11.101 (D)11.10011001 。
16. 在 TTL 電路中,下列何者正確? (A)VIH≧2.4V,VIL≦0.4V (B)VIH≧2.0V,VIL≦0.8V (C)VIH≧2.4V,VIL≦0.8V (D)VIH≧2.0V,VIL≦0.4V 。
17. 泛用型暫存器(universal register)不具下列哪項功能? (A)串入─串出,並入─並出 (B)並入─串出,並入─並出 (C)左﹑右移位 (D)加法器 。
18. 下圖中,Y 之結果為
(A)(S'+A)(S+B) (B)S'A+SB (C)S'A'+SB (D)(S'A)(S+B) 。
19. 下圖中,Q
B
Q
A
之輸出狀態依序為
(A)00,01,10,11 (B)00,11,01,10 (C)00,11,10,01 (D)11,10,00,01 。
20. 下圖之電路,其邏輯關係式為
(A)F=A⊕B⊕C⊕D (B)F=A⊙B⊙C⊙D (C)F=ABCD (D)F=A+B+C+D 。
21. 若開關的開路視為邏輯 0,通路視為邏輯 1,則下圖之電路 X 至 Y 電路的邏輯式為
(A)AB (B)A+B (C)AB+(A+B) (D)(A+B)'+AB 。
22. 如下所示之卡諾圖,下列何者為化簡後的結果?
(A)f=C'D+CD'+B'C+A'B'(B)f=AB'+A'B+D' (C)f=(B+C'+D')(B+C+D) (D)f=A'C'+C'D+CD'+AB 。
23. 低功率蕭特基 TTL(74LS)的傳播延遲(propagation delay)約為 (A)1μs (B)100ns (C)10ns (D)1ns 。
24. 下列何者為 TTL 之圖騰柱(totem-pole)輸出級電路? (A)
(B)
(C)
(D)
。
25. IC74LS90J 中的字母 J 代表下列何種意義? (A)IC 的誤差等級 (B)IC 的工作溫度 (C)IC 工作電流的範圍 (D)包裝的類別 。
26. 下列何者為布林代數式 XY+X'Z+YZ 之化簡後的結果? (A)XY+X'Z (B)XY+YZ (C)X'Z+YZ (D)X+Y+Z 。
27. 下圖之電路,其邏輯關係式為何?
(A)Y=A⊕B (B)Y=A+B (C)Y=AB (D)Y=(A+B)(A+B)' 。
28. 如下所示之卡諾圖,下列何者為化簡後的結果?
(A)f(A,B,C)=A'+B (B)f(A,B,C)=A+B' (C)f(A,B,C)=A'+B+C (D)f(A,B,C)=A+B'+C 。
29. 下圖之電路的開關為常開(normally open),若開關在 t1 時按下,而後在 t2 時放開,則其輸出波形為何?
(A)
(B)
(C)
(D)
。
30. 根據狄莫根定理,可將(AB+BC+CA)'等效為 (A)( AB)'+(BC)'+(CA )' (B)( A+B)'((B+C)(C+A))' (C)(A+B)'(B+C)'(C+A)' (D)(AB)'(BC)'(CA)' 。
31. A⊕A 可以等於 (A)1 (B)0 (C)A (D)A' 。
32. CMOS 邏輯電路的特點為 (A)供給電源電壓範圍小 (B)交換速度比 TTLIC快 (C)雜訊免疫性最差 (D)消耗功率極小 。
33. 某數位電路之輸入為 A 與 B 端,輸出為 X 與 Y 端,其真值表如下表所示,則此邏輯電路為
(A)RS 正反器 (B)JK 正反器 (C)半加器 (D)全加器 。
34. 下列何者為順序邏輯電路? (A)PLA (B)移位暫存器 (C)加法器 (D)解碼器 。
35. 布林函數 F(A,B,C)=A'B'C'+A'B'C+AB'C'+AB'C+ABC'化簡為 F= (A)B+AC' (B)B'+AC' (C)B'+A'C (D)B+A'C 。
36. 下圖為半減器結構時,A 與 B 分別為
(A)A=XOR,B=AND (B)A=XNOR,B=AND (C)A=AND,B=XOR (D)A=AND,B=XNOR 。
37. 已知某單擊器的工作週期為 80%,且輸出脈衝寬度為 100μS,則輸入到此單擊器之兩觸發信號間的最短時間為 (A)25μS (B)50μS (C)75μS (D)125μS 。
38. 下圖之邏輯電路,輸出 F 為
(A)A+B (B)A‧B (C)(A+B)' (D)A⊕B 。
39. 傳輸速度最快的邏輯閘為 (A)TTL (B)ECL (C)MOS (D)CMOS 。
40. 將格雷碼 1011 轉換成二進碼為 (A)1011 (B)1101 (C)1110 (D)1001 。
41. (101100)
2
之 1 的補數(1's Complement)為 (A)(010011)
2
(B)(010100)
2
(C)(100001)
2
(D)(010111)
2
。
42. 下圖所示,當 Fin 為 1KHz 方波時,Fout 應為
(A)邏輯位準"0" (B)邏輯位準"1" (C)1KHz 脈波 (D)2KHz 脈波 。
43. 下圖所示,晶體振盪電路所使用的反或閘是 CMOS 元件 CD4001,圖中之回授電阻 R 至少應為何值,方能正常振盪?
(A)330Ω (B)1KΩ (C)10KΩ(D)1MΩ 。
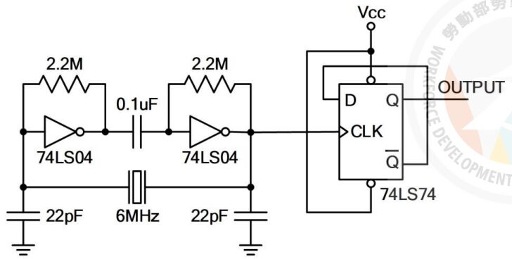
44. 下圖所示,此一由 TTL 元件所組成的振盪電路,其輸出頻率(OUTPUT)應為
(A)0Hz (B)3MHz (C)6MHz (D)12MHz 。
45. 有一同步計頻電路,係由 4 個不同型式的正反器所組成,其傳遞延遲(propagation delay)時間分別為 20ns、40ns、50ns、100ns,此電路最高可量度的頻率為何? (A)10MHz (B)20MHz (C)25MHz (D)50MHz 。
46. 下圖所示,其應屬於下列何種編碼轉換電路?
(A)BCD/Binary (B)Binary/BCD (C)Binary/Gray (D)Gray/BCD 。
47. 若以 SN74HC00 來實現互斥或閘(F=A⊕B),則共需幾個 SN74HC00的 IC 元件? (A)2 個 (B)3 個 (C)4 個 (D)5 個 。
48. 在二進制的數字系統中,格雷碼(Gray code)為一種重要的數碼系統,下列敘述何者錯誤? (A)又稱反射碼或循環碼 (B)相鄰兩數只有一個位元改變,適用於卡諾圖 (C)是一種非加權碼 (D)適用於算術運算 。
49. 下圖中,Y 為 0 的情況有幾種?
(A)9 種 (B)7 種 (C)5 種 (D)3 種 。
50. 下圖之電路,若 A=B=C=1,則輸出為
(A)X=0,Y=0 (B)X=1,Y=0 (C)X=0,Y=1 (D)X=1,Y=1 。
申論題 (0)
相關試卷
114年 - 11700 數位電子 乙級 工作項目 10:微控制器系統 1-40(2025/12/12 更新)#134885
114年 · #134885
114年 - 11700 數位電子 乙級 工作項目 09:網路技術與應用 1-42(2025/12/12 更新)#134884
114年 · #134884
114年 - 11700 數位電子 乙級 工作項目 08:程式語言 51-81(2025/12/12 更新)#134883
114年 · #134883
114年 - 11700 數位電子 乙級 工作項目 08:程式語言 1-50(2025/12/12 更新)#134882
114年 · #134882
114年 - 11700 數位電子 乙級 工作項目 07:電腦與周邊設備 101-129(2025/12/12 更新)#134881
114年 · #134881
114年 - 11700 數位電子 乙級 工作項目 07:電腦與周邊設備 51-100(2025/12/12 更新)#134880
114年 · #134880
114年 - 11700 數位電子 乙級 工作項目 07:電腦與周邊設備 1-50(2025/12/12 更新)#134879
114年 · #134879
114年 - 11700 數位電子 乙級 工作項目 06:數位邏輯設計 101-140(2025/12/12 更新)#134878
114年 · #134878
114年 - 11700 數位電子 乙級 工作項目 06:數位邏輯設計 51-100(2025/12/12 更新)#134877
114年 · #134877
114年 - 11700 數位電子 乙級 工作項目 05:電子學與電子電路 101-122(2025/12/12 更新)#134875
114年 · #134875