所屬科目:技檢◆電腦硬體裝修-乙級
(A)終端 (B)文件輸出 (C)流向 (D)判斷 。
(A)輸出輸入 (B)文件輸出 (C)迴圈 (D)判斷 。
(A)固定電阻器 (B)可變電阻器 (C)熱敏電阻器(D)光敏電阻器 。
(A)安培計 (B)電壓源 (C)電流源 (D)伏特計 。
(A)剪下 (B)刪除 (C)複製格式 (D)列印 。
(A)段落 (B)註解 (C)自動格式設定 (D)開啟舊檔 。
(A)樹狀網路 (B)匯流排網路 (C)網狀網路 (D)環狀網路 。
(A)(B)(C)(D) 。
(A)A‧B (B)A+B (C)A⊕B (D)A⊙B 。
(A)100KHz (B)50KHz (C)25KHz (D)12.5KHz 。
(A)NOR (B)NAND(C)XOR (D)XNOR 。
(A)1 (B)2 (C)4 (D)7 種。
(A)1 (B)2 (C)3 (D)4
(A)8 (B)8.5 (C)9 (D)9.5 KΩ。
(A)2 (B)4 (C)6 (D)8 KΩ。
(A)0.625V (B)1.25V (C)2.5KHz (D)5KHz 。
(A)A+B (B)B‧C (C)A‧(B+C) (D)NOT C 。
(A)IEEE 1394a (B)USB (C)GPIB (D)RS-232C 。
(A)10Ω (B)10KΩ (C)100KΩ (D)1MΩ 。
(A)NPN 型達靈頓對電晶體 (B)PNP 型達靈頓對電晶體(C)N 型金屬氧化物半導體場效應電晶體 (D)P 型金屬氧化物半導體場效應電晶體 。
(A)正緣觸發 (B)負緣觸發 (C)正準位觸發 (D)負準位觸發 之 JK 正反器。
(A)程序 (B)顯示 (C)程式開始與結束 (D)列印 。
(A)程序 (B)顯示 (C)程式開始或結束 (D)列印 。
(A)樹狀 (B)環狀 (C)星狀 (D)匯流排
(A)石英振盪晶體 (B)電容器 (C)可變電容器 (D)電感器 。
(A)A 為"LOW"時,Y= X (B)A 為"LOW"時,Y=NOT X (C)A 為"HIGH"時,Y= X (D)A 為"HIGH"時,Y=NOT X 。
(A)0.9 kΩ~1.1kΩ (B)9.9 kΩ~10.1kΩ(C)99 kΩ~101kΩ (D)990 kΩ~1010kΩ 。
(A)為 High Definition MultimediaInterface;HDMI 接頭 (B)為 Digital Visual Interface;DVI 接頭 (C)只可以傳送視訊信號 (D)可以同時傳送音訊和視訊信號 。
(A)為 Serial Advanced TechnologyAttachment;SATA 接頭 (B)為 Universal Serial Bus;USB 接頭 (C)2.0 版本最大傳輸頻寬約為 3Gbps (D)3.0 版本最大傳輸頻寬約為 6Gbps 。
(A)為 Serial Advanced TechnologyAttachment;SATA 接頭 (B)為 Universal Serial Bus;USB 接頭 (C)2.0 版本最大傳輸頻寬約為 3Gbps (D)3.0 版本最大傳輸頻寬約為 5Gbps 。
(A)為 USB to Micro USB 接頭(B)為 USB to Mini USB 接頭 (C)2.0 版本最大傳輸頻寬約為 480Mbps (D)3.0版本最大傳輸頻寬約為 6Gbps 。
(A)為 PCI Express,簡稱 PCI-E (B)可用於顯示卡介面 (C)不支援熱拔插特性 (D)不支援熱交換特性 。
(A)為 Serial Advanced TechnologyAttachment;SATA (B)為 Universal Serial Bus;USB (C)3.0 版本最大傳輸頻寬約為 6Gbps (D)支援熱交換特性 。
(A)此波形圖的電路為 1 對 2 解多工器 (B)Y=S'A0+SA1 (C)當來源選擇線 S 為 1 時,資料輸入端 A1 連接到資料輸出端 Y (D)當來源選擇線 S 為 0 時,資料輸入端A0 連接到資料輸出端 Y 。
(A)此電路為 4 對 1 多工器 (B)當來源選擇線 S1 為 1,S0 為 1 時,資料輸入端 D0 連接到資料輸出端 Y (C)當來源選擇線 S1 為 1,S0 為 0時,資料輸入端 D2 連接到資料輸出端 Y (D)五個 4 對 1 多工器,可以擴充成一個 16 對 1 多工器 。
(A)此電路為 1 對 2 解多工器 (B)F0=SD (C)F1=S'D (D)當來源選擇線 S=1,資料輸入端 D 連接到資料輸出端F1 。
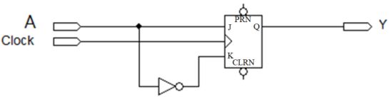
(A)為等效 D 型正反器 (B)若啟動預置(PRN)端,則輸出(Q)立即改變成「1」的狀態 (C)若啟動清除(CLRN)端,則輸出(Q)立即改變成「0」的狀態 (D)預置端與清除端皆為高電位啟動 。
(A)藍牙具有「低耗電藍牙」、「中耗電藍牙」和「高耗電藍牙」三種模式 (B)使用 2.4GHz 無線電頻率(C)屬於無線應用 (D)低耗電藍牙 BLE(Bluetooth Low Energy)傳輸距離小於30M 。