所屬科目:技檢◆機電整合-丙級
(A)只壓下 ON 鈕時電磁接觸器會作動 (B)壓下 ON 鈕時 TH-RY 會作動(C)同時壓下 ON 鈕與 OFF 鈕時電磁接觸器無法啟動 (D)此電路屬於重置優先電路 。
(A)只壓下 ON 鈕時電磁接觸器會作動 (B)壓下 OFF 鈕時電磁接觸器會停止作動或無法啟動 (C)同時壓下 ON 鈕與 OFF 鈕時電磁接觸器會作動 (D)此電路屬於重置優先電路 。
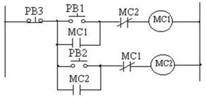
(A)互鎖電路 (B)互斥電路 (C)互補電路 (D)互通電路 。
(A)MC1 或 MC2 均動作 (B)MC1 動作,MC2 不動作 (C)MC1 不動作,MC2 動作 (D)MC1 與 MC2 均不動作 。
(A)LS1 與 LS2 在作動狀態 (B)LS1 與 LS2 在不作動狀態 (C)LS1作動,LS2 不作動 (D)極限開關 LS1 不作動,LS2 作動狀態 。
(A)LS1 或 PB1 皆可啟動紅燈 RL (B)此電路具有自保持功能 (C)LS2 或 PB2 皆可解除紅燈 RL (D)此電路屬於重置(Reset)優先電路 。