阿摩線上測驗
登入
首頁
>
技檢◆車床-CNC 車床-乙級
> 115年 - 18301 車床-CNC 車床 乙級 工作項目 05:程式製作 1-50(2026/01/05 更新)#136149
115年 - 18301 車床-CNC 車床 乙級 工作項目 05:程式製作 1-50(2026/01/05 更新)#136149
科目:
技檢◆車床-CNC 車床-乙級 |
年份:
115年 |
選擇題數:
50 |
申論題數:
0
試卷資訊
所屬科目:
技檢◆車床-CNC 車床-乙級
選擇題 (50)
1. "G00"指令係表示 _______機能。(A)快速定位 (B)直線車削 (C)圓弧車削 (D)確實定位
2. M03 G96 S100;G00 X100. Z100.;以上程式下列何者敘述正確? (A)刀具快速移動 (B)主軸為 100 轉/分鐘 (C)刀具不動因無 F 值指定 (D)主軸轉速固定為 100 轉/分鐘 。
3. 錐度車削,在程式中使用下列何種準備機能? (A)G00 (B)G01 (C)G02 (D)G03 。
4. G01 U60. W-50. F0.15;此單節用於車削 (A)平行外徑 (B)錐度 (C)曲面 (D)端面 。
5. "G01"指令碼,在遇到下列何一指令碼出現後,仍為有效? (A)G00 (B)G02 (C)G04 (D)G33 。
6. "G00"指令定位過程中,刀具所經過的路徑是 (A)直線 (B)曲線 (C)圓弧 (D)連續多段直線 。
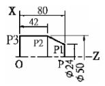
7. 如下圖所示,要從"P1"→"P2",如採絕對值座標系統,其指令為
(A)G00X50.0 W38.0; (B)G00 U26.0 W38.0; (C)G00 U26.0 Z42.0; (D)G00X50.0 Z42.0; 。
8. "G02"指令係表示_______車削機能。 (A)螺紋 (B)圓弧 (C)錐度 (D)溝槽循環
9. "G02"指令碼中"I"值表示 (A)X 軸增量 (B)Z 軸增量 (C)起點至圓心 X 軸向量 (D)起點至圓心 Z 軸向量 。
10. G02 X_ Z_ R_ F_;其中"R"是 (A)半徑 (B)直徑 (C)去角 (D)斜度 。
11. "G03"指令碼是指示 (A)主軸順時針方向啟動 (B)刀具逆時針作圓弧移動 (C)刀具快速移至圓中心 (D)刀具進給暫停 。
12. G02 X50.0 Z30.0 R25.0 F0.3;單節中"R25.0"係表示圓弧________為 25.0mm。 (A)半徑 (B)直徑(C)角度 (D)弧長
13. G04 X1.0;指令係表示 (A)確實定位 (B)切削劑停止 (C)暫停 (D)主軸停止 1秒。
【已刪除】14. (本題刪題)暫停指令為 (A)G04 (B)G05 (C)G06 (D)G07 。
15. 暫停 5 秒,下列單節何者正確? (A)G04 P5000; (B)G04 P500; (C)G04P50; (D)G04 P5; 。
16. 選擇"ZX"平面指令是 (A)G17 (B)G18 (C)G19 (D)G20 。
17. 選擇公制單位指令是 (A)G18 (B)G19 (C)G20 (D)G21 。
18. 在程式設計時,順序編號是選用______ 指令。(A)N (B)S (C)F (D)T
19. 在程式設計時,輔助機能是選用_____ 機能。(A)G (B)M (C)S (D)T
20. 程式指令中,代表準備機能者為______機能。 (A)G (B)F (C)M (D)T
21. 主軸反時針方向迴轉,下列指令何者正確? (A)M02 (B)M03 (C)M04 (D)M05 。
22. 控制切削劑的開或關,應使用 (A)G (B)M (C)T (D)S 碼。
23. 主軸正轉之指令為 (A)M03 (B)M04 (C)M05 (D)M08 。
24. 切削劑開啟之指令為 (A)M08 (B)M09 (C)M41 (D)M42 。
25. 切削過程中,為冷卻刀具,可使用下列何指令? (A)M05 (B)M06 (C)M08(D)M09 。
26. 欲使用切削劑,一般常用何種輔助機能? (A)M02 (B)M03 (C)M08 (D)M09 。
27. 切削完成,關閉冷卻液,可用 (A)M17 (B)M18 (C)M08 (D)M09 指令。
28. 程式最後,可以何一輔助機能作結束? (A)M00 (B)M01 (C)M02 (D)M04 。
29. 選擇性機器停止,係使用何一指令碼? (A)M00 (B)M01 (C)M02 (D)M30 。
30. "M05"指令是 (A)程式 (B)切削劑 (C)主軸 (D)進給 停止。
31. 下列語碼何者可使用小數點? (A)N (B)P (C)I (D)O 。
32. 下列語碼,何者不可使用小數點? (A)X (B)J (C)Z (D)N 。
33. 數字可使用小數點的語碼是 (A)M (B)N (C)O (D)R 。
34. 增量座標使用何種位址代號? (A)X、Y (B)X、Z (C)U、V (D)U、W 。
35. 若"T"指令中,刀具補正號碼為"0"時,表示 (A)選擇空刀架 (B)補正值啟動(C)選擇補正號碼與刀具號碼一致 (D)補正值取消 。
36. "T0100"係代表 (A)刀具取消 (B)使用 1 號補正值 (C)使用 0 號刀具 (D)取消 1號刀具補正值 。
37. 刀具補正值啟用後,下列何一指令碼,將不宜同時使用? (A)G00 (B)G01(C)G02 (D)G50 。
38. "T1006"指令中,"10",是指 (A)刀具補正號碼 10 號 (B)刀具補正號碼 1 號(C)刀具號碼 1 號 (D)刀具號碼 10 號 。
39. 刀具行徑右向補正之指令為 (A)G40 (B)G41 (C)G42 (D)G43 。
40. 車削外徑時宜使用何補正指令? (A)G40 (B)G41 (C)G42 (D)G43 。
41. 車削內徑時宜使用何補正指令 (A)G40 (B)G41 (C)G42 (D)G43 。
42. 下列何種指令碼與刀尖補正值無直接關連? (A)G40 (B)G41 (C)G42 (D)G43 。
43. 下列何者不屬刀鼻半徑補正之相關指令碼? (A)G40 (B)G43 (C)G42 (D)G41 。
44. "T0714"指令中,"14"表示 (A)刀具號碼 1 號 (B)刀具號碼 14 號 (C)刀具補正號碼 14 號 (D)刀具補正號碼 4 號 。
45. G97 G01 X20.0 Z30.0 F300 S200;內含之指令係表示 (A)主軸轉數 200 轉/分鐘 (B)車削速度 200 公尺/分鐘 (C)進給量 2.00mm (D)快速進給至 X20.0Z30.0 座標 。
46. 車削任何螺紋應用下列何指令設定主軸迴轉數? (A)G50 (B)G96 (C)G97 (D)G32 。
47. G96 S120;單節中 S 係指 (A)切削速度 (B)主軸每分鐘迴轉數 (C)進給速率(D)時間 。
48. "G98"指令碼,係表示下列何種機能? (A)每轉進刀量 (B)周速一定機能消除 (C)每分鐘進刀量 (D)周速一定機能 。
49. 車削前欲保持一定車削速度,使用何一指令碼? (A)G50 (B)G96 (C)G97 (D)G01 。
50. 切削不同外徑時,為了保恃一定切削速度,可用____指令。 (A)G50 (B)G04 (C)G96 (D)G97
申論題 (0)
相關試卷
115年 - 18301 車床-CNC 車床 乙級 工作項目 08:機具維護與故障排除 1-18(2026/01/05 更新)#136156
115年 · #136156
115年 - 18301 車床-CNC 車床 乙級 工作項目 07:車削情況之判斷及處理 1-34(2026/01/05 更新)#136155
115年 · #136155
115年 - 18301 車床-CNC 車床 乙級 工作項目 06:CNC車床車削 101-135(2026/01/05 更新)#136154
115年 · #136154
115年 - 18301 車床-CNC 車床 乙級 工作項目 06:CNC車床車削 51-100(2026/01/05 更新)#136153
115年 · #136153
115年 - 18301 車床-CNC 車床 乙級 工作項目 06:CNC車床車削 1-50(2026/01/05 更新)#136152
115年 · #136152
115年 - 18301 車床-CNC 車床 乙級 工作項目 05:程式製作 101-158(2026/01/05 更新)#136151
115年 · #136151
115年 - 18301 車床-CNC 車床 乙級 工作項目 05:程式製作 51-100(2026/01/05 更新)#136150
115年 · #136150
115年 - 18301 車床-CNC 車床 乙級 工作項目 04:刀具選用、配置及設定 51-83(2026/01/05 更新)#136148
115年 · #136148
115年 - 18301 車床-CNC 車床 乙級 工作項目 04:刀具選用、配置及設定 1-50(2026/01/05 更新)#136147
115年 · #136147
115年 - 18301 車床-CNC 車床 乙級 工作項目 03:工件夾持及校正 1-39(2026/01/05 更新)#136146
115年 · #136146