所屬科目:技檢◆機工類共同科目
(A)直接控制 (B)間接控制 (C)伺服控制 (D)閉迴路控制 。
(A)車床刀架 (B)千斤頂 (C)火箭推進系統 (D)銑床進給機構 。
(A)繼電器 (B)定時器 (C)油壓閥 (D)開關 。
(A)空壓系統 (B)油壓系統 (C)油氣壓系統 (D)電氣控制系統 。
(A)減壓閥 (B)卸載閥 (C)流量閥 (D)安全閥 。
(A)油壓馬達 (B)油壓泵 (C)油壓箱 (D)電動馬達 。
(A)定時器 (B)反向器 (C)轉轍器 (D)安定器 。
(A)減壓閥 (B)溢流閥 (C)順序閥 (D)卸載閥 。
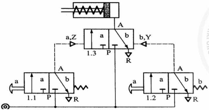
(A)3/2 常開方向閥 (B)3/2 常閉方向閥(C)2/3 常開方向閥 (D)2/3 常閉方向閥 。
(A)雙向定排量油壓馬達 (B)雙向定排量油壓泵 (C)雙向可變排量油壓馬達 (D)雙向可變排量油壓泵 。