阿摩線上測驗
登入
首頁
>
電機機械
> 96年 - 96年地方電力工程(三等)#39394
96年 - 96年地方電力工程(三等)#39394
科目:
電機機械 |
年份:
96年 |
選擇題數:
0 |
申論題數:
4
試卷資訊
所屬科目:
電機機械
選擇題 (0)
申論題 (4)
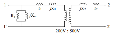
【已刪除】一、若以一台額定為 2.0 kVA,電壓比為 200V:500V 之單相變壓器之本身額定量為基 準,經過開路與短路測試後所得的相關數據如下: 開路測試: V
oc
=1.0 p.u.(per unit), I
oc
= 0.06403 p.u., P
oc
= 0.05 p.u. 短路測試: V
sc
= 0.028844 p.u., I
sc
=1.0 p.u., P
sc
= 0.016 p.u. 如果此一單相變壓器的等效電路可以下圖來表示,則試求出其中所有的電路參數 (r
1
,r
2
,x
l1
,x
l2
,R
c
與 X
m
)之實際值(以Ω為單位)大小?而若此變壓器之高壓 側(2 - 2'兩端間)的電壓在連接至一複數功率大小為 1.0 p.u.、功因為 0.8 滯後的 負載時為 500V,試問在此操作條件下變壓器之電壓調整率及效率各為多少%? (30 分)
二、一台 6 hp,200V 之直流並激電動機的磁場電路電阻為 400Ω,電樞電路之電阻為 0.2Ω。當此電動機之電源側輸入額定之 200V 電壓及 4.1 kW 的功率時,電動機的轉 子機械轉速為 2000rpm(轉/分)。試問在相同的電壓供應情況下,若電動機的轉軸 機械損失可以忽略,而當轉子機械轉速升高為 2020rpm 時,此一電動機的總輸入功 率為多少 kW?而在此條件下電動機的操作效率又為多少%?(30 分)
三、某三相二極之感應電動機在其定子與轉子間的空氣隙所產生之磁場可表示為 K[ia(t)cosθ+ ib(t)cos(θ+2π/3)+ic(t)cos(θ−2π/3)],而且其定子三相線圈所流過的電流分 別為 ia(t)=Imsin(60πt)、ib(t)=Imsin(60πt−2π/3)及 ic(t)=Imsin(60πt+2π/3)的情況下,若轉 子與空氣隙旋轉磁場間的轉動速度差(slip)為電動機同步速率的 5%,則試求出此 電動機轉子的機械轉動速度與轉動方向。(20 分)
四、將一台三相同步發電機連接至一平衡三相 1.44 kVA,功因為 0.8 滯後的負載,且定 子端之線電壓為 208V 時,其轉子之激磁電流大小為 5A;若激磁場無飽和現象,當 將負載增加為 1.8 kVA,功因亦為 0.8 滯後時,若欲維持定子端線電壓仍為 208V, 則必須將激磁電流增加為 5.0516A,試問此發電機之每相定子同步電抗(線圈電阻 可忽略)為多少Ω?(20 分)
相關試卷
115年 - 115 關務特種考試_三等_電機工程(選試英文):電機機械#138915
115年 · #138915
114年 - 114 台灣自來水股份有限公司_評價職位人員甄試試題_技術士操作類-甲(機電)、技術士操作類-甲(限具中級以上電氣技術人員資格報考)、技術士操作類-甲(機電)(限原住民族報考):電機(工)機械#139521
114年 · #139521
114年 - 114 地方政府公務特種考試_三等_電力工程:電機機械#134760
114年 · #134760
114年 - 114 專技高考_電機工程技師:電機機械#133717
114年 · #133717
114年 - 114 關務升官等考試、交通事業郵政升資考試_薦任、員級晉高員級_電力工程、技術類(選試電機機械)—關務、郵政:電機機械#133262
114年 · #133262
114年 - 114 交通事業郵政升資考試_佐級晉員級_技術類(選試電機機械概要)—郵政:電機機械概要#133211
114年 · #133211
114年 - 114 高等考試_二級_電力工程:電機機械#131612
114年 · #131612
114年 - 114 高等考試_三級_電力工程:電機機械#128777
114年 · #128777
114年 - 114 關務特種考試_三等_電機工程(選試英文):電機機械#126668
114年 · #126668
113年 - 113-2 國營臺灣鐵路股份有限公司_從業人員甄試_第8階-助理工程師-機械 第8階-助理工程師-電機:電機機械#137140
113年 · #137140