阿摩線上測驗
登入
首頁
>
電機機械
> 96年 - 96年專門職業及技術人員高等建築師、技師、法醫師暨普通記帳士、96年第二次高等暨普通消防設備人員、普通不動產經紀人電機工程技師#39392
96年 - 96年專門職業及技術人員高等建築師、技師、法醫師暨普通記帳士、96年第二次高等暨普通消防設備人員、普通不動產經紀人電機工程技師#39392
科目:
電機機械 |
年份:
96年 |
選擇題數:
0 |
申論題數:
5
試卷資訊
所屬科目:
電機機械
選擇題 (0)
申論題 (5)
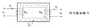
【已刪除】一、下圖所示之耦合電感器一次側及二次側繞組之匝數與電阻依序分別為 N
1
,R
1
及 N
2
, R
2
,而其電壓極性與電流方向定義亦如圖所示。已知圖中鐵心材料之相對導磁係數 為µr ,且該鐵心截面積為 A,平均周長為λ;假設µr >>1 且鐵心內之磁場分布為均 勻,試求兩繞組之自感 L
1
,L
2
及其互感 M。(20 分)
二、有一部它激式直流電動機,其輸入端電壓與激磁電流均固定於額定值不變,且其磁 路之飽和效應與摩擦風阻等機械耗損均可以忽略。今由實際量測得知該機於額定轉 速 1800rpm 時之負載轉矩為 30Nm,於 600rpm 轉速時之負載轉矩為 45Nm;試求該 機轉速為 1000rpm 時之負載轉矩。(20 分)
【已刪除】三、已知一部三相四極 500hp,460V,60Hz 鼠籠式感應電動機,其每相換算至定子側的 等效電路如下圖所示,其中 R
2
=0.2Ω,X
m
=45Ω,X
1
=1.2Ω,X
2
=1.0Ω,S 為轉 差率,而定子繞組電阻則可以忽視不計。試求該電機在額定電壓與頻率時之起動電 流、起動轉矩及功率因素。(20 分)
四、有一部三相 10kVA,416V,四極,60Hz,Y 接同步電動機,已知其每相同步電抗在 額定端電壓與頻率時為 16Ω,而定子繞阻之電阻可以忽略不計。假設調整其場激磁 使得該電動機功因為 1.0 且自電源端吸收之功率為 6kW,試求該機此時之激磁電壓 與功率角,並繪出其相量圖。(20 分)
五、試列舉永磁同步電動機四種常用之轉子永久磁鐵之安置架構,並繪出轉子幾何示意 架構圖及簡述其特點。(20 分)
相關試卷
115年 - 115 關務特種考試_三等_電機工程(選試英文):電機機械#138915
115年 · #138915
114年 - 114 地方政府公務特種考試_三等_電力工程:電機機械#134760
114年 · #134760
114年 - 114 專技高考_電機工程技師:電機機械#133717
114年 · #133717
114年 - 114 關務升官等考試、交通事業郵政升資考試_薦任、員級晉高員級_電力工程、技術類(選試電機機械)—關務、郵政:電機機械#133262
114年 · #133262
114年 - 114 交通事業郵政升資考試_佐級晉員級_技術類(選試電機機械概要)—郵政:電機機械概要#133211
114年 · #133211
114年 - 114 高等考試_二級_電力工程:電機機械#131612
114年 · #131612
114年 - 114 高等考試_三級_電力工程:電機機械#128777
114年 · #128777
114年 - 114 關務特種考試_三等_電機工程(選試英文):電機機械#126668
114年 · #126668
113年 - 113-2 國營臺灣鐵路股份有限公司_從業人員甄試_第8階-助理工程師-機械 第8階-助理工程師-電機:電機機械#137140
113年 · #137140
113年 - 113 地方政府公務特種考試_三等_電力工程:電機機械#124526
113年 · #124526