阿摩線上測驗
登入
首頁
>
電工機械(概要、大意)
> 97年 - 097年交通事業鐵路人員 、97年交通事業公路人員鐵路人員員級電工機械概要#49411
97年 - 097年交通事業鐵路人員 、97年交通事業公路人員鐵路人員員級電工機械概要#49411
科目:
電工機械(概要、大意) |
年份:
97年 |
選擇題數:
0 |
申論題數:
9
試卷資訊
所屬科目:
電工機械(概要、大意)
選擇題 (0)
申論題 (9)
⑴ 今欲在電樞取用 30 A 電流,而將其轉速降為 600 rpm,則必須串聯多少電阻? (5 分)
⑵ 該電阻損失之功率?(5 分)
⑶ 電樞電路功率有多少百分比輸入電樞本身?(5 分)
⑷ 忽略電樞反應,求速率調整率?(5 分)
二、一 250 kW,230 V 複激發電機,以 230 V 電壓供給 800 A 電流,其分激場電流 12 A, 電樞電阻 0.007Ω ,串激場電阻 0.002Ω ,在此負載下之雜散功率為 5500 W。若發電 機為長並聯,則效率為若干?(20 分)
⑴ 轉速。(10 分)
⑵ 感應轉矩。(10 分)
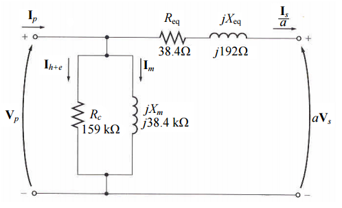
【已刪除】四、20 kVA,8000/240 V 變壓器,其參考至一次側近似等效電路如下圖所示,求其標么 等效電路並繪圖。(20 分)
五、試述變壓器並聯運用的條件。(20 分)