阿摩線上測驗
登入
首頁
>
電機機械
> 97年 - 97年專門職業及技術人員高等建築師、技師暨普通記帳士、97年第二次高等暨普通消防設備人員、普通不動產經紀人造船工程技師#38649
97年 - 97年專門職業及技術人員高等建築師、技師暨普通記帳士、97年第二次高等暨普通消防設備人員、普通不動產經紀人造船工程技師#38649
科目:
電機機械 |
年份:
97年 |
選擇題數:
0 |
申論題數:
9
試卷資訊
所屬科目:
電機機械
選擇題 (0)
申論題 (9)
【已刪除】一、試求圖一所示電路中之電流 i
1
及 i
2
。(15 分)
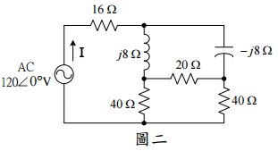
【已刪除】二、試求圖二所示單相交流電路中之電流 I。(15 分)
【已刪除】三、圖三所示為一由 3 台規格完全一樣的單相變壓器連結而成之 Y- 結線三相變壓器組, 在某一相繞組因故障而移除後的結構圖。試問在此結構下是否仍能繼續供電?是否 仍能繼續供電給三相負載?最大可供應多大容量的負載(以原完整三相結構時之變 壓器三相容量為基準,以百分值表示)?(15 分)
【已刪除】四、圖四(a)電路中輸入電壓 v
i
的波形如圖四(b)所示。圖四(b)中縱軸的電壓數值單位為 V。試繪出其輸出電壓 v
o
的波形,並加說明。(15 分)
【已刪除】五、反及閘(NAND gate)與或閘(OR gate)的符號分別如圖五(a)與(b)所示,試利用三 個反及閘來代替一個或閘,繪出其邏輯電路並標示各級的輸入、輸出。(10 分)
六、供電電源電壓三相不平衡對三相感應電動機有何影響?如何因應?請說明之。 (15 分)
⑴供應至負載的複功率。
⑵供應至負載的瞬時電流 i(t)及電流的均方根值。
⑶負載阻抗。
相關試卷
115年 - 115 關務特種考試_三等_電機工程(選試英文):電機機械#138915
115年 · #138915
114年 - 114 台灣自來水股份有限公司_評價職位人員甄試試題_技術士操作類-甲(機電)、技術士操作類-甲(限具中級以上電氣技術人員資格報考)、技術士操作類-甲(機電)(限原住民族報考):電機(工)機械#139521
114年 · #139521
114年 - 114 地方政府公務特種考試_三等_電力工程:電機機械#134760
114年 · #134760
114年 - 114 專技高考_電機工程技師:電機機械#133717
114年 · #133717
114年 - 114 關務升官等考試、交通事業郵政升資考試_薦任、員級晉高員級_電力工程、技術類(選試電機機械)—關務、郵政:電機機械#133262
114年 · #133262
114年 - 114 交通事業郵政升資考試_佐級晉員級_技術類(選試電機機械概要)—郵政:電機機械概要#133211
114年 · #133211
114年 - 114 高等考試_二級_電力工程:電機機械#131612
114年 · #131612
114年 - 114 高等考試_三級_電力工程:電機機械#128777
114年 · #128777
114年 - 114 關務特種考試_三等_電機工程(選試英文):電機機械#126668
114年 · #126668
113年 - 113-2 國營臺灣鐵路股份有限公司_從業人員甄試_第8階-助理工程師-機械 第8階-助理工程師-電機:電機機械#137140
113年 · #137140