阿摩線上測驗
登入
首頁
>
電工機械(概要、大意)
> 98年 - 098年4等電工機械概要#48469
98年 - 098年4等電工機械概要#48469
科目:
電工機械(概要、大意) |
年份:
98年 |
選擇題數:
0 |
申論題數:
6
試卷資訊
所屬科目:
電工機械(概要、大意)
選擇題 (0)
申論題 (6)
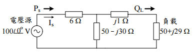
一、參考以下的單相交流電路示意圖,試求出其中電壓源所流出的電流I
s
為多少安培 (A)、電壓源所提供的總實功P
s
為多少瓦(W)及負載所吸收的總虛功Q
L
為多少 乏(VAR)?(25 分)
⑴設 Z
s
= 4 + j 3 Ω ,若欲由電源側獲得最大可能功率,則Z
L
應為多少歐姆( Ω )?
⑵當 V
s
= 100∠0° V 時,負載電流I
L
的大小為多少安培(A),而所消耗的實功P
L
又 為多少瓦(W)?
⑴轉子操作於 5%的轉差時,其轉子轉動角速度為多少 rad/s(一圈等於 2π rad)?
⑵此時若維持轉子的速度不變,且將其連接至一轉矩大小為 5 N.m 的機械負載時, 則電動機轉子的輸出機械功率為多少瓦(W)?
四、若一台三相 60 Hz,3.6 kVA,208 V之同步發電機的定子線圈電阻可以忽略,而其 每相等效之同步電抗大小為 2 Ω 。試計算能夠使發電機之端點電壓大小維持為額定 值,並供應一(2.88+j2.16)kVA之電感性負載時,其等效之內部激磁線電壓E
a
之大 小(無載端電壓)為多少伏特(V)?(25 分)
相關試卷
115年 - 115 關務特種考試_四等_電機工程(選試英文):電工機械概要#138924
115年 · #138924
115年 - 115-1 臺北市立大安高工教師甄選試題_控制科:電工機械#138443
115年 · #138443
115年 - 115 國營臺灣鐵路股份有限公司_從業人員甄試試題_第10階-助理技術員-電力 第10階-助理技術員-電力(臨軌施工) 第10階-助理技術員-電務 第10階-助理技術員-電務(產學合作) 第10階-助理技術員-電務(臨軌施工):電工機械概要#138253
115年 · #138253
114年 - 114 地方政府公務特種考試_四等_電力工程:電工機械概要#134752
114年 · #134752
114年 - 114 普通考試_電力工程:電工機械概要#128780
114年 · #128780
114年 - 114 關務特種考試_四等_電機工程(選試英文):電工機械概要#126594
114年 · #126594
113年 - 113-2 國營臺灣鐵路股份有限公司_從業人員甄試試題_第10階-助理技術員-電務 第10階-助理技術員-電力:電工機械概要#137202
113年 · #137202
113年 - 113-2 國營臺灣鐵路股份有限公司_從業人員甄試試題_第9階-技術員-電機 第9階-技術員-機械 第10階-助理技術員-電機:電機機械概要#137199
113年 · #137199
113年 - 113 地方政府公務特種考試_四等_電力工程:電工機械概要#124460
113年 · #124460
113年 - 113 普通考試_電力工程:電工機械概要#121150
113年 · #121150