阿摩線上測驗
登入
首頁
>
電機機械
> 98年 - 98年專門職業及技術人員高等建築師、技師、消防設備師、普通不動產經紀人、記帳士、第二次消防設備士暨語言治療師機械工程技師#37980
98年 - 98年專門職業及技術人員高等建築師、技師、消防設備師、普通不動產經紀人、記帳士、第二次消防設備士暨語言治療師機械工程技師#37980
科目:
電機機械 |
年份:
98年 |
選擇題數:
0 |
申論題數:
7
試卷資訊
所屬科目:
電機機械
選擇題 (0)
申論題 (7)
【已刪除】一、如圖 1 所示,請計算出流經R
3
之電流。已知V=24 V;I=3 A;R
1
=4 Ω;R
2
=12 Ω; R
3
=6 Ω。(10 分)
二、請畫出完整電路,將一 110 V 交流電源改成 4.2 V 直流電源輸出。請寫出每一電子 元件之參數值並計算出結果。(20 分)
三、請依頻率低至高寫出各電磁頻譜波段名稱及頻率範圍,並寫出各波段波長範圍。 (20 分)
【已刪除】四、如圖 2 所示,請計算出負載所消耗的平均功率。已知
=110∠0 V;R
S
=2 Ω;R
L
=16 Ω;C=100 µF。(10 分)
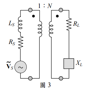
【已刪除】五、如圖 3 所示,請計算在最佳功率傳輸的變壓器圈數比及負載電抗X
L
。已知
=240∠0 V; R
S
=10 Ω;L
S
=0.1 H;R
L
=400 Ω;ω=377 rad/s。(15 分)
六、請說明步進馬達的特點、種類及應用。(15 分)
【已刪除】七、請說明各英文字母格內之磁極,使物體依箭頭方向運動,並說明那些英文字母格內 之磁極的何種力量,使物體依箭頭方向運動。(10 分)
相關試卷
115年 - 115 關務特種考試_三等_電機工程(選試英文):電機機械#138915
115年 · #138915
114年 - 114 台灣自來水股份有限公司_評價職位人員甄試試題_技術士操作類-甲(機電)、技術士操作類-甲(限具中級以上電氣技術人員資格報考)、技術士操作類-甲(機電)(限原住民族報考):電機(工)機械#139521
114年 · #139521
114年 - 114 地方政府公務特種考試_三等_電力工程:電機機械#134760
114年 · #134760
114年 - 114 專技高考_電機工程技師:電機機械#133717
114年 · #133717
114年 - 114 關務升官等考試、交通事業郵政升資考試_薦任、員級晉高員級_電力工程、技術類(選試電機機械)—關務、郵政:電機機械#133262
114年 · #133262
114年 - 114 交通事業郵政升資考試_佐級晉員級_技術類(選試電機機械概要)—郵政:電機機械概要#133211
114年 · #133211
114年 - 114 高等考試_二級_電力工程:電機機械#131612
114年 · #131612
114年 - 114 高等考試_三級_電力工程:電機機械#128777
114年 · #128777
114年 - 114 關務特種考試_三等_電機工程(選試英文):電機機械#126668
114年 · #126668
113年 - 113-2 國營臺灣鐵路股份有限公司_從業人員甄試_第8階-助理工程師-機械 第8階-助理工程師-電機:電機機械#137140
113年 · #137140