阿摩線上測驗
登入
首頁
>
鐵路◆電機機械(概要)
> 98年 - 98 鐵路特種考試_高員三級_電力工程:電機機械#34323
98年 - 98 鐵路特種考試_高員三級_電力工程:電機機械#34323
科目:
鐵路◆電機機械(概要) |
年份:
98年 |
選擇題數:
0 |
申論題數:
6
試卷資訊
所屬科目:
鐵路◆電機機械(概要)
選擇題 (0)
申論題 (6)
一、請說明單相變壓器參數估測的過程,使用的儀器,在高壓端或低壓端測試的考量, 畫出等效電路圖,說明圖中各參數的求取公式。(20 分)
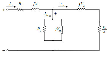
【已刪除】二、如下圖所示為一台 480 V、25 馬力、60 Hz、4 極、Y 接線三相感應電動機之每相等 效電路圖,已知: R
1
=0.64 Ω R
2
=0.33 Ω X
1
=1.1 Ω X
2
=0.46 Ω X
M
=26 Ω 其含R
C
作用之總旋轉損失為 1100 W,且假設為定值。在額定電壓時,其轉差率為 0.022。請計算該電動機之轉速rpm、定子電流、輸入電功率、輸出轉矩。(20 分)
三、在鐵路列車的牽引動力機車中,可能使用直流電動機或交流電動機,請說明二者在 結構、電源、速度控制方式的差異。(15 分)
四、有一台 3 相、480 V、4 極、60 Hz、Y 接線同步發電機,每相同步電抗為 1.26 Ω, 忽略同步電阻。該機以額定電壓輸送 112 kW 至一個無限匯流排時,內電壓與端電 壓間之功率角(power angle)為 25 度。請計算旋轉速度 rpm、內電壓、輸出功率因 數、輸出虛功率。(15 分)
【已刪除】五、有一台 100 馬力、240 V、340 A 分激式(shunt)直流電動機,接線電路如下圖,其 中 1 A、2 A、3 A 為電磁接觸器來控制三個啟動電阻器,使得外接 240 V 啟動電壓 時,電樞之啟動電流不超過 340 A 之二倍,當啟動過程中電樞電流降至 340 A 時依 序短路 1 號、2 號、3 號啟動電阻器。請說明啟動電阻器的作用與目的,計算各啟 動電阻器之所需電阻值。(15 分)
六、有一具三相變壓器是由三台札數比 N1:N2 之單相變壓器組成,請說明可能的接線 方式及線對線電壓比,對線電壓相位角的影響。(15 分)
相關試卷
113年 - 113-2 國營臺灣鐵路股份有限公司_從業人員甄試試題_第9階-技術員-電機 第9階-技術員-機械 第10階-助理技術員-電機:電機機械概要#137153
113年 · #137153
113年 - 113 國營臺灣鐵路股份有限公司_從業人員甄試_第 9 階-技術員-電機:電機機械概要#119077
113年 · #119077
113年 - 113 國營臺灣鐵路股份有限公司_從業人員甄試_第 10 階-助理技術員-電機:電機機械概要#118986
113年 · #118986
112年 - 112 鐵路特種考試_高員三級_電力工程:電機機械#114856
112年 · #114856
111年 - 111 鐵路特種考試_高員三級_電力工程:電機機械#108599
111年 · #108599
110年 - 110 鐵路特種考試_高員三級_電力工程:電機機械#101670
110年 · #101670
109年 - 109 鐵路人員特考_高員三級_電力工程:電機機械#87163
109年 · #87163
108年 - 108 鐵路高員三級 電機機械#76898
108年 · #76898
107年 - 107 鐵路高員三級 - 電機機械#69604
107年 · #69604
106年 - 106年鐵路特考高員三級- 電機機械#62560
106年 · #62560