阿摩線上測驗
登入
首頁
>
機械原理(機械概論、大意)
> 99年 - 099年地方四等機械原理概要#46328
99年 - 099年地方四等機械原理概要#46328
科目:
機械原理(機械概論、大意) |
年份:
99年 |
選擇題數:
0 |
申論題數:
7
試卷資訊
所屬科目:
機械原理(機械概論、大意)
選擇題 (0)
申論題 (7)
一、以螺釘將一正齒輪固定在直徑為 50 mm 的傳動軸上,若安全係數要求為 4,且要傳 輸 60 N.m 之扭矩,請就下表選用最適用之固定方法。(20 分)
二、如下圖所示之兩對帶輪所組成的複式輪系,若 E 軸的轉速為 40 r.p.m. 順時針方向, 求輪系值與 G 軸的轉速。(20 分)
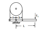
【已刪除】三、如下圖所示差動式制動器,請問在何種情況下才有可能發生自鎖現象,並解釋其原 因。另當轉輪以何方向(順時鐘或逆時鐘方向)旋轉時 F1 較小?(20 分)
【已刪除】四、下圖中飛輪 A 和 B 中轉盤由相同材料製成有相同質量 m,飛輪 A 轉盤的直徑為 D,厚 度為 t;飛輪 B 轉盤的直徑是飛輪 A 轉盤直徑的兩倍;飛輪 A 和 B 的轉盤由相同轉軸 支撐,轉軸直徑為 d 與總長度為 L;所用材料密度皆為 ρ。I
A
和 I
B
分別為飛輪 A 和 B 的旋轉慣量,請利用已知的參數(D, t, d, L, ρ)推導出兩者旋轉慣量之比 I
A
/I
B
。(20 分)
⑴請畫圖說明平移凸輪(又稱滑動凸輪)。(7 分)
⑵請畫圖說明平板凸輪(plate cam)。(7 分)
⑶請畫圖說明反凸輪(inverse cam)。(6 分)
相關試卷
115年 - 115 關務特種考試_四等_機械工程(選試英文):機械原理概要#138916
115年 · #138916
114年 - 114 關務特種考試_四等_機械工程(選試英文):機械原理概要#126566
114年 · #126566
113年 - 113-2 國營臺灣鐵路股份有限公司_從業人員甄試試題_第10階-助理技術員:機械原理概要#125611
113年 · #125611
113年 - 113 臺灣菸酒股份有限公司_年從業職員及從業評價職位人員甄試試題_從業評價職位人員:機械概論#123491
113年 · #123491
113年 - 113 中央印製廠新進人員甄試試題_印製技術員:機械概論#123139
113年 · #123139
113年 - 113 關務特種考試_四等_機械工程(選試英文):機械原理概要#119482
113年 · #119482
112年 - 112 中央銀行所屬中央印製廠、中央造幣廠_新進人員聯合甄試試題_印製技術員/機械技術員:機械概論#120212
112年 · #120212
112年 - 112 地方政府特種考試_四等_機械工程:機械原理概要#118123
112年 · #118123
112年 - 112 原住民族特種考試_四等_機械工程:機械原理概要#116511
112年 · #116511
112年 - 112 普通考試_機械工程:機械原理概要#115401
112年 · #115401