阿摩線上測驗
登入
首頁
>
機械原理(機械概論、大意)
> 99年 - 099年警察鐵路員級機械原理概要#46900
99年 - 099年警察鐵路員級機械原理概要#46900
科目:
機械原理(機械概論、大意) |
年份:
99年 |
選擇題數:
0 |
申論題數:
8
試卷資訊
所屬科目:
機械原理(機械概論、大意)
選擇題 (0)
申論題 (8)
一、敘述軸承之功用及其種類。(20 分)
⑴皮帶緊邊張力F
1
及鬆邊張力F
2
之最大值。(10 分)
⑵若不考慮離心力之影響,此皮帶輪能傳遞之最大馬力(PS)為若干?(10 分) (1 PS=75 kg-m/sec=75×9.8 N-m/sec)
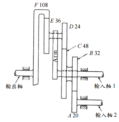
三、如圖所示之齒輪系,設輸入軸 1 之轉速為 120 r.p.m.(逆時針方向),而輸入軸 2 之 轉速為 360 r.p.m.(順時針方向),試求輸出軸之轉速及方向。(20 分)
四、有一對相嚙合之外接正齒輪的中心距為 180 mm,其模數為 6,轉速比為 5,試求大 小齒輪的節圓直徑、齒數與周節。(20 分)
⑴從動件總升程為何?(5 分)
⑵基圓直徑為何?(5 分)
⑶最大及最小壓力角為何?(10 分)
相關試卷
115年 - 115 關務特種考試_四等_機械工程(選試英文):機械原理概要#138916
115年 · #138916
114年 - 114 關務特種考試_四等_機械工程(選試英文):機械原理概要#126566
114年 · #126566
113年 - 113-2 國營臺灣鐵路股份有限公司_從業人員甄試試題_第10階-助理技術員:機械原理概要#125611
113年 · #125611
113年 - 113 臺灣菸酒股份有限公司_年從業職員及從業評價職位人員甄試試題_從業評價職位人員:機械概論#123491
113年 · #123491
113年 - 113 中央印製廠新進人員甄試試題_印製技術員:機械概論#123139
113年 · #123139
113年 - 113 關務特種考試_四等_機械工程(選試英文):機械原理概要#119482
113年 · #119482
112年 - 112 中央銀行所屬中央印製廠、中央造幣廠_新進人員聯合甄試試題_印製技術員/機械技術員:機械概論#120212
112年 · #120212
112年 - 112 地方政府特種考試_四等_機械工程:機械原理概要#118123
112年 · #118123
112年 - 112 原住民族特種考試_四等_機械工程:機械原理概要#116511
112年 · #116511
112年 - 112 普通考試_機械工程:機械原理概要#115401
112年 · #115401