阿摩線上測驗
登入
首頁
>
機械設計
> 99年 - 99 身心障礙特種考試_四等_機械工程:機械設計概要#35442
99年 - 99 身心障礙特種考試_四等_機械工程:機械設計概要#35442
科目:
機械設計 |
年份:
99年 |
選擇題數:
0 |
申論題數:
5
試卷資訊
所屬科目:
機械設計
選擇題 (0)
申論題 (5)
【已刪除】一、有一對軸與孔配合,限界尺寸為 35φ F7g5,試求其配合之情況如何。(25 分)
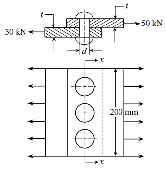
【已刪除】二、如圖所示,同厚之二板由三個鉚釘接合,承受 50 kN之拉力,板與鉚釘之材質為相 同之鋼,其降伏強度為 250 N/mm
2
,若安全係數為 2.5,試設計板之厚度。(25 分)
⑴重點為何?(10 分)
⑵步驟為何?(15 分)
四、有一螺紋,其符號為 1/4-20UNC-3A,試說明此螺紋。(25 分)
相關試卷
115年 - 115 身心障礙特種考試_四等_機械工程:機械設計概要#138890
115年 · #138890
115年 - 115 身心障礙特種考試_三等_機械工程:機械設計#138882
115年 · #138882
114年 - 114 地方政府公務特種考試_三等_機械工程:機械設計#134728
114年 · #134728
114年 - 114 地方政府公務特種考試_四等_機械工程:機械設計概要#134719
114年 · #134719
114年 - 114 公務、關務升官等考試_薦任_機械工程、技術類(選試機械設計)-關務:機械設計#133265
114年 · #133265
114年 - 114 交通事業港務升資考試_員級晉高員級_技術類(選試機械設計)-港務:機械設計#133244
114年 · #133244
114年 - 114 高等考試_二級_機械工程:機械設計學#131583
114年 · #131583
114年 - 114 原住民族特種考試_四等_機械工程:機械設計概要#130917
114年 · #130917
114年 - 114 高等考試_三級_機械工程:機械設計#128741
114年 · #128741
114年 - 114 普通考試_機械工程:機械設計概要#128447
114年 · #128447