阿摩線上測驗
登入
首頁
>
電機機械
>
103年 - 103年專門職業及技術人員高等建築師、技師、第二次食品技師暨普通不動產經紀人、記帳士考高等_造船工程技師#25300
> 申論題
題組內容
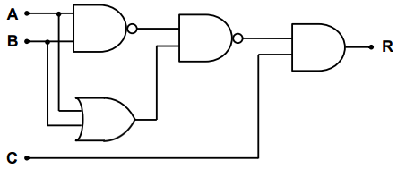
一、根據下圖所示之邏輯電路,試求:(每小題10分,共20分)
(一)真值表(truthtable)
相關申論題
(二)布林運算式(Boolean expression )
#35521
㈠此為何種放大器電路?(5分)
#35522
㈡若是Rf=290kΩ,R1=10kΩ,則放大器增益值為何?(10分)
#35523
㈠伏特計所量得之VM為何?( 15分)
#35524
(二)此時誤差百分率為何(基於正確值)?(5分)
#35525
㈠以歐姆為單位,試求出一次侧及二次側個別串聯阻抗之電阻值(resistance)與感 抗值(reactance),以及磁化感抗值。(15分)
#35526
(二)晝出參考至低壓侧之T型等效電路(equivalent T-circuit),標出(一)所得數值。 (5分)
#35527
(一)圖中電阻電流i的自然響應(natural response )型態為次阻尼(under damping )、 臨界阻尼(critical damping)或是過阻尼(over damping)?須列出計算過程才給 分。(15分)
#35528
㈡在開關閉合瞬間(t=0+),電阻電流i為何?(5分)
#35529
㈢在穩態之後(t->∞),電阻電流i為何?(5分)
#35530
相關試卷
115年 - 115 關務特種考試_三等_電機工程(選試英文):電機機械#138915
115年 · #138915
114年 - 114 台灣自來水股份有限公司_評價職位人員甄試試題_技術士操作類-甲(機電)、技術士操作類-甲(限具中級以上電氣技術人員資格報考)、技術士操作類-甲(機電)(限原住民族報考):電機(工)機械#139521
114年 · #139521
114年 - 114 地方政府公務特種考試_三等_電力工程:電機機械#134760
114年 · #134760
114年 - 114 專技高考_電機工程技師:電機機械#133717
114年 · #133717
114年 - 114 關務升官等考試、交通事業郵政升資考試_薦任、員級晉高員級_電力工程、技術類(選試電機機械)—關務、郵政:電機機械#133262
114年 · #133262
114年 - 114 交通事業郵政升資考試_佐級晉員級_技術類(選試電機機械概要)—郵政:電機機械概要#133211
114年 · #133211
114年 - 114 高等考試_二級_電力工程:電機機械#131612
114年 · #131612
114年 - 114 高等考試_三級_電力工程:電機機械#128777
114年 · #128777
114年 - 114 關務特種考試_三等_電機工程(選試英文):電機機械#126668
114年 · #126668
113年 - 113-2 國營臺灣鐵路股份有限公司_從業人員甄試_第8階-助理工程師-機械 第8階-助理工程師-電機:電機機械#137140
113年 · #137140