阿摩線上測驗 登入

申論題資訊

試卷:112年 - 112 地方政府特種考試_三等_電力工程:電機機械#118334
科目:電機機械
年份:112年
排序:0

題組內容

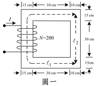
一、一個鐵芯磁路如圖一所示,磁路各段的寬度數值(單位 cm)示於圖中,此磁路深度(進入紙面)為10 cm ,磁路上繞有 200 匝線圈,通入電流 I =1 A ,鐵芯的比導磁係數 μ r=2 ,500 。(每小題 10 分,共 20 分)
657baa21edf18.jpg

申論題內容

(一)計算此磁路的總磁阻。