題組內容
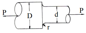
二、如圖所示的某階梯圓桿受到動態拉力 P,其變動範圍是介於 22200 N 及 35500 N 間,
階梯直徑 D=25 mm,d=16 mm,圓弧倒角半徑 r=2 mm。 材質的極限強度(ultimate
strength) Sut為 615 MPa,疲勞限(endurance limit)為0.45Sut ,疲勞限的總和修正
因子為 0.67,靜應力集中因子(static stress concentration factor)為 2.2,缺口靈敏度
(notch sensitivity)為 0.7。 試問:
