題組內容
第二題:
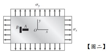
如【圖二】所示,矩形鋼板受到均勻正向應力σx及σy作用。應變規 A 及 B 附著於鋼板 上,應變規 A 讀得應變 0.00065,B 讀得應變為 0.0004。已知材料的楊式係數為 200 GPa 及蒲松比為 0.3,請列式計算下列問題: (四捨五入計算到小數第二位)
(一)求正向應力σx?(註:
)【13 分】
第二題:
如【圖二】所示,矩形鋼板受到均勻正向應力σx及σy作用。應變規 A 及 B 附著於鋼板 上,應變規 A 讀得應變 0.00065,B 讀得應變為 0.0004。已知材料的楊式係數為 200 GPa 及蒲松比為 0.3,請列式計算下列問題: (四捨五入計算到小數第二位)
(一)求正向應力σx?(註:
)【13 分】