阿摩線上測驗
登入
首頁
>
電機機械
>
114年 - 114 關務特種考試_三等_電機工程(選試英文):電機機械#126668
> 申論題
題組內容
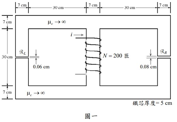
一、圖一所示之磁路,鐵芯之厚度為 5 cm,且鐵芯之導磁係數
可視為無窮 大,不考慮邊緣效應,試求:
(三)線圈之電感值。
相關申論題
(一)左邊及右邊二氣隙之磁阻。
#538600
(二)當線圈通以i=2.2A之直流電流時,左右兩氣隙各儲存多少磁能?
#538601
(一)繪出此自耦變壓器之電路圖,標示繞組之極性及電壓。
#538603
(二)求此自耦變壓器之效率。
#538604
(一)內部生成電壓Ea之大小為何?
#538605
(二)電樞電流Ia之大小及角度為何?
#538606
(三)若激磁電流維持定值,此電動機可輸出之最大功率為何?
#538607
(一)轉差率。
#538608
(二)轉矩。
#538609
(三)假設在低轉差率區,轉矩-速度曲線為線性,若電動機的輸出轉矩減半,計算新的轉速。
#538610
相關試卷
115年 - 115 關務特種考試_三等_電機工程(選試英文):電機機械#138915
115年 · #138915
114年 - 114 台灣自來水股份有限公司_評價職位人員甄試試題_技術士操作類-甲(機電)、技術士操作類-甲(限具中級以上電氣技術人員資格報考)、技術士操作類-甲(機電)(限原住民族報考):電機(工)機械#139521
114年 · #139521
114年 - 114 地方政府公務特種考試_三等_電力工程:電機機械#134760
114年 · #134760
114年 - 114 專技高考_電機工程技師:電機機械#133717
114年 · #133717
114年 - 114 關務升官等考試、交通事業郵政升資考試_薦任、員級晉高員級_電力工程、技術類(選試電機機械)—關務、郵政:電機機械#133262
114年 · #133262
114年 - 114 交通事業郵政升資考試_佐級晉員級_技術類(選試電機機械概要)—郵政:電機機械概要#133211
114年 · #133211
114年 - 114 高等考試_二級_電力工程:電機機械#131612
114年 · #131612
114年 - 114 高等考試_三級_電力工程:電機機械#128777
114年 · #128777
114年 - 114 關務特種考試_三等_電機工程(選試英文):電機機械#126668
114年 · #126668
113年 - 113-2 國營臺灣鐵路股份有限公司_從業人員甄試_第8階-助理工程師-機械 第8階-助理工程師-電機:電機機械#137140
113年 · #137140