題組內容
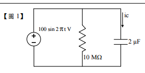
一、有一 RC 並聯電路,如【圖 1】所示。

(三) 求電阻消耗之功率 PR(t)(5 分)
詳解 (共 1 筆)
yo
詳解 #3396748
PR=V^2/R = 100^2/(10...
(共 32 字,隱藏中)
前往觀看