題組內容
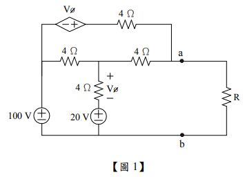
一、有一電路如【圖1】,請求解下列問題:(各小題5分,共15分)
(二)承上題,此時電阻R吸收之最大功率為何?
詳解 (共 1 筆)
廷仔
詳解 #2427032
P=3*[120/(3+3)]²=120...
(共 24 字,隱藏中)
前往觀看